B.P. und seine Interpretation zu Atari ...
Moderatoren: Sleeπ, andymanone
-
Burkhard
- Beiträge: 507
- Registriert: 03.06.2021 21:29
- Has thanked: 10 times
- Been thanked: 41 times
- Kontaktdaten:
B.P. und seine Interpretation zu Atari ...
... Erweiterungen - vor Allem die 4 empfehlenswertesten Zusatztasten.
Ich habe diese Taster schon öfters - auch für Bekannte - zusammengelötet und beim Einbau in deren XL geholfen. Ich weiß bis heute, wie diese zu beschaltet werden müssen und mußte feststellen, daß die Angaben und Grafiken dazu in Bezug auf die XL Serie gravierende Fehler aufweist. Taster 1 und 2 <Cursor UP/DOWN> werden mit einem Kontakt am Pin 5 der Tastatur-Schnittstelle angeschlossen, bei Bernhard Pahl geht es aber an Pin 8. Je 1 Kontakt von Taster 3 und 4 <left/right> geht zusammen an Pin 8 (BP = 5). Die jeweils noch freien Kontakte von F1 und F3 gehen zusammen an Pin 10 (BP = 17) und die freien Kontakte an 17 (BP 10)! Wie kann man ihm das begreifbar machen, ich hatte es damals mehrfach versucht, als er auf seiner Page noch Kontakt zuließ!
Ich habe diese Taster schon öfters - auch für Bekannte - zusammengelötet und beim Einbau in deren XL geholfen. Ich weiß bis heute, wie diese zu beschaltet werden müssen und mußte feststellen, daß die Angaben und Grafiken dazu in Bezug auf die XL Serie gravierende Fehler aufweist. Taster 1 und 2 <Cursor UP/DOWN> werden mit einem Kontakt am Pin 5 der Tastatur-Schnittstelle angeschlossen, bei Bernhard Pahl geht es aber an Pin 8. Je 1 Kontakt von Taster 3 und 4 <left/right> geht zusammen an Pin 8 (BP = 5). Die jeweils noch freien Kontakte von F1 und F3 gehen zusammen an Pin 10 (BP = 17) und die freien Kontakte an 17 (BP 10)! Wie kann man ihm das begreifbar machen, ich hatte es damals mehrfach versucht, als er auf seiner Page noch Kontakt zuließ!
Re: B.P. und seine Interpretation zu Atari ...
zum Vergleich habe ich mal im CompyShopMagazin 10/1988 nachgeschaut, da hatte ich bereits eine Bauanleitung für die Cursor Tasten reingestellt:
Du solltest aber -egal welche Variante Dir besser gefällt- hier keine Leute so negativ beschreiben!
Bernhard hat sehr viel Gutes rund um Ataris gemacht !
Evt. solltest Du die Überschrift in Hardware: Cursor Tasten vom Admin umbenennen lassen!
Dann findet es auch jemand, der sich dafür interessiert!
Bernhard hat sehr viel Gutes rund um Ataris gemacht !
Evt. solltest Du die Überschrift in Hardware: Cursor Tasten vom Admin umbenennen lassen!
Dann findet es auch jemand, der sich dafür interessiert!
keine PN's mehr! Bitte per email kontaktieren! atari1450xld©mega-hz.de
- Mathy
- Beiträge: 1976
- Registriert: 18.06.2021 11:13
- Wohnort: Heerlen, NL
- Has thanked: 980 times
- Been thanked: 601 times
- Kontaktdaten:
Re: B.P. und seine Interpretation zu Atari ...
.
Hallo Wolfram
Tatsen? Hund oder Katze?
Tschüß
Mathy
Hallo Wolfram
Tatsen? Hund oder Katze?
Tschüß
Mathy
Schreibe nicht der Absicht zu, was man mit Dummheit oder Ignoranz erklären kann.
-
Burkhard
- Beiträge: 507
- Registriert: 03.06.2021 21:29
- Has thanked: 10 times
- Been thanked: 41 times
- Kontaktdaten:
Re: B.P. und seine Interpretation zu Atari ...
Du hast aber im Screenshot des Magazins die gleiche Grafik des Anschlußschema der Tasten wie Bernhard, und die ist falsch! Und Ihr mißvetsteht mein Anliegen, diesen Thread eröffnet zu haben - ich will ihn keinesfalls diskrititieren, aber wenn man etwas als "Nachbauwürdig" der Öffentlichkeit preisgibt, sollte es schon fehlerlos sein oder der "Herausgeber" korrekturbereit sein ...mega-hz hat geschrieben: ↑03.09.2024 23:43zum Vergleich habe ich mal im CompyShopMagazin 10/1988 nachgeschaut, da hatte ich bereits eine Bauanleitung für die Cursor Tasten reingestellt:
Screenshot (121).png
Screenshot (122).png
Screenshot (123).png
Screenshot (124).png
Screenshot (125).png
Screenshot (126).png
Du solltest aber -egal welche Variante Dir besser gefällt- hier keine Leute so negativ beschreiben!
Bernhard hat sehr viel Gutes rund um Ataris gemacht !
Evt. solltest Du die Überschrift in Hardware: Cursor Tasten vom Admin umbenennen lassen!
Dann findet es auch jemand, der sich dafür interessiert!
Kann es vielleicht sein, daß Bernhard für seine Zusatztasten das hier in Screenshots dargestellte Compishop Magazin heranzog? Dann liegt der Fehler ja auch gar nicht bei ihm, sondern recht früh eben beim CompiShop!
Das Diskmagazin kannte ich auch noch nicht!
- Sleeπ
- Beiträge: 2237
- Registriert: 18.06.2021 20:58
- Has thanked: 327 times
- Been thanked: 597 times
- Kontaktdaten:
Re: B.P. und seine Interpretation zu Atari ...
Deine Ausdrucksweise, bereits in der Überschrift, hat allerdings einen sehr negativen Touch. Die Frage / den Hinweis kann - besser: sollte - man auch neutral / diplomatischer formulieren.
Sleeπ
- GoodByteXL
- Beiträge: 347
- Registriert: 18.08.2021 12:10
- Has thanked: 9 times
- Been thanked: 111 times
- Kontaktdaten:
Re: B.P. und seine Interpretation zu Atari ...
Ein Blick in die Unterlagen vom ABBUC-Bauplanservice wäre die Lösung gewesen: BP 33
Für mich ist das nur 'rummoppern an B.P. ...
Für mich ist das nur 'rummoppern an B.P. ...
Re: B.P. und seine Interpretation zu Atari ...
Auch ich habe es damals irgendwo gelesen, aber auch erfolgreich nachgebaut, mir ist damals nichts falsches aufgefallen!Burkhard hat geschrieben: ↑04.09.2024 09:08
Du hast aber im Screenshot des Magazins die gleiche Grafik des Anschlußschema der Tasten wie Bernhard, und die ist falsch! Und Ihr mißvetsteht mein Anliegen, diesen Thread eröffnet zu haben - ich will ihn keinesfalls diskrititieren, aber wenn man etwas als "Nachbauwürdig" der Öffentlichkeit preisgibt, sollte es schon fehlerlos sein oder der "Herausgeber" korrekturbereit sein ...
Kann es vielleicht sein, daß Bernhard für seine Zusatztasten das hier in Screenshots dargestellte Compishop Magazin heranzog? Dann liegt der Fehler ja auch gar nicht bei ihm, sondern recht früh eben beim CompiShop!
Das Diskmagazin kannte ich auch noch nicht!
Der Fehler liegt nicht beim Compy Shop!
In dem Compy Shop Magazin konnten Leute damals Beiträge erstellen und einreichen.
Das hatte ich getan.
Wenn Du Dir mal alle Compy-Shop-Magazine anschaust, wirst Du sehen, daß Du da echt einiges verpasst hast!
Es lohnt sich!
Bitte, lass mal die Überschrift ändern! Klingt echt nicht gut!
keine PN's mehr! Bitte per email kontaktieren! atari1450xld©mega-hz.de
- CharlieChaplin
- Beiträge: 1120
- Registriert: 18.06.2021 22:59
- Has thanked: 352 times
- Been thanked: 409 times
- Kontaktdaten:
Re: B.P. und seine Interpretation zu Atari ...
B.M. und seine Interpretation zu Compy Shop:
1) "CompiShop"
2) "Das Diskmagazin kannte ich auch noch nicht!"
Vom Abbuc Magazin oder Abbuc Bauplanservice hast du aber schonmal etwas gehört ?
1) "CompiShop"
2) "Das Diskmagazin kannte ich auch noch nicht!"
Vom Abbuc Magazin oder Abbuc Bauplanservice hast du aber schonmal etwas gehört ?
- Dinadan
- Beiträge: 210
- Registriert: 18.08.2021 17:17
- Has thanked: 367 times
- Been thanked: 104 times
- Kontaktdaten:
Re: B.P. und seine Interpretation zu Atari ...
Worauf bezieht sich der Eingangspost eigentlich? Gibt es eine Webseite wo die evtl. falsche Anleitung zu sehen ist?
- CharlieChaplin
- Beiträge: 1120
- Registriert: 18.06.2021 22:59
- Has thanked: 352 times
- Been thanked: 409 times
- Kontaktdaten:
Re: B.P. und seine Interpretation zu Atari ...
Happy Computer Atari Sonderheft 2, Seite 152 + 153... Interpretation zu Atari...
- Dateianhänge
-
- Cursortasten1.jpg (412.6 KiB) 18460 mal betrachtet
-
- Cursortasten2.jpg (531.22 KiB) 18460 mal betrachtet
Zuletzt geändert von CharlieChaplin am 04.09.2024 18:35, insgesamt 2-mal geändert.
- CharlieChaplin
- Beiträge: 1120
- Registriert: 18.06.2021 22:59
- Has thanked: 352 times
- Been thanked: 409 times
- Kontaktdaten:
Re: B.P. und seine Interpretation zu Atari ...
Vermutlich ist B. P. = Bernhard Pahl, meine Links zu seiner Atari Webseite laufen aber ins Leere (Error 404 Page not found). Kann sein, dass sich die Webadresse geändert hat oder aber es seine Atariseite gar nicht mehr gibt. Ich finde zumindest nur noch das hier: http://b-pahl.de/ und wenn ich da Atari dranhänge macht Google /atari8bit draus und gibt den Error 404 aus.
- Mathy
- Beiträge: 1976
- Registriert: 18.06.2021 11:13
- Wohnort: Heerlen, NL
- Has thanked: 980 times
- Been thanked: 601 times
- Kontaktdaten:
Re: B.P. und seine Interpretation zu Atari ...
.
Hallo Leute
Überschrift ändern müsste man für jedes Posting einzeln machen. Das macht kein Spaß.
Tschüß
Mathy
Hallo Leute
Überschrift ändern müsste man für jedes Posting einzeln machen. Das macht kein Spaß.
Tschüß
Mathy
Schreibe nicht der Absicht zu, was man mit Dummheit oder Ignoranz erklären kann.
- CharlieChaplin
- Beiträge: 1120
- Registriert: 18.06.2021 22:59
- Has thanked: 352 times
- Been thanked: 409 times
- Kontaktdaten:
Re: B.P. und seine Interpretation zu Atari ...
Das ist deine Interpretation... und hoffentlich NICHT zu Atari.
Online
https://web.archive.org/web/20220807185 ... i8bit.html
2008 hat AndreasB mit ihm wohl mal telefoniert und er hat gesagt, dass er keine Zeit mehr fuer's Atari Hobby hat
https://abbuc.de/forum-archiv/abbuc_for ... =3220.html
Insofern wundert es mich auch nicht, dass es seine Atari Seiten nun nicht mehr gibt (eher, dass es sie bis vor ein paar wenigen Jahren noch gegeben hat).
so long,
Hias
-
HiassofT
- Beiträge: 245
- Registriert: 17.08.2021 11:03
- Wohnort: Salzburg, Austria
- Has thanked: 23 times
- Been thanked: 157 times
- Kontaktdaten:
Re: B.P. und seine Interpretation zu Atari ...
Archive.org hat die Website im Archiv:CharlieChaplin hat geschrieben: ↑04.09.2024 18:27Vermutlich ist B. P. = Bernhard Pahl, meine Links zu seiner Atari Webseite laufen aber ins Leere (Error 404 Page not found). Kann sein, dass sich die Webadresse geändert hat oder aber es seine Atariseite gar nicht mehr gibt. Ich finde zumindest nur noch das hier: http://b-pahl.de/ und wenn ich da Atari dranhänge macht Google /atari8bit draus und gibt den Error 404 aus.
https://web.archive.org/web/20220807185 ... i8bit.html
2008 hat AndreasB mit ihm wohl mal telefoniert und er hat gesagt, dass er keine Zeit mehr fuer's Atari Hobby hat
https://abbuc.de/forum-archiv/abbuc_for ... =3220.html
Insofern wundert es mich auch nicht, dass es seine Atari Seiten nun nicht mehr gibt (eher, dass es sie bis vor ein paar wenigen Jahren noch gegeben hat).
so long,
Hias
- Sleeπ
- Beiträge: 2237
- Registriert: 18.06.2021 20:58
- Has thanked: 327 times
- Been thanked: 597 times
- Kontaktdaten:
Re: B.P. und seine Interpretation zu Atari ...
Also, ich habe das ganze mal auseinandergebröselt...
WENN es überhaupt ein Problem gibt, dann mit der Zuordnung der Tastennummern zu den Funktionen, je nach dem nach welchen Angaben man die Tasten mit dem Tastaturkabel verbindet.
Ich habe jetzt mal die Tastaturmatrix des 1200XL genommen...
...und die Funktionstasten in die Matrix des 800XL übertragen:
Daraus ergibt sich folgende Belegung der Funktionstasten am Keyboardstecker:
Wenn man jetzt die zitierten Grafiken zu Grunde legt...
bzw.
ergibt sich daraus folgende Zuordnung Pin/Buchstabe:
Die Buchstaben eingesetzt in die eingangsseitige Tabelle:
Wenn ich jetzt anhand der Buchstabenkombi mithilfe der Grafik der Tasten...
...die Nummer der Tasten zuordne, ergibt sich folgendes Bild:
Es ist also F1 = Taste 4, F2 = Taste 3, F3 = Taste 2 und F4 = Taste 1.
Im 1200XL-Manual ist die Cursor-Funktion wie folgt beschrieben:
, was sich mit der Beschreibung von B.P. und W.F. deckt.
Da die Nummerierung der Tasten allerdings gegenläufig ist, ist die Funktion ebenfalls gegenläufig zugeordnet, also erst mal "falsch".
Wenn ich jetzt aber nicht die Grafik der Anschlußleiste, sondern die Tabelle betrachte und diese mit der Grafik vergleiche:
fällt, auf daß hier die Zuordnung genau anders herum wie in der zugehörigen Grafikk ist, also richtig herum.
Ob die Zuordnung der Tastennummern nachher richtig oder gespiegelt ist, hängt also davon ab ob man nach der Grafik oder der Tabelle verdrahtet hat.
Der Plan aus der Happy Computer, den ich ebenfalls rausgekramt hatte (aber CC war schneller) ist ohne den Dreher.
Fazit: Beim Erstellen der Grafik ist ein Fehler passiert. Alle anderen Angaben / Tabellen / Zeichnungen sind korrekt.
Deshalb die Arbeit von B.P. so darzustellen als wenn sie durchgängig fehlerhaft ist "B.P. und seine Interpretation zu Atari Erweiterungen - vor Allem...", was die Formulierung bei mir suggeriert hat, und er beratungsresistent ist "Wie kann man ihm das begreifbar machen", halte ich für nicht angebracht. Zudem suggeriert der Ausdruck "gravierende Fehler" bei mir: "Gefahr für den Rechner!, was mitnichten der Fall ist.
WENN es überhaupt ein Problem gibt, dann mit der Zuordnung der Tastennummern zu den Funktionen, je nach dem nach welchen Angaben man die Tasten mit dem Tastaturkabel verbindet.
Ich habe jetzt mal die Tastaturmatrix des 1200XL genommen...
...und die Funktionstasten in die Matrix des 800XL übertragen:
Daraus ergibt sich folgende Belegung der Funktionstasten am Keyboardstecker:
Code: Alles auswählen
Taste Pin
F1 5/10
F2 5/17
F3 8/10
F4 8/17
Code: Alles auswählen
Pin Nr. Anschluß
5 D
8 C
10 B
17 ACode: Alles auswählen
Taste Pin
F1 5/10 D/B
F2 5/17 D/A
F3 8/10 C/B
F4 8/17 C/A...die Nummer der Tasten zuordne, ergibt sich folgendes Bild:
Code: Alles auswählen
ATARI Pin B.P./W.F.
F1 5/10 D/B 4
F2 5/17 D/A 3
F3 8/10 C/B 2
F4 8/17 C/A 1Im 1200XL-Manual ist die Cursor-Funktion wie folgt beschrieben:
, was sich mit der Beschreibung von B.P. und W.F. deckt.
Da die Nummerierung der Tasten allerdings gegenläufig ist, ist die Funktion ebenfalls gegenläufig zugeordnet, also erst mal "falsch".
Wenn ich jetzt aber nicht die Grafik der Anschlußleiste, sondern die Tabelle betrachte und diese mit der Grafik vergleiche:
fällt, auf daß hier die Zuordnung genau anders herum wie in der zugehörigen Grafikk ist, also richtig herum.
Ob die Zuordnung der Tastennummern nachher richtig oder gespiegelt ist, hängt also davon ab ob man nach der Grafik oder der Tabelle verdrahtet hat.
Der Plan aus der Happy Computer, den ich ebenfalls rausgekramt hatte (aber CC war schneller) ist ohne den Dreher.
Fazit: Beim Erstellen der Grafik ist ein Fehler passiert. Alle anderen Angaben / Tabellen / Zeichnungen sind korrekt.
Deshalb die Arbeit von B.P. so darzustellen als wenn sie durchgängig fehlerhaft ist "B.P. und seine Interpretation zu Atari Erweiterungen - vor Allem...", was die Formulierung bei mir suggeriert hat, und er beratungsresistent ist "Wie kann man ihm das begreifbar machen", halte ich für nicht angebracht. Zudem suggeriert der Ausdruck "gravierende Fehler" bei mir: "Gefahr für den Rechner!, was mitnichten der Fall ist.
Sleeπ
Re: B.P. und seine Interpretation zu Atari ...
Sehr gut!
Danke Dir! Ich hoffe es bringt nun Klarheit, Burkhard?
Also habe auch ich damals irgendwo da einen Fehler gemacht...
(wie Mathy schon endeckt hatte, es ging bei der Bauanleitung um Cursor-Tatsen!
)
Übrigens: sind ja bereits Anschlüsse auf der neuen Tastaturplatine für F1-F10,
da brauchst Du doch nur noch 4 Taster anschliessen!
Danke Dir! Ich hoffe es bringt nun Klarheit, Burkhard?
Also habe auch ich damals irgendwo da einen Fehler gemacht...
(wie Mathy schon endeckt hatte, es ging bei der Bauanleitung um Cursor-Tatsen!
Übrigens: sind ja bereits Anschlüsse auf der neuen Tastaturplatine für F1-F10,
da brauchst Du doch nur noch 4 Taster anschliessen!
Zuletzt geändert von mega-hz am 04.09.2024 22:41, insgesamt 1-mal geändert.
keine PN's mehr! Bitte per email kontaktieren! atari1450xld©mega-hz.de
- Olix
- Beiträge: 2415
- Registriert: 17.08.2021 07:06
- Has thanked: 365 times
- Been thanked: 1743 times
- Kontaktdaten:
Re: B.P. und seine Interpretation zu Atari ...
Mal kurz eine Zwischenfrage, vielleicht hilft di ja auch die erhitzten Gemüter wieder etwas abzukühlen
Ich habe mich bisher noch gar nicht mit dem Innenleben des 1200XL beschäftigt.
Leider besitze ich keinen und selbst andY (andymanone) konnte mir diese Lücke noch nicht füllen
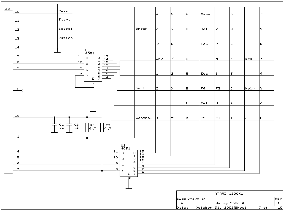
Daher meine vielleicht etwas triviale Frage, da ich gerade das Schaubild mit der 1200XL Tastaturmatrix studiert habe:
Sitzen beim 1200er die beiden 4051 AUF der Tastatur und nicht auf dem Mainboard oder habe ich da etwas falsch interpertiert?
Ich habe mich bisher noch gar nicht mit dem Innenleben des 1200XL beschäftigt.
Leider besitze ich keinen und selbst andY (andymanone) konnte mir diese Lücke noch nicht füllen
Daher meine vielleicht etwas triviale Frage, da ich gerade das Schaubild mit der 1200XL Tastaturmatrix studiert habe:
Sitzen beim 1200er die beiden 4051 AUF der Tastatur und nicht auf dem Mainboard oder habe ich da etwas falsch interpertiert?
Re: B.P. und seine Interpretation zu Atari ...
Richtig!
Der hat auch kein 24poliges Tastaturkabel sondern ... viel weniger!
Was mir nicht gefiel, waren die Consol-Tasten oben, aber ich hab es probiert:
Die Braune Abdeckung mit den 6/800XL Consoltasten passt auch auf die 1200er Tastatur!
Dann hätte man oben etliche Tasten mehr frei z.B. für F5-F10.
F5-F10 kann man abfragen, war nach schwammiger Aussage von Curt Vendel und Joe Decuir
"erstmal" nicht verplant damals. Daher haben die keine OS-Funktionen.
EDIT: Aber das Thema gehört besser in den Tastatur-Thread...
Wir sollten diesen Thread nun als aufgeklärt und beendet ansehen, denke ich.
Der hat auch kein 24poliges Tastaturkabel sondern ... viel weniger!
Was mir nicht gefiel, waren die Consol-Tasten oben, aber ich hab es probiert:
Die Braune Abdeckung mit den 6/800XL Consoltasten passt auch auf die 1200er Tastatur!
Dann hätte man oben etliche Tasten mehr frei z.B. für F5-F10.
F5-F10 kann man abfragen, war nach schwammiger Aussage von Curt Vendel und Joe Decuir
"erstmal" nicht verplant damals. Daher haben die keine OS-Funktionen.
EDIT: Aber das Thema gehört besser in den Tastatur-Thread...
Wir sollten diesen Thread nun als aufgeklärt und beendet ansehen, denke ich.
keine PN's mehr! Bitte per email kontaktieren! atari1450xld©mega-hz.de
Online
,
werde ich mal, bei einem gemütlichen Glas Wein, darüber nachdenken und in mich gehen,
ob ich dir evtl. doch dabei behilflich sein kann, dich zu einem zukünftigen, stolzen 1200XL Besitzer werden zu lassen
.
Gtx.,
andY
- andymanone
- Beiträge: 4587
- Registriert: 17.08.2021 12:34
- Wohnort: Berlin - Suburban
- Has thanked: 1192 times
- Been thanked: 1980 times
- Kontaktdaten:
Re: B.P. und seine Interpretation zu Atari ...
Da du mir einer der Liebsten ABBUC´aner geworden bist
werde ich mal, bei einem gemütlichen Glas Wein, darüber nachdenken und in mich gehen,
ob ich dir evtl. doch dabei behilflich sein kann, dich zu einem zukünftigen, stolzen 1200XL Besitzer werden zu lassen
Gtx.,
andY
Ressortleiter Hardware - Save the past and use the future!© andYManOne / Demozoo / Brandnew: Live 24/7 Stream - Industrial - Chiptune/Covers - Vocal Dream - EDM - Indie - own tracks
Re: B.P. und seine Interpretation zu Atari ...
Andy, gemütlichen Wein mag ich auch, ich kann Dir dann gerne beim nachdenken behilflich sein 
Olix braucht so einen!
(ich suche noch nen 1450XLD...
)
Olix braucht so einen!
(ich suche noch nen 1450XLD...
keine PN's mehr! Bitte per email kontaktieren! atari1450xld©mega-hz.de
- Olix
- Beiträge: 2415
- Registriert: 17.08.2021 07:06
- Has thanked: 365 times
- Been thanked: 1743 times
- Kontaktdaten:
Re: B.P. und seine Interpretation zu Atari ...
Oh Mann, das würde mich sowas von Glücklich machen. Immer wenn mich meine Frau fragt, was sie mir zum Geburtstag oder Weihnachten schenken soll aage ich nur : Einen Atari 1200 XL! Dann schaut sie mich immer etwas mitleidig an und zeigt mir dann die nächsten Tag in ihrer Nachbarschafts App, wann wieder einer ne 2600 Junior Konsole verkauft und fragt ob ich sowas meine .andymanone hat geschrieben: ↑04.09.2024 22:51Da du mir einer der Liebsten ABBUC´aner geworden bist,
werde ich mal, bei einem gemütlichen Glas Wein, darüber nachdenken und in mich gehen,
ob ich dir evtl. doch dabei behilflich sein kann, dich zu einem zukünftigen, stolzen 1200XL Besitzer werden zu lassen.
Gtx.,
andY
Ich habe ja schon alles (normale) von den 8Bittern: 400/800/600xl/800xl/800xlf/800xe/130xe/xegs
.... nur der 1200xl fehlt eben noch..
Natürlich bin ich jeder Zeit bereit den entsprechenden Preis zu bezahlen ....
Jetzt kann ich bestimmt gut schlafen und träumen
Online
1200XL hab ich schon, und den 1450XLD gönn ich gerne Wolfram, bis auf den Wein bin ich also genügsam :-)
so long,
Hias
-
HiassofT
- Beiträge: 245
- Registriert: 17.08.2021 11:03
- Wohnort: Salzburg, Austria
- Has thanked: 23 times
- Been thanked: 157 times
- Kontaktdaten:
Re: B.P. und seine Interpretation zu Atari ...
Bei einer gemütlichen Runde mit Wein (vorzugsweise rot, sehr gerne auch von der schwereren Sorte / Barrique) bin ich auch gern dabei :-)
1200XL hab ich schon, und den 1450XLD gönn ich gerne Wolfram, bis auf den Wein bin ich also genügsam :-)
so long,
Hias
Re: B.P. und seine Interpretation zu Atari ...
Jo, genau auch mein Geschmack!
Olli, ein Faß davon und Du bekommst meinen 1200XL
Hias und andY helfen dann beim leeren...
Lecker Käse dazu, jeder ein Wagenrad ...
keine PN's mehr! Bitte per email kontaktieren! atari1450xld©mega-hz.de
- Mathy
- Beiträge: 1976
- Registriert: 18.06.2021 11:13
- Wohnort: Heerlen, NL
- Has thanked: 980 times
- Been thanked: 601 times
- Kontaktdaten:
Re: B.P. und seine Interpretation zu Atari ...
.
Hallo Leute
Da ihr vier an fast drei Ecken Deutschlands und kurz dahinter wohnt, stelle ich vor, ihr kommt mal (wieder) zu ein Treffen wie die Fujiama. Dauert im nächsten Jahr eine Woche. Da sollte für etwas fermentierter Traubensaft genug Zeit sein.
Zum Thema 14x0XL(D): Dropcheck arbeitet schon eine Weile an der Rekonstruktion der Platine. Mehr dazu gibt es hier auf AtariAge.
Tschüß
Mathy
Hallo Leute
Da ihr vier an fast drei Ecken Deutschlands und kurz dahinter wohnt, stelle ich vor, ihr kommt mal (wieder) zu ein Treffen wie die Fujiama. Dauert im nächsten Jahr eine Woche. Da sollte für etwas fermentierter Traubensaft genug Zeit sein.
Zum Thema 14x0XL(D): Dropcheck arbeitet schon eine Weile an der Rekonstruktion der Platine. Mehr dazu gibt es hier auf AtariAge.
Tschüß
Mathy
Schreibe nicht der Absicht zu, was man mit Dummheit oder Ignoranz erklären kann.
- Sleeπ
- Beiträge: 2237
- Registriert: 18.06.2021 20:58
- Has thanked: 327 times
- Been thanked: 597 times
- Kontaktdaten:
Re: B.P. und seine Interpretation zu Atari ...
Verdammt, ich habe keinen 1200XL/1450XLD und mag keinen Wein, egal welche Sorte. Das ist wohl eine ganz schlechte Kombi...
Das ist beim XEGS übrigens auch so.
Sleeπ
-
Burkhard
- Beiträge: 507
- Registriert: 03.06.2021 21:29
- Has thanked: 10 times
- Been thanked: 41 times
- Kontaktdaten:
Re: B.P. und seine Interpretation zu Atari ...
Da muß ich Dir aber widersprechen! Wenn Du jetzt daraus erkannt hast, daß Bernhard seine Tasten nur verdreht verkabelt hat und seine Taste 4 eigentlich F1 ist etc., dann schau mal weiter den Text über Funktion. Da ist nämlich wieder Taste 1=F1!Sleeπ hat geschrieben: ↑04.09.2024 20:58Also, ich habe das ganze mal auseinandergebröselt...
WENN es überhaupt ein Problem gibt, dann mit der Zuordnung der Tastennummern zu den Funktionen, je nach dem nach welchen Angaben man die Tasten mit dem Tastaturkabel verbindet.
Ich habe jetzt mal die Tastaturmatrix des 1200XL genommen...
Matrix 1200XL.gif
...und die Funktionstasten in die Matrix des 800XL übertragen:
Matrix 800XL.jpg
Daraus ergibt sich folgende Belegung der Funktionstasten am Keyboardstecker:
Wenn man jetzt die zitierten Grafiken zu Grunde legt...Code: Alles auswählen
Taste Pin F1 5/10 F2 5/17 F3 8/10 F4 8/17
W_Bild.jpg
bzw.
M_Bild.jpg
ergibt sich daraus folgende Zuordnung Pin/Buchstabe:
Die Buchstaben eingesetzt in die eingangsseitige Tabelle:Code: Alles auswählen
Pin Nr. Anschluß 5 D 8 C 10 B 17 A
Wenn ich jetzt anhand der Buchstabenkombi mithilfe der Grafik der Tasten...Code: Alles auswählen
Taste Pin F1 5/10 D/B F2 5/17 D/A F3 8/10 C/B F4 8/17 C/A
W_Tasten.jpg
B_Tasten.jpg
...die Nummer der Tasten zuordne, ergibt sich folgendes Bild:
Es ist also F1 = Taste 4, F2 = Taste 3, F3 = Taste 2 und F4 = Taste 1.Code: Alles auswählen
ATARI Pin B.P./W.F. F1 5/10 D/B 4 F2 5/17 D/A 3 F3 8/10 C/B 2 F4 8/17 C/A 1
Im 1200XL-Manual ist die Cursor-Funktion wie folgt beschrieben:
Manual.jpg, was sich mit der Beschreibung von B.P. und W.F. deckt.
Da die Nummerierung der Tasten allerdings gegenläufig ist, ist die Funktion ebenfalls gegenläufig zugeordnet, also erst mal "falsch".
Wenn ich jetzt aber nicht die Grafik der Anschlußleiste, sondern die Tabelle betrachte und diese mit der Grafik vergleiche:
W_Bild.jpg
W_Tabelle.jpg
M_Bild.jpg
B_Tabelle.jpg
fällt, auf daß hier die Zuordnung genau anders herum wie in der zugehörigen Grafikk ist, also richtig herum.
Ob die Zuordnung der Tastennummern nachher richtig oder gespiegelt ist, hängt also davon ab ob man nach der Grafik oder der Tabelle verdrahtet hat.
Der Plan aus der Happy Computer, den ich ebenfalls rausgekramt hatte (aber CC war schneller) ist ohne den Dreher.
Fazit: Beim Erstellen der Grafik ist ein Fehler passiert. Alle anderen Angaben / Tabellen / Zeichnungen sind korrekt.
Deshalb die Arbeit von B.P. so darzustellen als wenn sie durchgängig fehlerhaft ist "B.P. und seine Interpretation zu Atari Erweiterungen - vor Allem...", was die Formulierung bei mir suggeriert hat, und er beratungsresistent ist "Wie kann man ihm das begreifbar machen", halte ich für nicht angebracht. Zudem suggeriert der Ausdruck "gravierende Fehler" bei mir: "Gefahr für den Rechner!, was mitnichten der Fall ist.
Und beratungsresident scheint er auch zu sein. Ich habe ihn schon damals, als er die Page noch verwaltete, auf den Fehler seiner Cusrortasten Schaltung aufmerksam zu machen versucht und das mehrfach ...
Edit: und noch etwas: jemand baut die Tastatur so nach und ein und will gleich zu Anfang testen, wie die Dunkelschaltung des Bildschirms (<Ctrl><F2>) auf schnelleres laden auswirkt und es wird eigentlich die Tastatursperre aktiviert, weil die Taster verdreht sind, der denkt am Ende, er hat sich mit der recht simplen Schaltung irgendwas im XL zerstört!
- Dinadan
- Beiträge: 210
- Registriert: 18.08.2021 17:17
- Has thanked: 367 times
- Been thanked: 104 times
- Kontaktdaten:
Re: B.P. und seine Interpretation zu Atari ...
Es gibt die Webseite nicht mehr und Bernhard ist seit mindestens 16 Jahren nicht mehr mit Atari 8bit aktiv. Vielleicht lässt du es einfach mal gut sein.
- CharlieChaplin
- Beiträge: 1120
- Registriert: 18.06.2021 22:59
- Has thanked: 352 times
- Been thanked: 409 times
- Kontaktdaten:
Re: B.P. und seine Interpretation zu Atari ...
Sehr geehrter Bill Gates,
ich habe einen eklatanten Fehler in Windows '98 gefunden. Wie kann ich Ihnen das bloß begreifbar machen...? Ich hatte das damals schon mehrfach versucht...
MfG - B.M.
ich habe einen eklatanten Fehler in Windows '98 gefunden. Wie kann ich Ihnen das bloß begreifbar machen...? Ich hatte das damals schon mehrfach versucht...
MfG - B.M.
-
Burkhard
- Beiträge: 507
- Registriert: 03.06.2021 21:29
- Has thanked: 10 times
- Been thanked: 41 times
- Kontaktdaten:
Re: B.P. und seine Interpretation zu Atari ...
Seine Page mit dem Fehler ist aber immer noch im Netz verfügbar! ...
Und ich bin nicht Windows Tester !!!
- Olix
- Beiträge: 2415
- Registriert: 17.08.2021 07:06
- Has thanked: 365 times
- Been thanked: 1743 times
- Kontaktdaten:
Re: B.P. und seine Interpretation zu Atari ...
.. ich denke es wird Zeit, dass die kleinen Scharmützel hier langsam beendet werden.
Belasst doch bitte das Thema jetuz dabei.
Belasst doch bitte das Thema jetuz dabei.
Wer ist online?
Mitglieder in diesem Forum: 0 Mitglieder und 1 Gast