Atari XE pcb remake - Erfahrungsaustauch

Moderatoren: Sleeπ, andymanone

Benutzeravatar
Sleeπ
Beiträge: 2237
Registriert: 18.06.2021 20:58
Has thanked: 327 times
Been thanked: 597 times
Kontaktdaten:

Re: Atari XE pcb remake - Erfahrungsaustauch

Beitrag von Sleeπ »

LarryL hat geschrieben:
19.01.2022 18:31
Und ja, ich habe sie erfolgreich mit dem TL866II in ein GAL16V8D gebrannt (die GAL habe ich aus China - neu gibt es die wohl nicht mehr in neu)
Es sollen aber auch ATF16V8 gehen - habe ich aber nicht probiert
Zumindest werden sie bei den "sikor-carts" als Ersatz verwendet:

3. ATF16V8B-15PU (GAL 16V8 replacement)
Sleeπ

Erhard
Beiträge: 1277
Registriert: 04.11.2021 15:52
Has thanked: 155 times
Been thanked: 404 times
Kontaktdaten:

Atari XE pcb remake - Erfahrungsaustauch

Beitrag von Erhard »

Hi,

Sleeπ hat geschrieben:
20.01.2022 06:54
3. ATF16V8B-15PU (GAL 16V8 replacement)
dummerweise gibt es die Teile mit sehr (!) vielen verschiedenen Suffixen hinter ATF16V8. Da gibt es B|BQL|C|CZ mit 7|10|15 mit JU|SU|XU|PU.

Ich hab mal bei einem Anbieter alle ATF16V8 auflisten lassen, womit sich mir ein Teil der Suffixe erschließt:

7, 10 und 15 sind Zeiten in ns, was ich mir auch so gedacht hatte.

Das "Z" steht augenscheinlich für "Zero Power".

Das "P" steht augenscheinlich für "DIP"-Gehäuse, ergo sind J, P, S und X Gehäusetypen.

Den Unterschied zwischen B und C hab ich noch nicht herausgefunden.

Der BQL hat wohl einen automatischen Energiesparmodus, der B wohl nicht, aber es scheint auch einen BQ zu geben.

Und was das U heißt hab ich auch nicht herausgefunden.
Jede Info, die zu Hause auf meinem Rechner liegt habe ich unterwegs nicht verfügbar.
Jede Info, die im Netz liegt finde ich nicht wieder, wenn ich sie benötige.

Erhard
Beiträge: 1277
Registriert: 04.11.2021 15:52
Has thanked: 155 times
Been thanked: 404 times
Kontaktdaten:

Atari XE pcb remake - Erfahrungsaustauch

Beitrag von Erhard »

Hi,

mit dem Videosignal bin ich ziemlich unzufrieden:

Meine XE-Rechner habe ich mit der S-Video Anpassung mit den 75 Ohm Widerständen versehen und jeder dieser Rechner erzeugt ein besseres Bild als das XE Remake.

Ich verwende ein VHQ S-Video Kabel mit einzeln abgeschirmten Leitungen, niederkapazitiv und niederohmig (5-poliges BNC-Kabel).

Auf dem normalen S-Video (Chroma und Luminanz) gibt es das übliche Gekrisselze, Streifen und Schatten und über das UAV gibt es zwar das Gekrisselze so gut wie nicht, aber die GR.0 Schrift wirkt sehr fett und leicht unscharf und die Schatten gibt es auch noch.

Ich würde ja versuchen, dem Remake auch die S-Video Anpassung zu verpassen, aber da der Videokreis anders aussieht als auf den Originalboards wüßte ich nicht, was wo hin muß.

Bis auf die Übung des Lötens von SMD-Komponenten hat sich das Bestücken des UAV für mich bislang nicht gelohnt.

:evil:
Jede Info, die zu Hause auf meinem Rechner liegt habe ich unterwegs nicht verfügbar.
Jede Info, die im Netz liegt finde ich nicht wieder, wenn ich sie benötige.

Erhard
Beiträge: 1277
Registriert: 04.11.2021 15:52
Has thanked: 155 times
Been thanked: 404 times
Kontaktdaten:

Atari XE pcb remake - Erfahrungsaustauch

Beitrag von Erhard »

Hi,

für den Fall, daß es jemanden interessiert:

Ich habe mir die kleine Arbeit gemacht nachzuschauen, ob Panos "Super Video for the 130 XE by Charles Cole, Atari Classics Hardware Editor" implementiert hat und habe dazu Leiterbahnen usw verfolgt.

All die Anpassungen auf die Norm von 75 Ohm Impedanz bei Video scheinen zu fehlen.

Siehe Bild im Anhang:
130X remake S-Video.png
Die Widerstände 150R, 180R, 47R und 100R müssen gemäß der Anleitung 75 Ohm sein. Der 51R Widerstand wird in der Anleitung mit 10R gebrückt, was in 8.2 Ohm resultiert.

Der 10uF Elko wird in der Anleitung durch 100 oder 220 uF ersetzt.

CU, Erhard
Jede Info, die zu Hause auf meinem Rechner liegt habe ich unterwegs nicht verfügbar.
Jede Info, die im Netz liegt finde ich nicht wieder, wenn ich sie benötige.

Online
Benutzeravatar
Olix
Beiträge: 2415
Registriert: 17.08.2021 07:06
Has thanked: 365 times
Been thanked: 1743 times
Kontaktdaten:

Re: Atari XE pcb remake - Erfahrungsaustauch

Beitrag von Olix »

Interessant wäre auch die Ersatzschaltung zur Ezeugung des Composite/FBAS Signals.
Beim XE wird dieses ja normalerweise vom RF-Modulator erzeugt, aber der fehlt ja.

Also muss die Videoschaltung so modifiziert sein, dass das FBAS Signal generiert wird.

Wirklich schade, dass Panos den Schaltplan der Platine nicht veröffentlicht.

FlorianD
Beiträge: 444
Registriert: 19.08.2021 00:18
Has thanked: 88 times
Been thanked: 189 times
Kontaktdaten:

Re: Atari XE pcb remake - Erfahrungsaustauch

Beitrag von FlorianD »

Erhard hat geschrieben:
29.01.2022 17:23
Hi,

für den Fall, daß es jemanden interessiert:

Ich habe mir die kleine Arbeit gemacht nachzuschauen, ob Panos "Super Video for the 130 XE by Charles Cole, Atari Classics Hardware Editor" implementiert hat und habe dazu Leiterbahnen usw verfolgt.

All die Anpassungen auf die Norm von 75 Ohm Impedanz bei Video scheinen zu fehlen.

Siehe Bild im Anhang:

130X remake S-Video.png

Die Widerstände 150R, 180R, 47R und 100R müssen gemäß der Anleitung 75 Ohm sein. Der 51R Widerstand wird in der Anleitung mit 10R gebrückt, was in 8.2 Ohm resultiert.

Der 10uF Elko wird in der Anleitung durch 100 oder 220 uF ersetzt.

CU, Erhard
Danke, lieber Erhard,
dass Du dir dir Mühe gemacht hast das nachzuverfolgen!
Ich habe den Mod gleich ausgeführt.
Wobei ich gar nicht weiß, ob das nötig war. Das original Video nutze ich gar nicht, sondern gleich das UAV. Aber schon aus Prinzip sollte das richtig gemacht werden.

Benutzeravatar
Sleeπ
Beiträge: 2237
Registriert: 18.06.2021 20:58
Has thanked: 327 times
Been thanked: 597 times
Kontaktdaten:

Re: Atari XE pcb remake - Erfahrungsaustauch

Beitrag von Sleeπ »

Ich habe den Mod in das Sammelthem übernommen.

Thx
Sleeπ

Erhard
Beiträge: 1277
Registriert: 04.11.2021 15:52
Has thanked: 155 times
Been thanked: 404 times
Kontaktdaten:

Atari XE pcb remake - Erfahrungsaustauch

Beitrag von Erhard »

Hallo,

FlorianD hat geschrieben:
30.01.2022 18:23
Ich habe den Mod gleich ausgeführt. Wobei ich gar nicht weiß, ob das nötig war. Das original Video nutze ich gar nicht, sondern gleich das UAV.
bei meinen "normalen" 130XE Rechnern ist das Videosignal via S-Video dadurch besser geworden.

Bei dem XE-Remake ist mir nur eine sehr leichte Verbesserung aufgefallen.

Ich hatte auch versucht (wie bereits geschrieben) das UAV zu nutzen und dabei ein schlechteres Bild (fette Buchstaben mit Schatten) erhalten als über S-Video.

Ich hatte mit den Jumpern für Video ein wenig herumexperimentiert und als bestes Bild eine Mischung aus UAV und XE gefunden: Luminanz vom XE und Chroma vom UAV.

Durch den jetzt nachträglich erfolgten Umbau mit den 75-Ohm Widerstaänden usw hab ich noch etwas weniger Streifen und Gekrisselze im Bild.

Ich wüßte auch gerne, wie das UAV angeschlossen ist: hängt es hinter der Schaltung vom XE, die das Bild generiert oder parallel dazu? Gibt es irgendwo eine Einbauanleitung für das UAV in XL/XE Rechner oder gar einen Schaltplan vom UAV?

Und wieviel Einfluß auf die Signale des XE hat das UAV? (Sprich: wäre das S-Video-Signal vom XE besser wenn ich das UAV nicht bestückt hätte?)

Ich wüßte auch gerne, warum ich mit dem UAV kein so gutes Bild bekomme. Ich glaube nicht, daß ich mich bei der Bestückung vertan hab, aber ein Bild von meinem UAV existiert ja hier in einem meiner Beiträge. Werft gerne mal einen Blick drauf, vielleicht hab ich was versaubeutelt.

CU, Erhard
Jede Info, die zu Hause auf meinem Rechner liegt habe ich unterwegs nicht verfügbar.
Jede Info, die im Netz liegt finde ich nicht wieder, wenn ich sie benötige.

Online
Benutzeravatar
Olix
Beiträge: 2415
Registriert: 17.08.2021 07:06
Has thanked: 365 times
Been thanked: 1743 times
Kontaktdaten:

Re: Atari XE pcb remake - Erfahrungsaustauch

Beitrag von Olix »

Ich habe im AtariAge Forum jetzt mal angefragt, ob sich Santosp vielleicht erbarmt und zumindest den Schaltplan des Videobereichs veröffentlicht. Vielleicht haben wir ja Glück und er ist dazu bereit.
Ansonsten wäre es mal einen Versuch wert, die von ihm verwendeten Transistoren 1N4401 gegen die im Original verwendeten 2N3904 zu tauschen. Dies hat anscheinend (laut AtariAge Forum) schon zu Verbesserungen geführt:

https://atariage.com/forums/topic/31988 ... nt=4995039

Ich hatte ihn auch schon mal gefragt, warum er die 4401 anstatt der 3904 verwendet hat. Die Antwort war Sinngemäß, weil er diese halt gerade noch vorrätig hatte. Möglicherweise weichen die elektrischen Eigenschaften dieser Transistore eben doch ein wenig mehr von denen aus der Originalschaltung ab.

Erhard
Beiträge: 1277
Registriert: 04.11.2021 15:52
Has thanked: 155 times
Been thanked: 404 times
Kontaktdaten:

Atari XE pcb remake - Erfahrungsaustauch

Beitrag von Erhard »

Hi,

Olix hat geschrieben:
03.02.2022 08:51
die von ihm verwendeten Transistoren 1N4401 gegen die im Original verwendeten 2N3904 zu tauschen
ich hatte ohnehin direkt 2N390x verwendet.
Jede Info, die zu Hause auf meinem Rechner liegt habe ich unterwegs nicht verfügbar.
Jede Info, die im Netz liegt finde ich nicht wieder, wenn ich sie benötige.

Online
Benutzeravatar
Olix
Beiträge: 2415
Registriert: 17.08.2021 07:06
Has thanked: 365 times
Been thanked: 1743 times
Kontaktdaten:

Re: Atari XE pcb remake - Erfahrungsaustauch

Beitrag von Olix »

Erhard hat geschrieben:
10.02.2022 08:16
ich hatte ohnehin direkt 2N390x verwendet.
Mir ist noch aufgefallen, dass der Q7 (PNP) im Original aber ein MPSA55 ist und kein 2N3906.

Erhard
Beiträge: 1277
Registriert: 04.11.2021 15:52
Has thanked: 155 times
Been thanked: 404 times
Kontaktdaten:

Atari XE pcb remake - Erfahrungsaustauch

Beitrag von Erhard »

Hi,

Olix hat geschrieben:
10.02.2022 09:26
Mir ist noch aufgefallen, dass der Q7 (PNP) im Original aber ein MPSA55 ist und kein 2N3906
schau ich mir gelegentlich mal an.

Wenigstens wird das Teil so langsam fertig. In der Bestückung fehlen noch der DVI-Anschluß, da muß ich vorher noch das Gehäuse schnitzen (hat da jemand eine Idee, denn das vorhandene Rundloch ist ja zu groß) und der DIP-Schalter für die SRAM.
IMG_20220210_105646.png
Der Ausschnitt für den PS/2 Anschluß ist so einigermaßen geworden. Ist gar nicht so einfach, da die Mitte zu treffen.
IMG_20220210_105723.png
IMG_20220210_105723.png (600.16 KiB) 21511 mal betrachtet
CU, Erhard
Jede Info, die zu Hause auf meinem Rechner liegt habe ich unterwegs nicht verfügbar.
Jede Info, die im Netz liegt finde ich nicht wieder, wenn ich sie benötige.

Erhard
Beiträge: 1277
Registriert: 04.11.2021 15:52
Has thanked: 155 times
Been thanked: 404 times
Kontaktdaten:

Atari XE pcb remake - Erfahrungsaustauch

Beitrag von Erhard »

So, und hier noch die Seite mit DVI und Audio.

Ich glaube, ich mach von innen über der DVI-Buchse noch ein Schild mit "Sophia-2 DVI-A/D", was den Leerraum verdeckt.
130-XE-REMAKE-DVI-Audio.png
Jede Info, die zu Hause auf meinem Rechner liegt habe ich unterwegs nicht verfügbar.
Jede Info, die im Netz liegt finde ich nicht wieder, wenn ich sie benötige.

Online
Benutzeravatar
Olix
Beiträge: 2415
Registriert: 17.08.2021 07:06
Has thanked: 365 times
Been thanked: 1743 times
Kontaktdaten:

Re: Atari XE pcb remake - Erfahrungsaustauch

Beitrag von Olix »

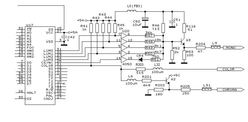
Für alle die den Ehrgeiz haben die integrierte Grafik (also ohne UAV) durch einen SVideoMOD zu verbessern habe ich mal den Video-Part der neuen XE Platine nachverfolgt.
Der eigentliche Videoteil ist (bis auf zwei veränderte Werte: R46=1k5 statt 1k6 und R203=5k6 statt 3k3) identisch mit dem Original-Schaltplan. Und die Ersatzschaltung zur Erzeugung des FBAS-Signals entspricht der Schaltung wie sie auf der Originalplatine im RF-Modulator aufgebaut ist.

Da ja aber auf der neuen XE-Platine die Bauteile nur mit ihren Werten und nicht mit ihrer Bauteilnummer bedruckt sind, lassen sich die Bauteile nicht auf die schnelle der Schaltung zuordnen.
Aus diesem Grund, als Erleichterung für Modifikationen, hier meine Erkenntnisse in Form von drei Grafiken:

1. Ergänzung der Platinenbeschriftung um Bauteilenummern (nur für die Bauteil die für das Videosignal relevant sind):
PCB Video Bauteile.png
Bauteile mit einem V (z.B. RV1) sind Teil der FBAS-Mischstufe)

2. Die FBAS-Mischstufe zur Erzeugung des Component Signals
FBAS-Mischstufe.png
3. Die Video-Signalerzeugung mit den hier verwendeten Anpassungen
Schematic-Video.png
Schematic-Video.png (6.17 KiB) 21347 mal betrachtet
@Sleeπ : Die Dateien vielleicht auch in den XE-PXB Sammelbeitrag kopieren?

Erhard
Beiträge: 1277
Registriert: 04.11.2021 15:52
Has thanked: 155 times
Been thanked: 404 times
Kontaktdaten:

Atari XE pcb remake - Erfahrungsaustauch

Beitrag von Erhard »

Hi,

das Demo Joyride läuft bei mir nicht richtig auf dem XE Remake.

Dagegen läuft es problemlos auf meinem 130 XE mit 1 MB Newll Ramdisk....

Oli, wie sieht das bei Dir aus?

Sonst jemand?

CU, Erhard
Jede Info, die zu Hause auf meinem Rechner liegt habe ich unterwegs nicht verfügbar.
Jede Info, die im Netz liegt finde ich nicht wieder, wenn ich sie benötige.

Online
Benutzeravatar
Olix
Beiträge: 2415
Registriert: 17.08.2021 07:06
Has thanked: 365 times
Been thanked: 1743 times
Kontaktdaten:

Re: Atari XE pcb remake - Erfahrungsaustauch

Beitrag von Olix »

Ich werde das mit der Demo heute Abend mal testen.
Wo kann ich mir das herunterladen?

Erhard
Beiträge: 1277
Registriert: 04.11.2021 15:52
Has thanked: 155 times
Been thanked: 404 times
Kontaktdaten:

Atari XE pcb remake - Erfahrungsaustauch

Beitrag von Erhard »

Hi,

gibts zum Beispiel bei Fandal:

https://a8.fandal.cz/detail.php?files_id=3590

Ich kann es aber auch einfach per eMail schicken.

Dann muß ich Dir auch noch einen Screenshot schicken damit Du sehen kannst, ab wo es bei mir nicht mehr geht.

CU, Erhard
Jede Info, die zu Hause auf meinem Rechner liegt habe ich unterwegs nicht verfügbar.
Jede Info, die im Netz liegt finde ich nicht wieder, wenn ich sie benötige.

Online
Benutzeravatar
Olix
Beiträge: 2415
Registriert: 17.08.2021 07:06
Has thanked: 365 times
Been thanked: 1743 times
Kontaktdaten:

Re: Atari XE pcb remake - Erfahrungsaustauch

Beitrag von Olix »

Erhard hat geschrieben:
11.03.2022 14:43


Dann muß ich Dir auch noch einen Screenshot schicken damit Du sehen kannst, ab wo es bei mir nicht mehr geht.
Bitte noch den Screenshot posten!

Erhard
Beiträge: 1277
Registriert: 04.11.2021 15:52
Has thanked: 155 times
Been thanked: 404 times
Kontaktdaten:

Atari XE pcb remake - Erfahrungsaustauch

Beitrag von Erhard »

Hi,

scheint ein Problem mit dem HighSpeed OS zu sein ... ich hab mal den Author des HighSpeed OS angeschrieben.

Hier die Bilder:

XL/XE OS:
Joyride-OK.png
Joyride-OK.png (1.88 KiB) 21145 mal betrachtet
HighSpeed OS:
Joyride-ERR.png
Joyride-ERR.png (114.6 KiB) 21145 mal betrachtet
Ich schätze, die durch das HighSpeed OS genutzen Speicherstellen für die Geschwindigkeitstabelle werden auch vom Demo benutzt. Aber ich meld mich, wenn ich mehr weiß.

CU, Erhard
Jede Info, die zu Hause auf meinem Rechner liegt habe ich unterwegs nicht verfügbar.
Jede Info, die im Netz liegt finde ich nicht wieder, wenn ich sie benötige.

Online
Benutzeravatar
Olix
Beiträge: 2415
Registriert: 17.08.2021 07:06
Has thanked: 365 times
Been thanked: 1743 times
Kontaktdaten:

Re: Atari XE pcb remake - Erfahrungsaustauch

Beitrag von Olix »

Also ich hatte das selbe Erscheinungsbild.
Nach Tausch des HiSpeed OS gegen ein Original Rev2 OS wars aber mich etwas besser, aber beim Laden des nächstens Screens wieder der einfarbige Hintergrund..

Nachdem ich dann noch das TK-II PS2 Modul entfernt hatte gings!

Mit HispeedOS und OHNE TK-II aber wieder nicht.

Altirra mit HiSpeed OS: Keine Probleme.

Muss das mal noch an einem anderen (Un-Rrweiterten) XL-Rechner quer testen, komm ich aber erst morgen dazu.

Benutzeravatar
CharlieChaplin
Beiträge: 1120
Registriert: 18.06.2021 22:59
Has thanked: 352 times
Been thanked: 409 times
Kontaktdaten:

Re: Atari XE pcb remake - Erfahrungsaustauch

Beitrag von CharlieChaplin »

Olix hat geschrieben:
29.01.2022 18:07
Interessant wäre auch die Ersatzschaltung zur Ezeugung des Composite/FBAS Signals.
Beim XE wird dieses ja normalerweise vom RF-Modulator erzeugt, aber der fehlt ja.

Also muss die Videoschaltung so modifiziert sein, dass das FBAS Signal generiert wird.

Wirklich schade, dass Panos den Schaltplan der Platine nicht veröffentlicht.
Ich glaube da habe ich bei Atarionline.pl etwas gefunden, eine kleine Platine zu diesem Zweck. Bilder (mehr gibt es leider nicht) und Übersetzung via Google, sofern das was hilft: https://atarionline-pl.translate.goog/f ... app#Item_0

Erhard
Beiträge: 1277
Registriert: 04.11.2021 15:52
Has thanked: 155 times
Been thanked: 404 times
Kontaktdaten:

Atari XE pcb remake - Erfahrungsaustauch

Beitrag von Erhard »

Hi,

Olix hat geschrieben:
11.03.2022 18:23
Mit HispeedOS und OHNE TK-II aber wieder nicht.
das TK-II schien bei mir nicht zu stören, aber ich hatte keine Tastatur am TK-II.

Eine RAM-Erweiterung scheint Joyride nicht zu brauchen, zumindest hatte ich die im Remake bei erfolgreichen Versuchen mit XL/XE OS ausgeschaltet.

CU, Erhard
Jede Info, die zu Hause auf meinem Rechner liegt habe ich unterwegs nicht verfügbar.
Jede Info, die im Netz liegt finde ich nicht wieder, wenn ich sie benötige.

Erhard
Beiträge: 1277
Registriert: 04.11.2021 15:52
Has thanked: 155 times
Been thanked: 404 times
Kontaktdaten:

Atari XE pcb remake - Erfahrungsaustauch

Beitrag von Erhard »

Hi,

auf meinem 800 XL Remake (kein TK-II) gibt es mit dem HighSpeed-OS das gleiche Problem bei Joyride.

CU, Erhard
Jede Info, die zu Hause auf meinem Rechner liegt habe ich unterwegs nicht verfügbar.
Jede Info, die im Netz liegt finde ich nicht wieder, wenn ich sie benötige.

Erhard
Beiträge: 1277
Registriert: 04.11.2021 15:52
Has thanked: 155 times
Been thanked: 404 times
Kontaktdaten:

Atari XE pcb remake - Erfahrungsaustauch

Beitrag von Erhard »

Hi,

Erhard hat geschrieben:
12.03.2022 08:34
HighSpeed-OS das gleiche Problem bei Joyride
[PANIC OFF]

es hat sich herausgestellt, daß Joyride nicht mit Highspeed kompatibel ist.

Keine Anzeichen für Probleme, die auf Board, RAM-Erweiterung oder TK-II beruhen.

Puh, :-)
Jede Info, die zu Hause auf meinem Rechner liegt habe ich unterwegs nicht verfügbar.
Jede Info, die im Netz liegt finde ich nicht wieder, wenn ich sie benötige.

Benutzeravatar
dl7ukk
Beiträge: 672
Registriert: 25.08.2021 23:03
Has thanked: 141 times
Been thanked: 175 times
Kontaktdaten:

Re: Atari XE pcb remake - Erfahrungsaustauch

Beitrag von dl7ukk »

es hat sich herausgestellt, daß Joyride nicht mit Highspeed kompatibel ist.

Keine Anzeichen für Probleme, die auf Board, RAM-Erweiterung oder TK-II beruhen.

Puh, :-)
1.png
1.png (28.14 KiB) 21044 mal betrachtet

Sonntagsgruß

dl7ukk

Erhard
Beiträge: 1277
Registriert: 04.11.2021 15:52
Has thanked: 155 times
Been thanked: 404 times
Kontaktdaten:

Atari XE pcb remake - Erfahrungsaustauch

Beitrag von Erhard »

Nach neuerlichen Diskussionen über Video-Verbesserungen habe ich mir noch mal mein 130 XE Remake zu Gemüte geführt.

Ich hatte ja bereits erwähnt, daß bei mir das Luma-Signal vom UAV nicht so doll ist: Schrift in GR.0 (z.B. das BASIC Ready) ist relativ fett.

Darauf hin habe ich versucht, mit dem Oszilloskop auf dem UAV irgendwelche Signale zu finden.

Dabei war mir aufgefallen, daß am 2N7000 quasi scheinbar überhaupt nix passiert, worauf hin ich mich eines Beitrags erinnert habe, daß der eventuell entgegen dem Aufdruck um 180 Grad gedreht eingebaut werden muß. Ich hab dann in ein Datenblatt geschaut und dann festgestellt: jau, ist offenbar falsch herum drin.

Also hab ich das Teil mühsam ausgelötet, das ging aber aufgrund der unnötig winzigen Lötaugen nur mit abkneifen und Pins einzeln rausziehen.

Laut Messung der Platine von der Bestückungsseite ist

/ 2 \
| 1 3|
----------

Pin 1 Masse.

Laut Datenblatt ist Pin 1 Drain eines N-Kanal-FETs.

Dann habe ich den 2N7000 noch einmal mit einem T7-H durchgemessen und nach der Messung ist Pin 1 ganz einwandfrei Source. Ergo ist das Datenblatt (ONSEMI) falsch und der FET war richtig herum eingebaut.

Jetzt hab ich das Board aber noch einmal ohne den FET ausprobiert und seltsamerweise funktionieren Chroma und Luma trotzdem. Also wie jetzt? Wofür ist denn dann der FET?

Ergebnis der Aktion: Null Lernerfolg, verschwendete Zeit und ein sinnlos zerrupfter 2N7000.
Jede Info, die zu Hause auf meinem Rechner liegt habe ich unterwegs nicht verfügbar.
Jede Info, die im Netz liegt finde ich nicht wieder, wenn ich sie benötige.

Benutzeravatar
dl7ukk
Beiträge: 672
Registriert: 25.08.2021 23:03
Has thanked: 141 times
Been thanked: 175 times
Kontaktdaten:

Re: Atari XE pcb remake - Erfahrungsaustauch

Beitrag von dl7ukk »

Hallo Erhard,

wirklich mitreden kann ich hier nicht. XE pcb remake ist nix für mich.

Aber ein falsches Datenblatt ist ungefähr so, wie zwei Züge auf einem Gleis oder ein Güterwagen, der neben der Schiene steht ...

Daher habe ich in zwei Datenblätter (Reichelt & Co) und auf der Website von ONSEMI geschaut. Da scheint es zu stimmen.
PIN 1 = Source
photo_2022-07-10_18-42-40.jpg
photo_2022-07-10_18-42-40.jpg (20.15 KiB) 19738 mal betrachtet

dl7ukk
Dateianhänge
NDS7002A_D-1522662.pdf
(284.88 KiB) 298-mal heruntergeladen
2N7000-UTC.PDF
(251.93 KiB) 360-mal heruntergeladen

Erhard
Beiträge: 1277
Registriert: 04.11.2021 15:52
Has thanked: 155 times
Been thanked: 404 times
Kontaktdaten:

Atari XE pcb remake - Erfahrungsaustauch

Beitrag von Erhard »

Damit sich hier keiner auf "glauben" verlassen muß ... s. Anhang.
Dateianhänge
2N7000.pdf
(285.65 KiB) 423-mal heruntergeladen
Jede Info, die zu Hause auf meinem Rechner liegt habe ich unterwegs nicht verfügbar.
Jede Info, die im Netz liegt finde ich nicht wieder, wenn ich sie benötige.

Benutzeravatar
dl7ukk
Beiträge: 672
Registriert: 25.08.2021 23:03
Has thanked: 141 times
Been thanked: 175 times
Kontaktdaten:

Re: Atari XE pcb remake - Erfahrungsaustauch

Beitrag von dl7ukk »

...

und dann wundern wir uns, daß Flugzeug, Eisenbahnen & Schiffe zusammenstoßen

oh,oh


dl7ukk

Benutzeravatar
24sumo
Beiträge: 250
Registriert: 17.08.2021 08:53
Has thanked: 119 times
Been thanked: 54 times
Kontaktdaten:

Re: Atari XE pcb remake - Erfahrungsaustauch

Beitrag von 24sumo »

Rev 6 des Dokuments ist aber in sich auch nicht konsistent falsch was die Nummerierung der PIN's betrifft. Auf der drittletzten Seite ist die Nummerierung bei der Draufsicht so wie sie vorher bis Rev 5 auch war. Bernhard

Erhard
Beiträge: 1277
Registriert: 04.11.2021 15:52
Has thanked: 155 times
Been thanked: 404 times
Kontaktdaten:

Atari XE pcb remake - Erfahrungsaustauch

Beitrag von Erhard »

Hi,

24sumo hat geschrieben:
11.07.2022 21:19
Draufsicht
wie kommst Du darauf, daß es sich um eine _Draufsicht_ handelt?

Nach meinem Eindruck ist das ein Blick von unten auf die Pins ...
Jede Info, die zu Hause auf meinem Rechner liegt habe ich unterwegs nicht verfügbar.
Jede Info, die im Netz liegt finde ich nicht wieder, wenn ich sie benötige.

Benutzeravatar
24sumo
Beiträge: 250
Registriert: 17.08.2021 08:53
Has thanked: 119 times
Been thanked: 54 times
Kontaktdaten:

Re: Atari XE pcb remake - Erfahrungsaustauch

Beitrag von 24sumo »

Ok, ich gebe zu dass ich keine Ahnung habe - es kann auch "von unten" sein. Wollte mal schnell die entsprechende Norm ansehen - aber dass braucht mehr als 5 Minuten, was es mir nicht Wert ist. Google spuckt mir Angebote für 2-Tage Schulung für die Norm raus... :oops: Ist aber letztendlich auch egal, weil Rev5 und 6 bzgl. dieser Darstellung gleich sind, aber die 1. Seite in den Revisionen eine abweichende Pinnummerierung hat (vllt. erklärt sich dass ja über den Verweis auf die jeweilige Norm, die es auch noch in unterschiedlichen Revisionen gibt). Ich gebe auf :!: Grüße Bernhard

Erhard
Beiträge: 1277
Registriert: 04.11.2021 15:52
Has thanked: 155 times
Been thanked: 404 times
Kontaktdaten:

Atari XE pcb remake - Erfahrungsaustauch

Beitrag von Erhard »

24sumo hat geschrieben:
13.07.2022 20:31
Ich gebe auf
Tja, ich guck da auch immer dumm aus der Wäsche. Die könnten ja einfach "top view" oder "bottom view" dabeischreiben, aber neeee.

24sumo hat geschrieben:
13.07.2022 20:31
Wollte mal schnell die entsprechende Norm ansehen
Ich würde vermuten, daß da jeder einfach seine eigene Norm hat nach dem Motto: "ich (und mich ich meine ich die) weiß ja was gemeint ist" :-)
Jede Info, die zu Hause auf meinem Rechner liegt habe ich unterwegs nicht verfügbar.
Jede Info, die im Netz liegt finde ich nicht wieder, wenn ich sie benötige.

Benutzeravatar
Sleeπ
Beiträge: 2237
Registriert: 18.06.2021 20:58
Has thanked: 327 times
Been thanked: 597 times
Kontaktdaten:

Re: Atari XE pcb remake - Erfahrungsaustauch

Beitrag von Sleeπ »

Erhard hat geschrieben:
13.07.2022 21:25
...könnten ja einfach "top view" oder "bottom view" dabeischreiben...
Das wäre ja nun wirklich zu einfach - wo bleibt dann der der (Rate-) Spaß? :mrgreen:


Soweit ich es noch aus der Ausbildung kenne, liegen massiv gezeichnete Linien über dem Grundkörper, gestrichelte Linien unter dem Grundkörper.

Würde bei einem Transistor bedeuten: Sind die Kontakte , die in der Zeichnung im Bereich des Grundkörpers liegen, gestrichelt handelt es sich um eine Ansicht von oben, sind es durchgezogene Linien ist es eine Ansicht von unten. Das setzt natürlich auch voraus dass sich der Ersteller der Zeichnung an die Norm hält...
Sleeπ

Bernd
Beiträge: 464
Registriert: 17.08.2021 17:22
Has thanked: 115 times
Been thanked: 171 times
Kontaktdaten:

Re: Atari XE pcb remake - Erfahrungsaustauch

Beitrag von Bernd »

Es gibt einen einfachen Bauteile Tester, der mir schon einige Male geholfen hat.
In der Rezensionen gibt es dazu folgenden Hinweis...
Es können u. A. Transistoren FET's und MOSFet’s gemessen werden. Hier wird auch gleich die Anschlussbelegung sowie die die Durchlassspannung ermittelt und dargestellt.
Leider haben die Preise auch ganz schön angezogen, ich habe damals gerade mal 14€ dafür abgedrückt.

https://www.amazon.de/Transistor-Tester ... 424&sr=8-2

Erhard
Beiträge: 1277
Registriert: 04.11.2021 15:52
Has thanked: 155 times
Been thanked: 404 times
Kontaktdaten:

Atari XE pcb remake - Erfahrungsaustauch

Beitrag von Erhard »

Hi,

@bernd

mir ist das ja auch nur bei einem Test aufgefallen und wie Du in meinem Beitrag weiter oben siehst, habe ich mit dem T7-H wohl ungefähr das gleiche Teil was Du verlinkt hast. Sieht auf jeden Fall genauso aus.

Wär aber schon irgendwie doof, wenn man jetzt nicht nur ins Datenblatt gucken sondern auch noch mit Meßgeräten gegentesten muß. Na ja, ist ja nicht die Regel.

CU, Erhard
Jede Info, die zu Hause auf meinem Rechner liegt habe ich unterwegs nicht verfügbar.
Jede Info, die im Netz liegt finde ich nicht wieder, wenn ich sie benötige.

Erhard
Beiträge: 1277
Registriert: 04.11.2021 15:52
Has thanked: 155 times
Been thanked: 404 times
Kontaktdaten:

Atari XE pcb remake - Erfahrungsaustauch

Beitrag von Erhard »

Hallo,

ich habe gestern noch an meinen verschiedenen Remake-Boards noch einige Arbeiten und Tests durchgeführt und dabei auch mein zweites, teilbestückt gekauftes 130XE Remake nochmal unter die Lupe genommen.

Bislang hatte das beim Bewegen der Platine Bildstörungen und ich hatte schon vor, alle Federkontaktsockel runterzurupfen und neue Sockel aufzulöten und habe sogar Leiterbahnhaarrisse in Betracht gezogen.

Bei Reinigungsarbeiten an den SMD-Lötstellen des UAV ist mir dann eine winzige Lötzinnperle aufgefallen, die zwischen den Beinchen eines Chips hin und her kullerte. Nach Entsorgen der Lötzinnperle und Neuverlötung des Chips waren dann die Bildstörungen weg.

Allerdings gab es immer noch dubiose Probleme beim Einschalten und beim Speichertest.

Ich habe dann die Inhalte der beiden GALs mit denen der GALs meines ersten XE-Remakes verglichen.

Der Vergleich der Inhalte der 16V8 ergab Unterschiede.
Der Vergleich der Inhalte der 22V10 ergab Unterschiede.

Das 16V8 habe ich konnte ich erfolgreich neu programmieren.
Ich habe allerdings verschiedene .JED Dateien (unterschiedliche Bitmuster) für den C061618.
Vermutlich müßte ich die reassmblieren um zu schauen, ob da Logikgleichungen bei rauskommen, die das gleiche bewirken.
Ich hab einfach das genommen, was im 16V8 des ersten Boards drin war.

Das ATMEL 22V10B meldete beim Versuch der Neuprogrammierung immer wieder irgendwelche FUSE Fehler, jedes mal eine andere FUSE.
Keine Ahnung ob das Teil kaputt ist.
Ich hatte dann glücklicherweise in meinem eigenen Fundus noch ein neues LATTICE 22V10B und konnte das erfolgreich mit Hias v1.3 programmieren.

Seitdem scheint das zweite Board auch zu funktionieren.

Mit dem Speichertestprogramm SYSTEST habe ich folgendes Verhalten (auf allen getesteten Rechnern):

Wenn ich BASIC an lasse wird offenbar dennoch der Bereich von A000 bis BFFF getestet und die entsprechenden Speicherstellen werden auf dem Bildschirm als offenbar fehlerhaft angezeigt.

Erhard
Jede Info, die zu Hause auf meinem Rechner liegt habe ich unterwegs nicht verfügbar.
Jede Info, die im Netz liegt finde ich nicht wieder, wenn ich sie benötige.

Erhard
Beiträge: 1277
Registriert: 04.11.2021 15:52
Has thanked: 155 times
Been thanked: 404 times
Kontaktdaten:

130XE Remake - ein sehr merkwürdiges Problem

Beitrag von Erhard »

Edit: Die Infos hier sind in das Thema "130XE Remake - ein sehr merkwürdiges Problem" angehängt worden.


Hallo,

ich habe auf einem 130XE Remake versucht, das Spiel Bunny Hop aus dem ASC 2022 (MAG150C.ATR) zu starten.

Es erscheint folgende Meldung:

"This program requires 130XE!"

Das passiert bei allen Modi der RAMDISK.

Ich habe das dann auch mit meinem zweiten 130XE Remake versucht -> gleicher Fehler.

Dann habe ich das auf meinem 130XE mit Newell 1MB versucht -> Spiel läuft.

Ich bin dann hergegangen und habe das Spiel nach dem RAMDISK-Test durchsucht. Der liegt in dem Segment $2000-$20AC, was ich mir dann für weitere Versuche extrahiert und allein lauffähig gemacht habe.

Die Versuche auf einem der 130XE Remakes haben bislang wie folgt ergeben:

Wenn ich den Rechner einschalte, ein DOS lade (in meinem Fall SpartaDOS 3.3b) und dann die Testroutine starte kommt der Fehler.

Eine Kontrolle mit dem Freezer ergibt, daß in Speicherstelle $4000 bei $D301=$E7 nicht der Prüfwert drin steht.

Wenn ich dann den Rechner neu starte (das ist ein Kaltstart ohne Aus- und wieder Einschalten) und den Test nochmal laufen lasse, dann klappt er jedes mal.

Neuer Test A: ich schalte den Rechner aus, lade Bug65 nach $2000, verlasse Bug65 wieder und starte dann den Test -> Fehler
Nächster Test: wie A, aber ich schreibe im Bug65 den Wert $FF in $D301 -> Fehler
Nächster Test: wie A, aber ich schreibe im Bug65 den Wert $E3 in $D301 und dann wieder $FF -> Fehler
Nächster Test: wie A, aber ich schreibe im Bug65 den Wert $E3 in $D301, dann irgendeinen Wert nach $4000, dann $D301 wieder auf $FF -> kein Fehler

Den letzten Vorgang wiederholt, den Test nicht gestartet aber das Spiel -> funktioniert.

Nun bin ich gespannt, wer hierzu was rausfindet.

Natürlich könnte ich einfach das Spiel patchen, aber es geht ja darum herauszufinden, warum sich die Ramdisk nach einem Kaltstart mit Ausschalten so seltsam verhält.

Ach ja, und natürlich ergeben Tests der Ramerweiterung mit SysCheck, XRAM021 und SIMTEST keine Fehler.
Jede Info, die zu Hause auf meinem Rechner liegt habe ich unterwegs nicht verfügbar.
Jede Info, die im Netz liegt finde ich nicht wieder, wenn ich sie benötige.

Erhard
Beiträge: 1277
Registriert: 04.11.2021 15:52
Has thanked: 155 times
Been thanked: 404 times
Kontaktdaten:

130XE Remake - ein sehr merkwürdiges Problem

Beitrag von Erhard »

Offenbar hat außer mir niemand ein 130XE Remake?

Falls doch bitte ich darum einmal zu schauen, ob das Verhalten auch auf diesem System auftritt.
Jede Info, die zu Hause auf meinem Rechner liegt habe ich unterwegs nicht verfügbar.
Jede Info, die im Netz liegt finde ich nicht wieder, wenn ich sie benötige.

Benutzeravatar
RhoSigma
Beiträge: 112
Registriert: 29.04.2024 22:44
Has thanked: 4 times
Been thanked: 19 times
Kontaktdaten:

Re: 130XE Remake - ein sehr merkwürdiges Problem

Beitrag von RhoSigma »

Poste doch mal den Test, dann kann das einer ausprobieren...

Antworten

Wer ist online?

Mitglieder in diesem Forum: 0 Mitglieder und 1 Gast