Projekt: 600XL-Ersatzplatine

Moderatoren: Sleeπ, andymanone

Antworten
Online
Benutzeravatar
Kveldulfur
Beiträge: 1104
Registriert: 17.08.2021 02:32
Has thanked: 573 times
Been thanked: 511 times
Kontaktdaten:

Projekt: 600XL-Ersatzplatine

Beitrag von Kveldulfur »

Hallo Leute!

Seit knapp 1,5 Jahren bastel ich an einer Ersatz-Platine für den 600XL.
Gestern habe ich nun endlich den zweiten Prototypen in Betrieb nehmen können und konnte erfreut feststellen, dass dieser funktioniert. Nachdem Jürgen (tf_hh) die Fehlersuche beim ersten Prototypen übernommen hatte, war es aber auch fast schon zu erwarten, dass die zweite Platine funktioniert. :-)
Lediglich den PokyMAX konnte ich noch nicht testen, da mein Exemplar sich leider etwas quer gestellt hat. Aus diesem Grund kann ich auch die Gerber-Dateien noch nicht frei geben. Aber sobald der PokeyMAX getestet wurde, kann man auf meiner Webseite die Gerber-Dateien herunterladen. Neben diesen findet man dort auch eine Menge Infos zur Platine und die Bauteilliste.

Ich möchte darauf Hinweisen, dass die meisten Erweiterungen von MyTek kommen und von mir nur übernommen wurden. Ich selbst kann keine Erweiterungen entwickeln ;-)
PCB.jpg
PCB.jpg (432.54 KiB) 34701 mal betrachtet
Was kann nun diese Platine?

Sie hat
- 64kByte SRAM - Hauptspeicher
- 512kByte SRAM - Erweiterungsspeicher (512kB Rambo oder 256kB CompyShop)
- UGV Bildaufbereitung (inkl. V-Gate)
- DualPokey
- 4-fach OS-Umschaltung
- BASIC-ROM kann als org. ROM oder EPROM eingesetzt werden

Ausserdem Stiftleisten für den einfachen Einbau von:

- VBXE XL-Variante
- PokeyMax (statt DualPokey), wobei der PokeyMax den interne Audio-Schaltkreis nutzt und somit alle Soundquellen mit eingemischt werden.
- Interner SIO+ Port für ein internes FujiNet (in Vorbereitung)
- zusätzlicher interner Tastaturanschluß (für Mini-Tastatur o.ä.)
- MiniDIN-10-Buchse (SEGA SATURN Buchse) für VBXE XL (RGB), S-Video, Composite und Stereo-Betrieb
PCB-Bestuekt.jpg
PCB-Bestuekt.jpg (437.04 KiB) 34701 mal betrachtet
Da ich selbst eher zwei linke Daumen habe, was das Löten angeht, kann ich behaupten, dass sich die Platine recht leicht bestücken und löten lässt. Lediglich der einzige SMD-Chip (FMS6400) ist ein wenig anspruchsvoller. Den habe ich als erstes aufgelötet, damit ich dort am Besten rankommen konnte. Als Lötspitze habe ich eine Meißelform, wie von Jürgen empfohlen, genutzt. Das hat tatsächlich viel gebracht. Auch der Wunsch von Erhard, die Lötpunkte etwas größer zu gestalten, hat die Arbeiten angenehm erleichtert, gegenüber dem ersten Prototypen. Vielen Dank für diese Tipps!

Sobald die Gerber-Dateien freigegeben sind, werde ich euch informieren. Vielleicht hat der Eine oder Andere einen defekten 600XL, der eine neue Platine gebrauchen kann :-)

Grüße
Janko
600XL-Simcheck.jpg
600XL-Simcheck.jpg (130.25 KiB) 34701 mal betrachtet
600XL-VBXE.jpg
600XL-VBXE.jpg (141.51 KiB) 34701 mal betrachtet
Meine Projekte findest Du hier...

Benutzeravatar
Olix
Beiträge: 2415
Registriert: 17.08.2021 07:06
Has thanked: 365 times
Been thanked: 1743 times
Kontaktdaten:

Re: Projekt: 600XL-Ersatzplatine

Beitrag von Olix »

Super Leistung!
Auf eine 600XL Remake PCB habe ich lange gewartet.

Ein Gehäuse steht bereit....

Falls du noch eine Platine über hast kaufe ich sie dir gerne ab.

Online
Benutzeravatar
BöserWatz
Beiträge: 294
Registriert: 15.01.2022 22:29
Has thanked: 809 times
Been thanked: 77 times
Kontaktdaten:

Re: Projekt: 600XL-Ersatzplatine

Beitrag von BöserWatz »

Topp - wenn Du noch Boards verkaufen möchtest, würde ich zwei nehmen.
8 Bit reichen völlig aus

Benutzeravatar
Olix
Beiträge: 2415
Registriert: 17.08.2021 07:06
Has thanked: 365 times
Been thanked: 1743 times
Kontaktdaten:

Re: Projekt: 600XL-Ersatzplatine

Beitrag von Olix »

... falls Du die Gerber frei gibst und dir der Aufwand zu groß ist, übernehme ich auch gerne wieder die Sammelbestellung hier im Forum. Habe ich ja bereits Erfahrung mit. :D

Online
Benutzeravatar
Kveldulfur
Beiträge: 1104
Registriert: 17.08.2021 02:32
Has thanked: 573 times
Been thanked: 511 times
Kontaktdaten:

Re: Projekt: 600XL-Ersatzplatine

Beitrag von Kveldulfur »

Hallo!

Ich habe von meinem "Prototyp 2" im Prinzip noch 3 Platinen über, wobei die schon "vergeben" sind.
Dr. Irata, Olix und mega-hz hatten schon nachgefragt.

Da es für den 600XL keine Plexiglasgehäuse oder ähnliches gibt, weiß ich nicht wie groß da das Interesse sein wird.
Ggf. kann ja eine Sammelbestellung gemacht werden, wobei ich dies gerne Olix machen lassen würde.
Danke für Dein Angebot, Olix.

Warten wir aber erst einmal ab, was der Test mit dem PokeyMAX ergibt.

Grüße
Janko
Meine Projekte findest Du hier...

Benutzeravatar
edelro
Beiträge: 469
Registriert: 23.08.2021 17:12
Has thanked: 282 times
Been thanked: 98 times
Kontaktdaten:

Re: Projekt: 600XL-Ersatzplatine

Beitrag von edelro »

.
Bitte mich schon mal vormerken :mrgreen:

und hier ist ein schönes Gehäuse:
schön ist anders.jpg
schön ist anders.jpg (67.9 KiB) 34665 mal betrachtet
Wir wissen, dass es Dinge gibt, die wir nicht wissen.
Aber es gibt auch Dinge, von denen wir nicht wissen, dass wir sie nicht wissen.
HOME

Benutzeravatar
Olix
Beiträge: 2415
Registriert: 17.08.2021 07:06
Has thanked: 365 times
Been thanked: 1743 times
Kontaktdaten:

Re: Projekt: 600XL-Ersatzplatine

Beitrag von Olix »

Kveldulfur hat geschrieben:
18.05.2024 17:43
Ich habe von meinem "Prototyp 2" im Prinzip noch 3 Platinen über, wobei die schon "vergeben" sind.
Dr. Irata, Olix und mega-hz hatten schon nachgefragt.

Da es für den 600XL keine Plexiglasgehäuse oder ähnliches gibt, weiß ich nicht wie groß da das Interesse sein wird.
Ggf. kann ja eine Sammelbestellung gemacht werden, wobei ich dies gerne Olix machen lassen würde.
Danke für Dein Angebot, Olix.
Super, da freue ich mich schon riesig.
Ich bin mir aber fast sicher, dass es genug Nachfrage für eine Bestellung gibt. Da müssen ja nur noch zwei weitere dazu kommen :D
Besser wäre es natürlich es sind genug für 10 Platinen, denn dann sinkt der Preis pro Stück deutlich ab.

Aber ich würde sagen wir machen da Janko keinen Stress, auch wenn mich schon meine Löthand kribbelt :mrgreen:

Mein Vorschlag wäre, dass ich die für mich reservierte Platine erst mal bestücke und falls es dann noch Änderungen geben sollte kann die Janko dann vielleicht noch einpflegen, bevor wir eine größere Zahl Platinen bestellen. Aber ich bin mir ziemlich sicher, dass es da nichts mehr zu ändern gibt, denn Janko hat sich zum einen genug Zeit bei der Entwicklung gelassen und hatte mit Jürgen wirklich kompetente Unterstützung.

FlorianD
Beiträge: 444
Registriert: 19.08.2021 00:18
Has thanked: 88 times
Been thanked: 189 times
Kontaktdaten:

Re: Projekt: 600XL-Ersatzplatine

Beitrag von FlorianD »

ich möchte auch eine Platine bitte!

Benutzeravatar
Tolot
Beiträge: 93
Registriert: 17.08.2021 09:24
Has thanked: 53 times
Been thanked: 19 times
Kontaktdaten:

Re: Projekt: 600XL-Ersatzplatine

Beitrag von Tolot »

Also ich wäre natürlich auch wieder mit einer Platine dabei. 😁

Benutzeravatar
Olix
Beiträge: 2415
Registriert: 17.08.2021 07:06
Has thanked: 365 times
Been thanked: 1743 times
Kontaktdaten:

Re: Projekt: 600XL-Ersatzplatine

Beitrag von Olix »

@Kveldulfur: Ist die Stiftleisten-Buchse für die Zusatztastatur so belegt, dass man die schönen kleinen Servicetastaturen von Overange damit ohne Adapter nutzen kann? Das wäre natürlich super.

Online
Benutzeravatar
Kveldulfur
Beiträge: 1104
Registriert: 17.08.2021 02:32
Has thanked: 573 times
Been thanked: 511 times
Kontaktdaten:

Re: Projekt: 600XL-Ersatzplatine

Beitrag von Kveldulfur »

Hallo Olix!

Gemein, wie ich manchmal bin, verweise ich gerne auf meine Webseite, wo alles erklärt wird :mrgreen:
Ja, die Belegung kann per Jumper für die Tastatur von Overange angepasst werden ;)
Allerdings besitze ich diese Tastatur nicht, weshalb es eher ein theoretischer Ansatz ist :shock:

Grüße
Janko
Meine Projekte findest Du hier...

Benutzeravatar
Olix
Beiträge: 2415
Registriert: 17.08.2021 07:06
Has thanked: 365 times
Been thanked: 1743 times
Kontaktdaten:

Re: Projekt: 600XL-Ersatzplatine

Beitrag von Olix »

... peinlich. Wer lesen kann ist eben klar im Vorteil. 8-)

Deine Doku ist wirklich vorbildlich. Hast du noch ein Bild von deiner FujiNet Platine? Nur mal so aus Interesse wie klein die Bauteile sind und wie schwer der Eigenbau wäre.

yenzee
Beiträge: 47
Registriert: 17.08.2021 08:21
Has thanked: 174 times
Been thanked: 13 times
Kontaktdaten:

Re: Projekt: 600XL-Ersatzplatine

Beitrag von yenzee »

Hallo,
das ist ja super - darauf habe ich gewartet!
Mich bitte auch mit 2 Platinen einrechnen....

Viele Grüße,
Jens.

Online
Benutzeravatar
Kveldulfur
Beiträge: 1104
Registriert: 17.08.2021 02:32
Has thanked: 573 times
Been thanked: 511 times
Kontaktdaten:

Re: Projekt: 600XL-Ersatzplatine

Beitrag von Kveldulfur »

Olix hat geschrieben:
18.05.2024 21:53
Hast du noch ein Bild von deiner FujiNet Platine?
Aktuell kann ich nur ein Bild einer unbestückten Platine anbieten.
Kann ich später/morgen hier posten.

Grüße
Janko
Meine Projekte findest Du hier...

Online
Benutzeravatar
andymanone
Beiträge: 4587
Registriert: 17.08.2021 12:34
Wohnort: Berlin - Suburban
Has thanked: 1192 times
Been thanked: 1980 times
Kontaktdaten:

Re: Projekt: 600XL-Ersatzplatine

Beitrag von andymanone »

Kveldulfur hat geschrieben:
18.05.2024 17:43
Hallo!

Ich habe von meinem "Prototyp 2" im Prinzip noch 3 Platinen über, wobei die schon "vergeben" sind.
Dr. Irata, Olix und mega-hz hatten schon nachgefragt.

Da es für den 600XL keine Plexiglasgehäuse oder ähnliches gibt, weiß ich nicht wie groß da das Interesse sein wird.
Ggf. kann ja eine Sammelbestellung gemacht werden, wobei ich dies gerne Olix machen lassen würde.
Danke für Dein Angebot, Olix.

Warten wir aber erst einmal ab, was der Test mit dem PokeyMAX ergibt.

Grüße
Janko
Das kommt jetzt plötzlich unerwartet :o 8-) :lol: :

Ich möchte natürlich auch gerne eine 600 XL´er Platine haben, gerne auch aus einer von Olix organisierten Sammelbestellung.

Unabhängig davon würde ich mal mit dem Nachfolger von Plexi-Micha ( :( ) Eugen Gust, Kontakt aufnehmen und anfragen, ob Plexi-Laser
ggf. auch ein 600XL Gehäuse kreieren würde (hat damals mit dem XE-Gehäuse auch geklappt ;)).
Ich würde ihm dann wieder das original Gehäuse, Tastatur & PCB als Muster zur Verfügung stellen und mich drum kümmern...

Gtx.,
andY

Brechreiz
Beiträge: 222
Registriert: 02.03.2024 12:41
Has thanked: 17 times
Been thanked: 68 times
Kontaktdaten:

Re: Projekt: 600XL-Ersatzplatine

Beitrag von Brechreiz »

Moin,

bei einer SB wäre ich auch dabei.

VG Jürgen

Benutzeravatar
Olix
Beiträge: 2415
Registriert: 17.08.2021 07:06
Has thanked: 365 times
Been thanked: 1743 times
Kontaktdaten:

Re: Projekt: 600XL-Ersatzplatine

Beitrag von Olix »

Noch ne Frage:

Beim original 600XL wird für den Anschluss der Tastatur eine kleine Adapterplatine verwendet die Widerstände in die Signalleitungen einschleift. Diese wird beim 800XL nicht benötigt, da dort die Widerstände bereits auf der Hauptplatine vorhanden sind.

Wie sieht das auf deinem Remake aus?

Auf einem der Fotos habe ich gesehen, dass du eine spezielle Adapterplatine für ein modernes Flachbandkabel verwendest. Was hat es damit auf sich?

Benutzeravatar
Olix
Beiträge: 2415
Registriert: 17.08.2021 07:06
Has thanked: 365 times
Been thanked: 1743 times
Kontaktdaten:

Re: Projekt: 600XL-Ersatzplatine

Beitrag von Olix »

@andY: Also wenn sich der Preis in der Größenordnung des 800XL Gehäuses bewegt bin ich auf jeden Fall mit einem Plexiglas 600 XL Gehäuse mit dabei.

Online
Benutzeravatar
Kveldulfur
Beiträge: 1104
Registriert: 17.08.2021 02:32
Has thanked: 573 times
Been thanked: 511 times
Kontaktdaten:

Re: Projekt: 600XL-Ersatzplatine

Beitrag von Kveldulfur »

Olix hat geschrieben:
19.05.2024 09:09
Beim original 600XL wird für den Anschluss der Tastatur eine kleine Adapterplatine verwendet die Widerstände in die Signalleitungen einschleift. Diese wird beim 800XL nicht benötigt, da dort die Widerstände bereits auf der Hauptplatine vorhanden sind.
Hier hast Du mich erwischt :-) Diese Widerstände vom 800XL sind auf meiner Platine nicht enthalten. In der Tat habe ich den 600XL komplett nachgebildet und anschließend die Erweiterungen von MyTek eingearbeitet und Empfehlungen von tf_hh übernommen.
Ich habe mehrere 600XL, wobei die Adapterplatine nicht immer vorhanden ist. Ich selbst kann auch keinen Unterschied feststellen, wenn ich die Adapterplatine nutze oder weglasse (getestet mit einer Tastatur mit Mylar-Folie).
Hat da jemand mehr Infos, in wie Weit diese Widerstände notwendig sind?
Olix hat geschrieben:
19.05.2024 09:09
Auf einem der Fotos habe ich gesehen, dass du eine spezielle Adapterplatine für ein modernes Flachbandkabel verwendest. Was hat es damit auf sich?
Das Tastaturkabel war defekt und da es keine Folientastatur war, benötigte ich einen Ersatz. Auf Atariage habe ich dann diese Adapterplatinen für ein Flachbandkabel gefunden. Dort waren standardmäßig (also wohl auch für den 800XL?) diese Widerstände enthalten. Da mein englisch eher mäßig ist, habe ich den Thread nicht richtig folgen können.

Grüße
Janko
Meine Projekte findest Du hier...

Benutzeravatar
dl7ukk
Beiträge: 672
Registriert: 25.08.2021 23:03
Has thanked: 141 times
Been thanked: 175 times
Kontaktdaten:

Re: Projekt: 600XL-Ersatzplatine

Beitrag von dl7ukk »

Hi,
Hat da jemand mehr Infos, in wie Weit diese Widerstände notwendig sind?
"Strombegrenzung - Schutz-R", also zur Sicherheit, falls mal was schief geht.
Wird beim Anschluß externen Teilen gern gemacht. Das KB ist ja auch "extern"
(Denke ich)


Frohe Pfingsten

dl7ukk

Benutzeravatar
tfhh
Beiträge: 288
Registriert: 17.06.2021 02:31
Wohnort: Wistedt, Germany
Has thanked: 327 times
Been thanked: 324 times

Re: Projekt: 600XL-Ersatzplatine

Beitrag von tfhh »

Moin,
Kveldulfur hat geschrieben:
19.05.2024 09:35
Hat da jemand mehr Infos, in wie Weit diese Widerstände notwendig sind?
Darüber habe ich mir auch oft schon Gedanken gemacht und bisher eindeutige Antwort gefunden. Aber ich bin ja letztlich auch nur Amateur, vielleicht kann das ein richtiger Elektronik Ing. beantworten. Was ich sagen kann: In über 35 Jahren Atari-Bastelei habe ich diese Adapterplatinen beim 600XL immer weggelassen und bisher gab es nie auch nur ein Problem irgendeiner Art.

Widerstände werden in dieser Konstellation als Strombegrenzer eingesetzt, was aber oberflächlich betrachtet hier überflüssig ist, da das Drücken einer Taste das Signal auf Masse zieht - es fließt gar kein Strom (jaja, ich weiß, geringer Widerstande von vielleicht 1-2 Ohm, also auch Strom, aber... ).

Betrachtet man den XL/XE Schaltplan, dann ist der eine 4051 dauerhaft als Ausgang installiert (Pokey-Signale K3, K4 und K5), dieser liefert die Scancodes für die 8x8 Matrix an die Tastatur. Der andere 4051 wird vom Pokey gesteuert umgeschaltet über die KR1 Leitung (Signale K0, K1 und K2 werden als Eingang genutzt). Wenn die KR1 Leitung low ist, dann sind die 8 Leitungen des 4051 ebenfalls aus Ausgang geschaltet.

Wenn nun also eine Taste gedrückt und gehalten wird und der Pokey das KR1 Signal auf Low hält (was er ständig mit hohem Takt macht, um die Scanlines durchzuschalten zur Abfrage der Matrix), dann hat man für einen ultrakurzen Moment bei gedrückter Taste Ausgang gegen Ausgang, was natürlich nicht gut ist und unter normalen Umständen Chips zerstören kann.

ABER: Die 40xx Reihe ist CMOS mit Mosfet Schaltern, keine Darlington. Die sind an sich schon mal robuster. Zudem sagt das Datenblatt des 4051 bei 5V und 25V ca. 200 Ohm (maximal, nominal etwas weniger) interner Widerstand in jeder Leitung. Bei beiden Chips wären das dann in etwa 400 Ohm, was bei 5V eine Strom von 12,5 mA bedeutet - für einen tausendstel einer Sekunde (ich müßte nun nachschauen, welcher Takt genau an KR1 anliegt). Ich habe zum Test schon mal einen Rechner 8 Stunden mit dauerhaft gedrückter Taste im "READY" Screen ohne Adapterplatine (600XL) laufen lassen, weder die 4051 noch der POKEY hat irgendwelche Ausfälle oder erhöhte Temperatur gezeigt.

Lange Rede, kurzer Sinn: Bevor Du eine weitere Charge bestellst, bau sie mit ein. Atari wird sich etwas dabei gedacht haben, und da die XE, erbaut unter Tramiel´s Spar-Wahn, die auch noch haben, wird es Konstellationen geben, wo sie notwendig sind. In meiner durchaus nicht ganz kurzen Praxis habe ich bisher jedoch keine negativen Effekte wahrgenommen.

VG Jürgen
Mein PN Eingang ist hier abgeschaltet. Kontaktaufnahme bitte per EMail (siehe Avatar ;) )

Online
Benutzeravatar
Kveldulfur
Beiträge: 1104
Registriert: 17.08.2021 02:32
Has thanked: 573 times
Been thanked: 511 times
Kontaktdaten:

Re: Projekt: 600XL-Ersatzplatine

Beitrag von Kveldulfur »

Hallo!

Vielen Dank für die Erklärung!

Das ist der Grund warum mir das Projekt soviel Spaß macht... man lernt soviel über den ATARI.
Ich habe mir bis jetzt auch keinen Kopf gemacht, ob da eine Adapterplatine ist oder nicht. Aber für meine 600XL-Ersatzplatine soll natürlich alles so perfekt wie möglich sein.
Jetzt muss ich nur noch Platz auf der Platine finden, dass ist gar nicht so einfach :mrgreen:

Grüße
Janko
Meine Projekte findest Du hier...

Benutzeravatar
Olix
Beiträge: 2415
Registriert: 17.08.2021 07:06
Has thanked: 365 times
Been thanked: 1743 times
Kontaktdaten:

Re: Projekt: 600XL-Ersatzplatine

Beitrag von Olix »

dl7ukk hat geschrieben:
19.05.2024 10:25
"Strombegrenzung - Schutz-R", also zur Sicherheit, falls mal was schief geht.
Wird beim Anschluß externen Teilen gern gemacht. Das KB ist ja auch "extern"
(Denke ich)
... genau so ist es.

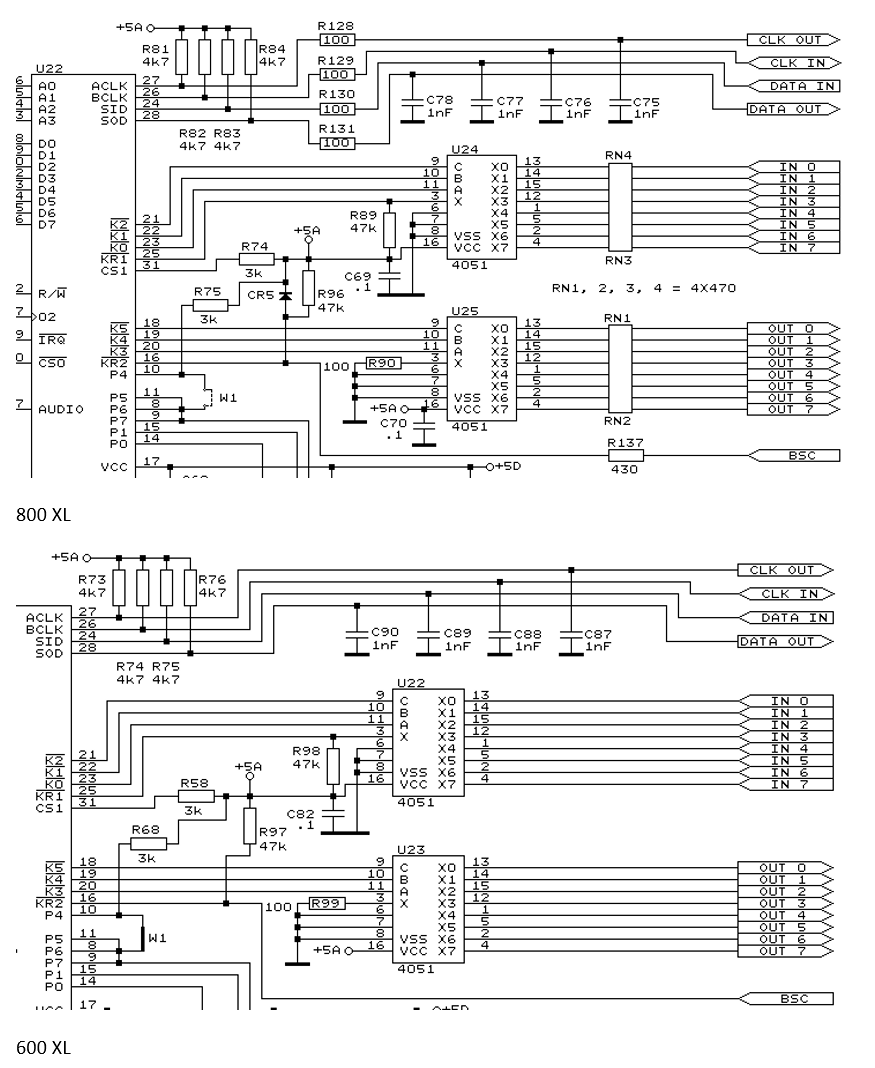
Hier mal ein Vergleich zwischen 600XL und 800XL:
600XL-800XL Keyboardleitungen
600XL-800XL Keyboardleitungen
Screenshot 2024-05-19 104439.png (199.7 KiB) 34502 mal betrachtet
Hier sieht man auch oben bei DataIN/DataOUT dass beim 600XL die 100 Ohm Widerstände fehlen. Diese fehlenden Widerstände machen beim Einbau von PokeyMax in den 600XL Probleme:
https://forums.atariage.com/topic/29524 ... nt=4759317

Aber das hat Janko auf seinem Remake berücksichtigt, wenn ich es richtig verstanden habe.

Die fehlenden Widerstände in den In/Out Leitungen zu den 4051 sind vermutlich kein Problem.
Wenn man eine Keyboardadapter-Platine vom Original 600XL verwendet sind sie ja mit drin, und ich mag eh diese Adapterplatine, da man da die Tastatur einfacher ein und ausbauen kann ohne das eigentliche empfindliche Flachbandkabel abzunutzen.
Wenn man eine Tastatur ohne diese Platine einsteckt hat man eben keine Strombegrenzung, funktionieren tut es, ob es auf Dauer gut für die beiden 4051 ist kann vielleicht Jürgen (TF_HH) sagen.

Falls es noch eine neuere Revision des Board geben wird, könnte man die beiden Widerstandsnetzwerke RN1 und RN4 natürlich nachrüsten. Dann muss man aber vermutlich auf die Adapterplatine verzichten, da sonst möglicherweise der doppelte Widerstand Probleme macht.

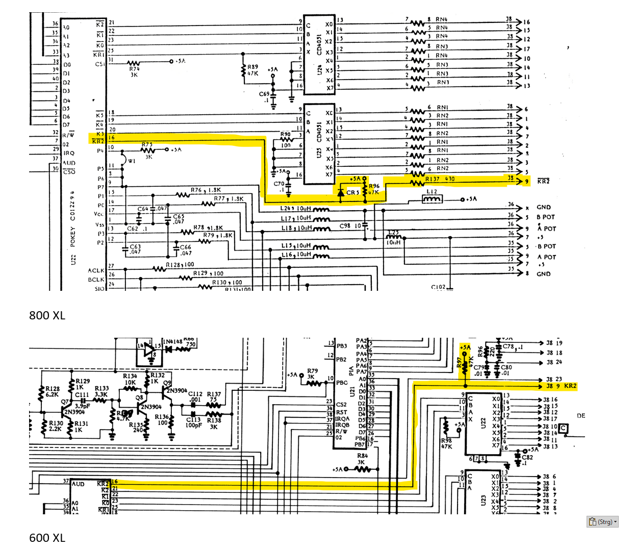
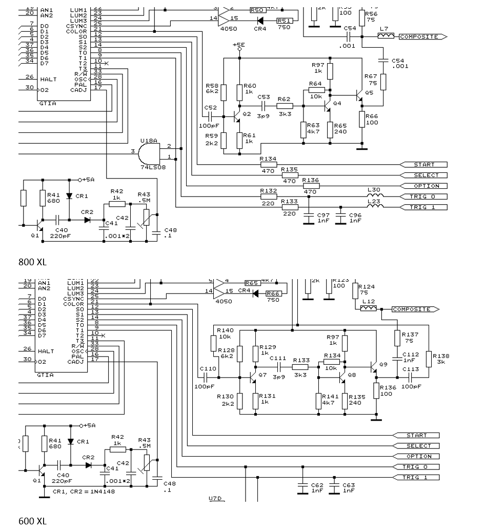
Übrigens sind auf dem 600XL Board auch die Leitungen der START/SELECT/OPTION/HELP Tasten sowie der Joystick-Knöpfe TRIG0 und TRIG1 zum GTIA ohne Strombegrenzungs Widerstand:
600XL-800XL Funktionstastenleitungen
600XL-800XL Funktionstastenleitungen
Screenshot 2024-05-19 110525.png (166.47 KiB) 34502 mal betrachtet
Und als letztes was ich gesehen habe noch die Leitung KR2 (von Pin9 des Keyboardsteckers zu Pin 16 POKEY). Hier ist beim 800XL ein 430 Ohm Widerstand (R137) in der Leitung und parallel zum Pullup (47K) noch eine Diode (CR5). Diese fehlt im Schaltplan vom 600XL auch.
600XL-800XL KR2
600XL-800XL KR2
Screenshot 2024-05-19 112631.png (558.34 KiB) 34502 mal betrachtet

Benutzeravatar
Olix
Beiträge: 2415
Registriert: 17.08.2021 07:06
Has thanked: 365 times
Been thanked: 1743 times
Kontaktdaten:

Re: Projekt: 600XL-Ersatzplatine

Beitrag von Olix »

... in der Zeit in der ich hier meinen riesen langen Beitrag geschrieben habe, war Jürgen schneller.

Aber ich denke das deckt sich ja mit seinem Beitrag.

Benutzeravatar
Olix
Beiträge: 2415
Registriert: 17.08.2021 07:06
Has thanked: 365 times
Been thanked: 1743 times
Kontaktdaten:

Re: Projekt: 600XL-Ersatzplatine

Beitrag von Olix »

Kveldulfur hat geschrieben:
19.05.2024 09:35

Das Tastaturkabel war defekt und da es keine Folientastatur war, benötigte ich einen Ersatz. Auf Atariage habe ich dann diese Adapterplatinen für ein Flachbandkabel gefunden. Dort waren standardmäßig (also wohl auch für den 800XL?) diese Widerstände enthalten. Da mein englisch eher mäßig ist, habe ich den Thread nicht richtig folgen können.
.
Das Ersatzkabel mit der kleinen Platine finde ich Interessant. Habe ich auch schon auf AtariAge gesehen.
Mich würde die andere Seite des Kabels interessieren. Könntest Du ein Foto machen, wir es auf der Tastaturseite aussieht?

JoSch
Beiträge: 357
Registriert: 25.08.2021 21:40
Has thanked: 165 times
Been thanked: 127 times
Kontaktdaten:

Re: Projekt: 600XL-Ersatzplatine

Beitrag von JoSch »

Eins der wichtigsten Mod für den C64 sind fehlenden Widerstände an den Joystickports. Die Empfehlung ist ja immer den Computer auszuschalten, bevor man Joysticks einsteckt, aber wer macht das schon?
Also wäre es am Ende einfacher und sicherer, die paar Schutzwiderstände einzuplanen.

Online
Benutzeravatar
andymanone
Beiträge: 4587
Registriert: 17.08.2021 12:34
Wohnort: Berlin - Suburban
Has thanked: 1192 times
Been thanked: 1980 times
Kontaktdaten:

Re: Projekt: 600XL-Ersatzplatine

Beitrag von andymanone »

andymanone hat geschrieben:
18.05.2024 23:23

Unabhängig davon würde ich mal mit dem Nachfolger von Plexi-Micha ( :( ) Eugen Gust, Kontakt aufnehmen und anfragen, ob Plexi-Laser
ggf. auch ein 600XL Gehäuse kreieren würde (hat damals mit dem XE-Gehäuse auch geklappt ;)).
Ich würde ihm dann wieder das original Gehäuse, Tastatur & PCB als Muster zur Verfügung stellen und mich drum kümmern...

Gtx.,
andY

So, Anfrage ist gerade raus.
Ich halte euch auf dem Laufendem, sobald es Neuigkeiten zum Thema gibt, melde ich mich!

Btw:
Schöne Pfingsten allen ABBUC´ianern & Retrofans :) !

Gtx.,
andY

Online
Benutzeravatar
Kveldulfur
Beiträge: 1104
Registriert: 17.08.2021 02:32
Has thanked: 573 times
Been thanked: 511 times
Kontaktdaten:

Re: Projekt: 600XL-Ersatzplatine

Beitrag von Kveldulfur »

Hallo!

So, ich habe jetzt die Widerstände, die Diode und die beiden Spulen eingearbeitet:
600xl-Update.png
600xl-Update.png (230.57 KiB) 34432 mal betrachtet
Es wird langsam eng vom Platz her :mrgreen:
Immerhin habe ich nur die Fläche eines 600XL und wegen dem (noch kommenden) internen Fujinet, darf ich die Tastatur-Buchse nicht nach rechts verschieben. ;)

Grüße
Janko
Meine Projekte findest Du hier...

Benutzeravatar
Mathy
Beiträge: 1976
Registriert: 18.06.2021 11:13
Wohnort: Heerlen, NL
Has thanked: 980 times
Been thanked: 601 times
Kontaktdaten:

Re: Projekt: 600XL-Ersatzplatine

Beitrag von Mathy »

.
Hallo Janko

"Sercice"? (keyboard on J917: UP (1-2))

Tschüß

Mathy
Schreibe nicht der Absicht zu, was man mit Dummheit oder Ignoranz erklären kann.

Online
Benutzeravatar
Kveldulfur
Beiträge: 1104
Registriert: 17.08.2021 02:32
Has thanked: 573 times
Been thanked: 511 times
Kontaktdaten:

Re: Projekt: 600XL-Ersatzplatine

Beitrag von Kveldulfur »

Ups... In Arbeit :)
Meine Projekte findest Du hier...

Online
Benutzeravatar
andymanone
Beiträge: 4587
Registriert: 17.08.2021 12:34
Wohnort: Berlin - Suburban
Has thanked: 1192 times
Been thanked: 1980 times
Kontaktdaten:

Re: Projekt: 600XL-Ersatzplatine

Beitrag von andymanone »

Mathy hat geschrieben:
19.05.2024 19:45
.
Hallo Janko

"Sercice"? (keyboard on J917: UP (1-2))

Tschüß

Mathy
Ja,
das war wohl definitiv ein Hinweis auf die "MEV ELEKTRONIK SERCICE GMBH" ;) 8-)

Gtx.,
andY

FlorianD
Beiträge: 444
Registriert: 19.08.2021 00:18
Has thanked: 88 times
Been thanked: 189 times
Kontaktdaten:

Re: Projekt: 600XL-Ersatzplatine

Beitrag von FlorianD »

Tolle Arbeit, Janko!
Ich glaube, alle die helfen können, unterstützen Dich, und die, die es nicht können mangels Wissen, finden toll was Du machst und sind fast sprachlos!

@Olix und et. al.: ich hoffe, es kommt auch wieder eine Sammelbestellung für die Teile zusammen. Da sollten wir Synergien nutzen!

Benutzeravatar
Olix
Beiträge: 2415
Registriert: 17.08.2021 07:06
Has thanked: 365 times
Been thanked: 1743 times
Kontaktdaten:

Re: Projekt: 600XL-Ersatzplatine

Beitrag von Olix »

@FlorianD ... also von meiner Seite aus spricht nichts gegen eine Sammelbestellung. Es sind bereits genug Anfragen hier in den Beitrag und ich mach das gerne.

Wir müssen einfach nur Geduld haben und Janko machen lassen. Sobald er die finalen Gerberdateien frei gibt kann es direkt losgehen.

FlorianD
Beiträge: 444
Registriert: 19.08.2021 00:18
Has thanked: 88 times
Been thanked: 189 times
Kontaktdaten:

Re: Projekt: 600XL-Ersatzplatine

Beitrag von FlorianD »

ja, alles ganz in Ruhe, keine Hektik.
Aber lieber gleich ansagen, sonst fangen die Leute an, selbst Teile zu bestellen und dann wird es wieder umständlich.

Online
Benutzeravatar
Kveldulfur
Beiträge: 1104
Registriert: 17.08.2021 02:32
Has thanked: 573 times
Been thanked: 511 times
Kontaktdaten:

Re: Projekt: 600XL-Ersatzplatine

Beitrag von Kveldulfur »

Hallo!

Da nun schon der Hinweis auf die Joystick-Ports kam und Trig0/Trig1 bereits über Spulen verfügen, habe ich das auch für die anderen 4 Richtungen pro Joystick-Port eingearbeitet.
600XL-Update2.png
600XL-Update2.png (125.6 KiB) 34331 mal betrachtet
Jetzt wurde aber wieder eine Menge geändert... hoffentlich passt das alles.
Die Gerber-Dateien werden sicherlich noch 1-2 Wochen brauchen, bis ich diese freigeben kann.

Grüße
Janko
Meine Projekte findest Du hier...

Benutzeravatar
Dr. Irata
Beiträge: 1375
Registriert: 24.08.2021 14:40
Has thanked: 207 times
Been thanked: 505 times
Kontaktdaten:

Re: Projekt: 600XL-Ersatzplatine

Beitrag von Dr. Irata »

Hallo in die Runde,
also ich muss auch sagen, daß das Projekt von Janko echt phantastisch ist!!
Am Ende haben wir nun ein neues tolles Produkt für unseren geliebten Atari.
Danke dafür, Janko!!
Bei einer Sammelbestellung bin ich dabei - super Idee!!
LG
Peter

JoSch
Beiträge: 357
Registriert: 25.08.2021 21:40
Has thanked: 165 times
Been thanked: 127 times
Kontaktdaten:

Re: Projekt: 600XL-Ersatzplatine

Beitrag von JoSch »

Das sieht alles sehr gut aus. Die Idee mit dem VBXE-Pickup finde ich gut. Wäre es da zuviel verlangt, noch einen 4x-Header neben Sally zu packen für ein Ultimate 1MB zu packen? Ich sehe da noch eine Groundplane, so dass evtl. noch etwas Platz wäre.
https://lotharek.pl/img/cpu.jpg zeigt, was gebraucht wird.
Zuletzt geändert von JoSch am 20.05.2024 10:29, insgesamt 1-mal geändert.

Benutzeravatar
Olix
Beiträge: 2415
Registriert: 17.08.2021 07:06
Has thanked: 365 times
Been thanked: 1743 times
Kontaktdaten:

Re: Projekt: 600XL-Ersatzplatine

Beitrag von Olix »

Kveldulfur hat geschrieben:
20.05.2024 02:12
Da nun schon der Hinweis auf die Joystick-Ports kam und Trig0/Trig1 bereits über Spulen verfügen, habe ich das auch für die anderen 4 Richtungen pro Joystick-Port eingearbeitet.
.
.
Habe ich das richtig verstanden: Bei den Joysticks hast du jetzt Induktivität UND Widerstand in der Signalleitungen?
Dann aber Hut ab, dass du das noch so auf die enge Platine draufbekommen hast. Das wäre ja jetzt der Königsweg!
Ich denke, falls es doch eng wird: Die Widerstände sind wichtiger. (In den diversen Systemen von Mytek (1088XLD/XEL und NUC) sowie anderen "Neuauflagen" der XL Boards (2023 Advanced Remake 800XL ) sind auch NUR die Widerstände in den Joystickleitungen.

Wenn ich das richtig sehe, hast du um Platz zu sparen einfach radiale Kondensatoren anstatt die axialen verwendet - geniale Idee - damit kann man gut leben.
Generell finde ich ja die axialen Kondensatoren schöner, blöde ist halt, dass man die immer bei Mouser oder Digikey bestellen muss.

Benutzeravatar
Dr. Irata
Beiträge: 1375
Registriert: 24.08.2021 14:40
Has thanked: 207 times
Been thanked: 505 times
Kontaktdaten:

Re: Projekt: 600XL-Ersatzplatine

Beitrag von Dr. Irata »

... vielleicht kann man ja aus dem Projekt eine Art "neuen" aufgemotzten Super-8-Bit-Atari machen mit 512/1MB Speicher, Stereo Sound und VBXE Grafik.... Platinen / Speichersteine alles kompakt als Sammelbestellung erhältlich!!

Online
Benutzeravatar
Kveldulfur
Beiträge: 1104
Registriert: 17.08.2021 02:32
Has thanked: 573 times
Been thanked: 511 times
Kontaktdaten:

Re: Projekt: 600XL-Ersatzplatine

Beitrag von Kveldulfur »

Olix hat geschrieben:
20.05.2024 10:29
Bei den Joysticks hast du jetzt Induktivität UND Widerstand in der Signalleitungen?
...
Ich denke, falls es doch eng wird: Die Widerstände sind wichtiger. (In den diversen Systemen von Mytek (1088XLD/XEL und NUC) sowie anderen "Neuauflagen" der XL Boards (2023 Advanced Remake 800XL ) sind
Okay, die Widerstände habe ich nicht, da ich beim 800XL geschaut habe. Wenn die Widerstände wichtiger sind, muss ich die Spulen entfernen... beides wird leider zu eng.
Bei MyTek fehlen die Kondensatoren, die beim 800XL vorhanden sind. Wenn ich also bei MyTek abschaue, kommen Spulen und Kondensatoren raus und dafür die Widerstände rein.

Wie möchtest Du es haben Olix? Ich bin da offen, hauptsache es funktioniert :lol:

Grüße
Janko
Meine Projekte findest Du hier...

Antworten

Wer ist online?

Mitglieder in diesem Forum: 0 Mitglieder und 1 Gast