XC12 Tape Rekorder will nicht

Moderatoren: Sleeπ, andymanone

Antworten
Benutzeravatar
Eratosthenes
Beiträge: 50
Registriert: 03.09.2023 10:38
Has thanked: 19 times
Been thanked: 15 times
Kontaktdaten:

XC12 Tape Rekorder will nicht

Beitrag von Eratosthenes »

Moin, moin!

Neben meinem quasi unbenutzten XL habe ich noch einen XC12 Cassettenrekorder bekommen.
Das Gerät scheint, wie der XL quasi unbenutzt zu sein. Leider speichert es keine Daten. Auf einer Cassette, auf der jeder ZX Spectrum, den ich ausprobiert habe, gespeichert hat, speichert das Gerät nicht.

Fehlercodes, die ich bekomme, liegen zwischen 140 u. 143. .

Kennt jemand von Euch den Fehler? (Könnte die Ursache sein, dass ich Chrom-Dioxyd Kassetten nutze?)
„Hardware nennt man die Teile eines Computers, die man treten kann.“, Jeff Pesis

Benutzeravatar
24sumo
Beiträge: 251
Registriert: 17.08.2021 08:53
Has thanked: 119 times
Been thanked: 55 times
Kontaktdaten:

Re: XC12 Tape Rekorder will nicht

Beitrag von 24sumo »

Die Kassettenrekorder leiden typischerweise an Altersschwäche der mechanischen Komponenten, ggf. kontrolliere mal die Keilriemen. Bei SellmyRetro gab es mal passende Ersatzteile.
Gruß
Bernhard

Benutzeravatar
Eratosthenes
Beiträge: 50
Registriert: 03.09.2023 10:38
Has thanked: 19 times
Been thanked: 15 times
Kontaktdaten:

Re: XC12 Tape Rekorder will nicht

Beitrag von Eratosthenes »

Die Mechanik ist soweit in Ordnung. Das Gerät spult in beide Richtungen schnell, die Cassette läuft ruhig bei Wiedergabe u. Aufnahme. Das Zählwerk landet übrigens, wenn ich eine C90 Cassette hin- u. zurückspule, ziemlich genau bei 000!

Soweit ich das hören kann, leiert das Band auch nicht. Eine Musikaufnahme klingt OK. - Gut, dass die 2. Spur beim Laden zu hören ist... ;-)
Kann es sein, dass das Gerät nicht mit Chrom Cassetten (Typ II), oder mit bespielten Cassetten klar kommt?
„Hardware nennt man die Teile eines Computers, die man treten kann.“, Jeff Pesis

Benutzeravatar
CharlieChaplin
Beiträge: 1151
Registriert: 18.06.2021 22:59
Has thanked: 362 times
Been thanked: 421 times
Kontaktdaten:

Re: XC12 Tape Rekorder will nicht

Beitrag von CharlieChaplin »

Korrekt, Chromdioxid (Typ II) mögen die A8 Datenrekorder nicht, es muss Typ I / Ferro / Eisen sein.

Mit Typ III (Ferro-Chrome) und Typ IV (Metal) können die auch nix anfangen. Also einfach die billigen Typ I Ferrocassetten kaufen, die bekommt man sogar wieder aus neuer Produktion.

Und besser nur Cassetten mit 10 - 60 Minuten Länge benutzen, 90 Min. macht bei manchen Datenrekordern schon Probleme, 120 Minuten geht dann bei den meisten gar nicht.

Benutzeravatar
Mathy
Beiträge: 2013
Registriert: 18.06.2021 11:13
Wohnort: Heerlen, NL
Has thanked: 1003 times
Been thanked: 616 times
Kontaktdaten:

Re: XC12 Tape Rekorder will nicht

Beitrag von Mathy »

.
Hallo Eratosthenes

Eratosthenes hat geschrieben:
16.09.2023 21:12
Leider speichert es keine Daten.
Wie probierst Du denn die Daten zu speichern?

Tschüß

Mathy
Schreibe nicht der Absicht zu, was man mit Dummheit oder Ignoranz erklären kann.

Benutzeravatar
dl7ukk
Beiträge: 678
Registriert: 25.08.2021 23:03
Has thanked: 143 times
Been thanked: 175 times
Kontaktdaten:

Re: XC12 Tape Rekorder will nicht

Beitrag von dl7ukk »

Hi,

Du bist doch in der Technik nicht ganz unbedarft. Wenn die XC12 wirklich! nix speichert, dann kann es nicht viel sein. Da liegt nur ein Spannungsteiler zwischen Atari Ausgang und Tonkopf. Einen Schaltplan hast Du bestimmt. Der R/W Umschalter könnte eine Ursache sein. Den Sio-Stecker mal ansehen.

Auch mit Chromdioxid muß die XC12 aufnehmen. Sie hat eben nur eine einfache Vormagnetisierung und mag es nicht sonderlich.
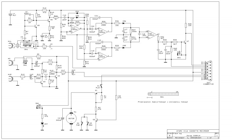
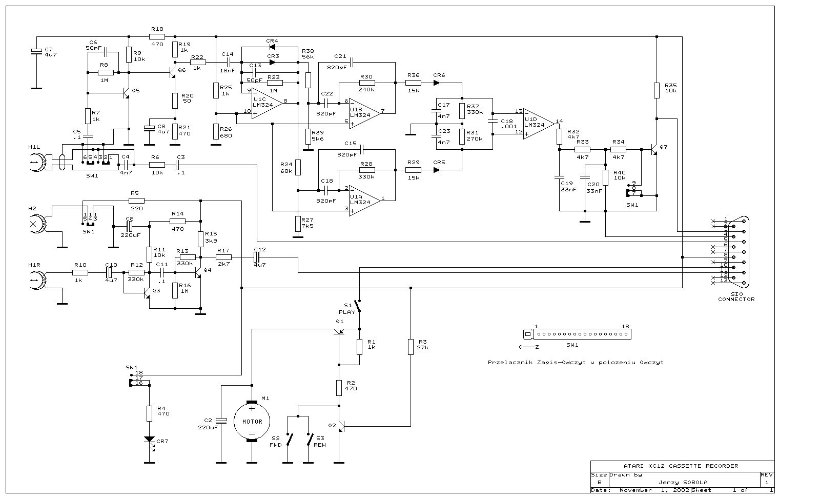
XC12-Schaltplan.jpg

dl7ukk

PS: Oder es war ein Experte dran und hat den Tonkoppp "eingestellt" und dabei vergurkt.
ak

Benutzeravatar
Eratosthenes
Beiträge: 50
Registriert: 03.09.2023 10:38
Has thanked: 19 times
Been thanked: 15 times
Kontaktdaten:

Re: XC12 Tape Rekorder will nicht

Beitrag von Eratosthenes »

Verstellt hat das Gerät sicher niemand. - Originalaufnahmen des ZX Spectrum - die einzigen Cassetten, die ich habe - klingen wirklich authentisch und leiern nicht. Genauso, wie Musikaufnahmen, die ich zum Testen in das XC12 gesteckt habe...

Wie sich eine Aufnahme des XC12 anhören sollten, weiß ich nicht, nur dass der XL nur eine Tonspur aufnimmt und die andere frei hat für Audio.
Werde, wenn ich Zeit habe, kommendes Wochenende mal testen, ob die Aufnahmen OK sind und dann mal prüfen, was die Ursache des Problems ist.

Dann messe ich auch mal in die Schaltung rein. - Danke für das Schema... :D

P.S.: Interessanter Nebeneffekt
Habe inzwischen mal mein Labornetzteil inkl. Messgerät angeschlossen und mir ist aufgefallen, dass es gewisse Ausfallerscheinungen zu geben scheint, wenn das Netzteil zu schwach ist.

Verhalten:
Der XL nimmt sich bei 5V im Normalbetrieb ca. 700mA, also nicht mal 4W. Begrenze ich das Netzteil auf 1A (5W) flackert der Bildschirm jedes Mal, wenn ich die Aufnahme starte. Manchmal stürzt der Rechner sogar ab.
Erst bei ca. 1,8A (9W), oder etwas mehr, tritt dies nicht mehr auf. Vielleicht sollte ich mal nach den Elkos, sowohl im XL, als auch im Cassettenrekorder schauen... :mrgreen:

Ausserdem:
Wenn ich versuche eine aufgezeichnete Aufnahme zu laden, scheint es, als wäre die Aufnahme am Ende, also wenn der Rekorder abgeschaltet wird, verzerrt, bzw. als würde sie leiern. Ob dem so ist, weiß ich aber nicht.

Mal sehen, ob ich das Gerät noch ans Laufen bringe.
„Hardware nennt man die Teile eines Computers, die man treten kann.“, Jeff Pesis

Benutzeravatar
24sumo
Beiträge: 251
Registriert: 17.08.2021 08:53
Has thanked: 119 times
Been thanked: 55 times
Kontaktdaten:

Re: XC12 Tape Rekorder will nicht

Beitrag von 24sumo »

Die Funktion des Recorders kannst du im Basic mit CSave und CLoad testen, wenn du ein kleines simples Basic Listing 10 Print "Hello World" oder ähnliches eingibst. Das Problem kann ja auch am Rechner liegen, z.B. Pokey oder ähnliches.
Bernhard

Benutzeravatar
Eratosthenes
Beiträge: 50
Registriert: 03.09.2023 10:38
Has thanked: 19 times
Been thanked: 15 times
Kontaktdaten:

Re: XC12 Tape Rekorder will nicht

Beitrag von Eratosthenes »

Pokey scheint in Ordnung zu sein. Ich höre den Ton, der auf Band aufgenommen werden soll. Habe diverse (BASIC-) Programme gespeichert. Das funktioniert, soweit ich das beurteilen kann...
Kann leider aber nichts laden, da ich keine funktionierenden Cassetten habe. Das, was ich gespeichert habe, lädt leider auch nicht. Ich bekomme Fehler 140 - 143, oder so ähnlich.

Nebenbei @Pokey - Der Ton funktioniert einwandfrei, genau wie alle Tastatureingaben...

Werd' am Wochenende mal drauf schauen und ggf. checken, weshalb das Tape nicht korrekt aufnimmt...

@CharlieChaplin hat ja schon geschrieben, dass Chrom-Cassetten nicht funktionieren. - Werd' mal sehen, was ich noch so auf dem Dachboden finde. :mrgreen:
„Hardware nennt man die Teile eines Computers, die man treten kann.“, Jeff Pesis

Benutzeravatar
Sleeπ
Beiträge: 2250
Registriert: 18.06.2021 20:58
Has thanked: 328 times
Been thanked: 603 times
Kontaktdaten:

Re: XC12 Tape Rekorder will nicht

Beitrag von Sleeπ »

Eratosthenes hat geschrieben:
19.09.2023 18:57
P.S.: Interessanter Nebeneffekt
Habe inzwischen mal mein Labornetzteil inkl. Messgerät angeschlossen und mir ist aufgefallen, dass es gewisse Ausfallerscheinungen zu geben scheint, wenn das Netzteil zu schwach ist.

Verhalten:
Der XL nimmt sich bei 5V im Normalbetrieb ca. 700mA, also nicht mal 4W. Begrenze ich das Netzteil auf 1A (5W) flackert der Bildschirm jedes Mal, wenn ich die Aufnahme starte. Manchmal stürzt der Rechner sogar ab.
Erst bei ca. 1,8A (9W), oder etwas mehr, tritt dies nicht mehr auf. Vielleicht sollte ich mal nach den Elkos, sowohl im XL, als auch im Cassettenrekorder schauen... :mrgreen:
Imho hat das gemeine XL-Netzteil mindestens 1.5 A. Wenn Du ein Laborbnetzteil auf 1 A stellst, fängt dieses bei erreichen der eingestellten Grenze i.d.R. sofort an die Spannung zu senken. Wenn der XL für sich unter dem 1 A bleibt, ist alles paletti. Die Datasette wird beim Start (Anlaufen des Motors) kurzzeitig einen etwas höheren Anlaufstrom benötigen. Wenn da in der Summe nur minimal mehr als das eingestellte 1 A benötigt wird, bricht sofort die Spannung ein -> der Rechner zeigt Fehlfunktionen / hängt sich auf.

In den ATARI-Netzteilen (die ich kenne) ist üblicher Weise ein linearer Regler à la 78S05 oder etwas ähnliches verbaut. Diese können unter Umständen kurzzeitig auch mehr als die angegebene Leistung liefern.

Wenn Du keine "Normal"-Kassette hast, kann ich Dir eine zuschicken. Bei Bedarf auch mit einem kurzen Test-Progrämmchen. ;-)
Sleeπ

Benutzeravatar
dl7ukk
Beiträge: 678
Registriert: 25.08.2021 23:03
Has thanked: 143 times
Been thanked: 175 times
Kontaktdaten:

Re: XC12 Tape Rekorder will nicht

Beitrag von dl7ukk »

Hi,
.
Eratosthenes hat geschrieben:
19.09.2023 18:57
Vielleicht sollte ich mal nach den Elkos, sowohl im XL, als auch im Cassettenrekorder schauen... :mrgreen:
Ich habe mal gelernt ...

Ein Elko hat einen Reststrom der (zB bei Al-Elkos) mit spannungsloser Zeit -also nicht benutzt- größer wird. Ein reversibler Vorgang. (Elkos nachformieren).
Und ein Elko verliert mit der Zeit seine Kapazität, dann hat der Elko aber einen kleineren Aufladestrom.

Es ist immer eine gute Ide, sich Geräte die lange rumstanden erst mal richtig anzuschauen.

Übrigens: Obwohl SioPin 8 [Motorcontrol] heißt und auch den Recorder steuert, wird damit nicht(!) nur der Motor geschaltet, sondern die gesamte Schaltung der XC12


dl7ukk

Benutzeravatar
Eratosthenes
Beiträge: 50
Registriert: 03.09.2023 10:38
Has thanked: 19 times
Been thanked: 15 times
Kontaktdaten:

Re: XC12 Tape Rekorder will nicht

Beitrag von Eratosthenes »

Hallo noch mal,

irgendwie bin ich anscheinend zu blöd Tapes mit dem XL zu nutzen. Habe es bis jetzt auch noch nicht geschafft, ein Cassetten-Image mit dem FujiNet zu laden. :lol:

Hat sich aber auch quasi erledigt, da ich ja nun eine Möglichkeit Daten zu speichern habe.

Entsprechend werde ich mich jetzt erst mal darum kümmern, den XL kennenzulernen. DasXC12 ist dann später wieder dran.
„Hardware nennt man die Teile eines Computers, die man treten kann.“, Jeff Pesis

Benutzeravatar
dl7ukk
Beiträge: 678
Registriert: 25.08.2021 23:03
Has thanked: 143 times
Been thanked: 175 times
Kontaktdaten:

Re: XC12 Tape Rekorder will nicht

Beitrag von dl7ukk »

Hallo,
Habe es bis jetzt auch noch nicht geschafft, ein Cassetten-Image mit dem FujiNet zu laden
Es ist auch etwas verwirrend mit den Kassetten~ oder Cassetten-Image.

Es gibt da das CAS - Format.
Das ist ein spezieller Header, mit dem die üblichen Sio- Emulatoren (atarisio, RespecQT, FujiNet, Sdrive-Max) umgehen können. Die Programmnamen enden meist mit *.CAS

Und es gibt auch einfach zB. per DOS (außer DOS2.5 und ??) 1:1 überspielte Programme. Diese Programme können mit Cassetten-Emulatoren oder angepaßten OS Versionen (SPOS) geladen werden.

Was man nun für ein Programm hat, findet man nur durch Probieren oder Ansehen der ersten paar Bytes zB. im Basic oder im Freezer heraus.


dl7ukk

Benutzeravatar
Mathy
Beiträge: 2013
Registriert: 18.06.2021 11:13
Wohnort: Heerlen, NL
Has thanked: 1003 times
Been thanked: 616 times
Kontaktdaten:

Re: XC12 Tape Rekorder will nicht

Beitrag von Mathy »

.
Hallo Eratosthenes

Ich vermute immer noch einen Bedienungsfehler. Besuch doch mal ein Treffen. Dort gibt es bestimmt jemand der mal schauen kann was Du machst und was die Datasette macht. Wenn Du vorher angibst, das Du kommst und dein Problem noch mal schilderst, ist bestimmt auch jemand bereit seine funktionierende Datasette mit zu nehmen damit Ihr mal schauen könnt ob's damit funktioniert.

Tschüß

Mathy
Schreibe nicht der Absicht zu, was man mit Dummheit oder Ignoranz erklären kann.

Erhard
Beiträge: 1320
Registriert: 04.11.2021 15:52
Has thanked: 159 times
Been thanked: 427 times
Kontaktdaten:

XC12 Tape Rekorder will nicht

Beitrag von Erhard »

Hi,

Eratosthenes hat geschrieben:
19.09.2023 18:57
Wenn ich versuche eine aufgezeichnete Aufnahme zu laden, scheint es, als wäre die Aufnahme am Ende, also wenn der Rekorder abgeschaltet wird, verzerrt, bzw. als würde sie leiern.
Deine Beobachtung ist korrekt. Wenn der Atari mit dem Schreiben fertig ist und den Motor ausschaltet läuft der Motor noch einen Augenblick nach. Dabei wird er immer langsamer. Da der unter Umständen noch gesendete PRG (post record gap) aber mit konstanter Frequenz anliegt hört sich die Cassette hinterher am Ende auf einem Tapedeck so an, als würde der Ton nach oben "weglaufen".

Btw, ich habe eine Zeit lang Tests mit Cassetten gemacht und auch bei emulierten Cassetten (.cas Datei über APE) relativ häufig unerklärbare "Framing Errors" gehabt.

Eine (unbestätigte) Idee von mir ist, daß sich der POKEY beim Einmessen der Geschwindigkeit irgendwie bei den Bits verzählt. Das könnte (!) vielleicht (!) dadurch kommen, daß wenn der POKEY mit einer bestimmten Datenrate programmiert wird, diese erst durchgetaktet werden muß. Ein weiterer Hinweis, daß ein ähnliches Problem tatsächlich vorliegen könnte stammt aus den Forschungen zum SIO2USB: das SIO2USB mißt zum Bestimmen der SIO-Datenrate die Breite eines Taktes auf SIO-Clock-OUT. Als noch der allererste Puls gemessen wurde hat die Geschwindigkeit oft nicht gestimmt. Spätere Messungen haben dann ergeben , daß der erste Puls von unzuverlässiger Breite ist.

Ich bin auch einmal hergegangen und habe das OS meines XE testweise mit fester Datenrate von 600 Bits/s gepatcht. Danach hatte ich so gut wie keine Ladefehler mehr ...

Nun ja, da läßt es sich sicherlich noch forschen ...

CU, Erhard
Jede Info, die zu Hause auf meinem Rechner liegt habe ich unterwegs nicht verfügbar.
Jede Info, die im Netz liegt finde ich nicht wieder, wenn ich sie benötige.

Benutzeravatar
Eratosthenes
Beiträge: 50
Registriert: 03.09.2023 10:38
Has thanked: 19 times
Been thanked: 15 times
Kontaktdaten:

Re: XC12 Tape Rekorder will nicht

Beitrag von Eratosthenes »

Danke für die Info.

Ich würde gerne mal wissen, wie man von 'ner Cassette lädt. - Weder mit meinem (vermutlich ungenutzen-) XC12, noch mit dem FujiNet habe ich es geschafft irgend eine Cassette zu laden.

Vielleicht liegt MEIN Problem ja woanders. Ich kenn' das ja. Normalerweise ist das Problem ca. 40cm vom Bildschirm entfernt. :mrgreen:

P.S.: Es wundert mich wirklich, weshalb ich es nicht schaffe, irgend etwas von Cassette zu laden...
„Hardware nennt man die Teile eines Computers, die man treten kann.“, Jeff Pesis

Benutzeravatar
dl7ukk
Beiträge: 678
Registriert: 25.08.2021 23:03
Has thanked: 143 times
Been thanked: 175 times
Kontaktdaten:

Re: XC12 Tape Rekorder will nicht

Beitrag von dl7ukk »

Hi,

unter Basic ist es relativ einfach. Rechner einschalten und auf (Ready -> li. oben) , warten
CLOAD eintippen und mit <RETURN> abschließen, dann kommt ein Beeep
Band an die richtige Stelle spulen
Wiedergabe drücken
irgendeine Taste am Rechner drücken und das Band fängt an zu laufen und na ca. 20-30 Sec hörst Du die Ladetöne

Für Programme, die in "MaschinenCode" laufen.
Rechner einschalten UND die Taste OPTION drücken, dann kommt ein Beeep
Band an die richtige Stelle spulen
Wiedergabe drücken
irgendeine Taste am Rechner drücken und das Band fängt an zu laufen und na ca. 20-30 Sec hörst Du die Ladetöne


dl7ukk

Benutzeravatar
dl7ukk
Beiträge: 678
Registriert: 25.08.2021 23:03
Has thanked: 143 times
Been thanked: 175 times
Kontaktdaten:

Re: XC12 Tape Rekorder will nicht

Beitrag von dl7ukk »

Hi,

zum Laden von "Kassetten-Files" in Sio-Emulatoren gibt es ein eigenes Format. "Normale" Tape-File (BAS/ Maschine) laufen damit NICHT. Es sind Files mit einem "FUJI-Header" und diese Files enden oft auf *.CAS.


dl7ukk

Benutzeravatar
CharlieChaplin
Beiträge: 1151
Registriert: 18.06.2021 22:59
Has thanked: 362 times
Been thanked: 421 times
Kontaktdaten:

Re: XC12 Tape Rekorder will nicht

Beitrag von CharlieChaplin »

dl7ukk hat geschrieben:
04.10.2023 22:37
Hi,

Für Programme, die in "MaschinenCode" laufen.
Rechner einschalten UND die Taste OPTION drücken, dann kommt ein Beeep
Band an die richtige Stelle spulen
Wiedergabe drücken
irgendeine Taste am Rechner drücken und das Band fängt an zu laufen und na ca. 20-30 Sec hörst Du die Ladetöne


dl7ukk
Kleine Korrektur: Rechner einschalten und START und OPTION drücken,
Start ist für booten vom Tape, Option zum ausschalten von Basic.
(Man kann auch nur Start drücken, um von Tape zu booten, dann bleibt Basic aber eingeschaltet; nutzt man bei einigen kommerz. Basic-Tapes, z.B. von Europa.)

Benutzeravatar
dl7ukk
Beiträge: 678
Registriert: 25.08.2021 23:03
Has thanked: 143 times
Been thanked: 175 times
Kontaktdaten:

Re: XC12 Tape Rekorder will nicht

Beitrag von dl7ukk »

Hi,

Ich bitte vielmals um Entschuldigung.

Natürlich ist die <START> Taste die entscheidende Taste für das Laden vom Kassettenrekorder.

Danke Charly für die schnelle Korrektur !!!


dl7ukk

Fred_M
Beiträge: 134
Registriert: 17.08.2021 19:15
Has thanked: 25 times
Been thanked: 59 times

Re: XC12 Tape Rekorder will nicht

Beitrag von Fred_M »

Wie CharlieChaplin bemerkte, funktioniert die XC12 absolut nicht mit Chrome-Kassetten!!!
nicht mehr aktiv in diesem Forum - no longer active on this forum - Contact me at https://www.atarimuseum.nl

Antworten

Wer ist online?

Mitglieder in diesem Forum: 0 Mitglieder und 1 Gast