Seite 1 von 1
XF551 funktioniert nur als LW mit der ID-1
Verfasst: 01.03.2026 13:36
von Ich_bins3
Ich bin vor einiger Zeit schon mal drüber gestolpert das meine XF551 nur korrekt funktionier wenn sie als D1 eingestellt ist. Ich wollte eine Disk vom Sdrive auf Disk kopieren. Da es eine Bootdisk mit Sektorcopy war wollte ich sie gleich mit sich selbst kopieren. SDrive war D1 und die XF auf D2 gestellt. Aber es war nur ein LW am Bus...ich hab das dann umgedreht und mit DOS kopiert, das ging.
Dann stand sie einige Monate in der Ecke weil ich eine 1050 bekommen hatte welche mir irgendwie näher war. Schließlich hatte ich früher eine 1050 und kein XF...
Nun hat meine 1050 ein Turbo 1050 bekommen und ich möchte einige Sachen aus dem Bestand auf "Turbo-Disks" kopieren. Da muß ja die 1050 als D1 arbeiten.
Ich bin das jetzt mal Systematisch angegangen: es funktionieren nur die Kombis mit der XF551 als D1. Mit oder ohne SdriveMax ist ebenso gleich wie mit oder ohne HyperXF und mit oder ohne Turbo...
Woran könnte das liegen? De XF ist sonst einwandfrei...
Re: XF551 funktioniert nur als LW mit der ID-1
Verfasst: 01.03.2026 19:59
von Tigerduck
Nur zur Sicherheit, du bist dir gaaaanz sicher das du die Drive-Select-Schalter richtig eingestellt hast?
Re: XF551 funktioniert nur als LW mit der ID-1
Verfasst: 01.03.2026 20:49
von Ich_bins3
Irgendwann bestimmt, hab alles probiert.
Im Ernst: der US Sector Copier bietet als Source und Destination an, was er findet.
Ich habe das mit dem 1050 und dem SDriveMax getestet. Wenn dort die Kombi 1 und 3 war, hat das Programm die auch zur Auswahl gestellt. Muss also nicht zwingend 1 und 2 sein.
Mit der 1050 auf D1 und der XF551 in allen Möglichkeiten hat das Programm den Start verweigert, weil nur ein LW gefunden. Erst wenn ich das XF auf D1 und die 1050 auf D2 stelle, startet das Programm weil es 2 LW findet.
Ich habe lange getestet und, so glaube ich, alle Kombinationen durch. Die XF551 wird nur in LW Position D1 gefunden.
...hier stand Quatsch...
Re: XF551 funktioniert nur als LW mit der ID-1
Verfasst: 01.03.2026 21:03
von Tigerduck
Die SIO-Ports der XF551 sind sehr empfindlich. Da brechen gerne mal die Lötkontakte an der Platine.
Versuche mal zu testen ob beide SIO-Ports in Ordnungs sind indem du das Laufwerk jeweils an einem Port als D1 anschließt.
Also linker Port direkt als D1: mit dem Computer und dann rechter Port als D1: direkt mit dem Computer.
Ich hoffe du spürst was ich fühle, ähm... verstehst was ich meine. Einfach um auszuschließen das die SIO Ports einen wech haben...
Re: XF551 funktioniert nur als LW mit der ID-1
Verfasst: 01.03.2026 21:13
von mega-hz
oder der DriveSelect Schalter ist z.B. oxydiert oder kaputt...
Re: XF551 funktioniert nur als LW mit der ID-1
Verfasst: 01.03.2026 22:19
von CharlieChaplin
Ich_bins3 hat geschrieben: ↑01.03.2026 20:49
Im Ernst: der US Sector Copier bietet als Source und Destination an, was er findet.
Hmmm,
probiere neben den beiden SIO Ports der XF551 auch mal ein anderes Kopierprogramm. US Sector Copier ist für ultraspeed Laufwerke und nicht unbedingt für die XF551. Das LW sollte zwar trotzdem gefunden werden und dann eben langsam lesen/schreiben, aber wer weiß das bei einem derart alten Programm mit div. Varianten und Bugfixes (z.B. US Sector Copier 1, 2, 3, 4, 5) schon sicher zu sagen...
Re: XF551 funktioniert nur als LW mit der ID-1
Verfasst: 01.03.2026 22:24
von mega-hz
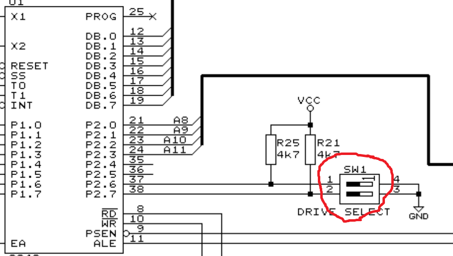
es wird NICHT am Kopierprogramm liegen!
Einfachster Test:
Schalte die auf D1,D2,D3,D4 und teste es mit nem DOS!
Wenn es immer auf D1 bleibt, bleibt nur der DriveSelect Schalter!
Lötstellen, oxydiert oder defekt.

- Screenshot (115).png (81.97 KiB) 9882 mal betrachtet
Re: XF551 funktioniert nur als LW mit der ID-1
Verfasst: 02.03.2026 01:08
von Mathy
.
Hallo Leute
Wenn nicht mich nicht irre, schaut das Laufwerk nur wenn's eingeschaltet wird nach der Einstellung des Drive-Select-Schalters. Ohne aus- und wieder einschalten reagiert das Laufwerk also nicht auf eine Änderung.
Tschüß
Mathy
Re: XF551 funktioniert nur als LW mit der ID-1
Verfasst: 02.03.2026 09:00
von Ich_bins3
Mathy hat geschrieben: ↑02.03.2026 01:08
.
Hallo Leute
Wenn nicht mich nicht irre, schaut das Laufwerk nur wenn's eingeschaltet wird nach der Einstellung des Drive-Select-Schalters. Ohne aus- und wieder einschalten reagiert das Laufwerk also nicht auf eine Änderung.
Tschüß
Mathy
Naja, das habe ich schon berücksichtigt. Jede Änderung vorher alles aus und dann Neustart...u.A. deswegen hat es sehr lange gedauert.
Den Schalter werde ich noch mal messen, aber dann würde das LW ja mit einer falschen ID gefunden, und nicht garnicht...oder?
Re: XF551 funktioniert nur als LW mit der ID-1
Verfasst: 02.03.2026 13:48
von mega-hz
ich denke das wird immer als 1 gefunden so wie Du geschrieben hast, oder?
Wenn natürlich 2x dieselbe ID vorhanden ist, ist es Glücksache, ob und wer davon erkannt wird.
Re: XF551 funktioniert nur als LW mit der ID-1
Verfasst: 02.03.2026 17:19
von Ich_bins3
Ich bin einen Schritt weiter:
Die Schalter sind im Handbuch missverständlich dargestellt, nicht das schwarze Quadrat sondern das weiße stellt den Schalter dar.
Außerdem müssen die Laufwerke hintereinander sein. es funktioniert nur die Kombi D1 und D2.
Ich hatte erst noch mal beide Schalter umgeschaltet (D4). Bei D2 und D3 kam Error 160 (LW nicht vorh.), bei D4 erst das "knurren" und dann Timeout.
Aber jetzt funktioniert es soweit.
Weiß jemand wie sich das SDriveMax beim Einschalten verhält? Unproblematisch sollten ja D3 und D4 sein. Aber D1 und D2 müssen empty sein, richtig?
Ich experimentiere weiter...
Re: XF551 funktioniert nur als LW mit der ID-1
Verfasst: 05.03.2026 04:13
von mega-hz
schon neue Erkenntnisse?
Re: XF551 funktioniert nur als LW mit der ID-1
Verfasst: 05.03.2026 08:23
von Ich_bins3
Ich komme erst am Wochenende zu weiteren "Übungen"...
Re: XF551 funktioniert nur als LW mit der ID-1
Verfasst: 05.03.2026 15:39
von Burkhard
Wenn ich das richtig sehe, hatte ein Atari Laufwerk bei Verkauf als Neugerät die Einstellung für "D1:*.*". Ich hatte auch immer nur eine Floppy, als ich meine XL Hochzeit (hightime, not Merrit) hatte. Jetzt habe ich dank diesem Forum eine zweite 1050. Falls ichje mal ein System mit 2 Floppys zusammen anwenden möchte, muß ich dann an die DS Schalter denken.
Was ein Graus - beim PC hat hat man nie solche Probleme, da wird DS über Kabel geregelt und DS hat immer "1"!

Re: XF551 funktioniert nur als LW mit der ID-1
Verfasst: 05.03.2026 17:49
von mega-hz
das ist kein Graus sondern Faulheit der Anwender!
Es gab schon immer bei fast jedem Laufwerk die Notwendigkeit, diesem eine "Adresse" oder ID zu vergeben!
SCSI, IDE, Shugart und auch SIO.
Völlig normal, das man die Geräte entsprechend jumpern muss!
Re: XF551 funktioniert nur als LW mit der ID-1
Verfasst: 05.03.2026 18:12
von HiassofT
Naja, ich muss schon sagen, dass die ID Auswahl bei der 1050 und XF551 für ein externes Gerät, bei dem man sowas durchaus öfters mal machen muss, schon sehr fummelig war.
Bei allen meinen externen SCSI Geräten hatte ich damals 0-7 Binär-Codierschalter (oder wie die auch immer genau heissen) bei denen man einfach durch Druck auf "+" oder "-" die ID ändern konnte.
Sowas ähnliches wie die hier:
https://www.conrad.de/de/p/ptr-hartmann ... 04632.html
Das war schon deutlich komfortabler als mit den Atari Floppies.
so long,
Hias
Re: XF551 funktioniert nur als LW mit der ID-1
Verfasst: 06.03.2026 13:06
von Burkhard
mega-hz hat geschrieben: ↑05.03.2026 17:49
das ist kein Graus sondern Faulheit der Anwender!
Es gab schon immer bei fast jedem Laufwerk die Notwendigkeit, diesem eine "Adresse" oder ID zu vergeben!
SCSI, IDE, Shugart und auch SIO.
Völlig normal, das man die Geräte entsprechend jumpern muss!
Ich würde es eher als Faulheit der
Hersteller bezeichnen. ...
Re: XF551 funktioniert nur als LW mit der ID-1
Verfasst: 06.03.2026 13:30
von Kveldulfur
Hallo!
Also mal davon ab, dass das Off-Topic ist, aber mal ehrlich: Faulheit der Hersteller?
In den 80er Jahren war die Floppy das Nonplusultra. Wer ein Diskettenlaufwerk besaß, hatte bereits viel Geld investiert. Die Wahrscheinlichkeit, dass man mehrere Diskettenstationen besaß, war gering. Und selbst wenn – warum hätte man die ID ändern sollen? Einmal eingestellt, blieben diese erhalten. Ich habe bei meiner Diskettenstation nie etwas umstellen müssen.
Die Commodore 1541 hat nicht einmal die Möglichkeit, die ID von außen zu ändern... und keiner meiner Mitschüler hat die Möglichkeit je vermisst.
Wer hat Anfang der 80er daran gedacht, dass es mal ein FujiNet geben oder dass man verschiedene Turbo-Module nutzen würde und deshalb die Laufwerke öfter umstellen müsste?
Wer damals eine Turbo oder eine Speedy hatte, nutzte oftmals nur eine – also Laufwerk D1, und fertig.
Kann sein, dass das heutzutage unkomfortabel ist, aber der Hersteller hat das bestimmt nicht absehen können.
Grüße,
Janko
XF551 funktioniert nur als LW mit der ID-1
Verfasst: 06.03.2026 17:36
von Erhard
Natürlich können neben einem Problem an den Laufwerks-ID-Schaltern auch Probleme vorliegen wie
- Pull-Up-Widerstand defekt
- kalte Lötstelle an den Pull-Up-Widerständen
- Leiterbahnen beschädigt
- I/O Ports am Chip defekt
- eine nicht originale Firmware
. natürlich darf man auch die Laufwerks-ID-Schalter hinten an der XF nicht mit denen der eingebauten Mechanik verwechseln (DS0-3)
Ein SDriveMax verbindet beim Einschalten per Standard ein auf der SD-Karte liegendes besonders ATR als D1.
Außerhalb des Kaltstarts ist dieses ATR als D0 über den TouchScreen verbindbar (wird dann als D1 behandelt).
Für die korrekte Funktion des SDriveMax ist eine korrekt eingerichtete (und eingelegte) SD-Karte erforderlich.
Re: XF551 funktioniert nur als LW mit der ID-1
Verfasst: 07.03.2026 11:39
von BöserWatz
Kveldulfur hat geschrieben: ↑06.03.2026 13:30
Hallo!
Also mal davon ab, dass das Off-Topic ist, aber mal ehrlich: Faulheit der Hersteller?
In den 80er Jahren war die Floppy das Nonplusultra. Wer ein Diskettenlaufwerk besaß, hatte bereits viel Geld investiert. Die Wahrscheinlichkeit, dass man mehrere Diskettenstationen besaß, war gering. Und selbst wenn – warum hätte man die ID ändern sollen? Einmal eingestellt, blieben diese erhalten. Ich habe bei meiner Diskettenstation nie etwas umstellen müssen.
Die Commodore 1541 hat nicht einmal die Möglichkeit, die ID von außen zu ändern... und keiner meiner Mitschüler hat die Möglichkeit je vermisst.
Wer hat Anfang der 80er daran gedacht, dass es mal ein FujiNet geben oder dass man verschiedene Turbo-Module nutzen würde und deshalb die Laufwerke öfter umstellen müsste?
Wer damals eine Turbo oder eine Speedy hatte, nutzte oftmals nur eine – also Laufwerk D1, und fertig.
Kann sein, dass das heutzutage unkomfortabel ist, aber der Hersteller hat das bestimmt nicht absehen können.
Grüße,
Janko
Ganz genau - mehr als ein Disklaufwerk war Luxus.
Für die Copy-Party wurden auch keine Laufwerke mitgeschleppt.
Da wurden so viele leere Disks wie möglich mitgenommen und gut.
Und dann hieß es „Teenager starren auf Copy-Programme“

Re: XF551 funktioniert nur als LW mit der ID-1
Verfasst: 09.03.2026 20:55
von Ich_bins3
Erhard hat geschrieben: ↑06.03.2026 17:36
Natürlich können neben einem Problem an den Laufwerks-ID-Schaltern auch Probleme vorliegen wie
- Pull-Up-Widerstand defekt
- kalte Lötstelle an den Pull-Up-Widerständen
- Leiterbahnen beschädigt
- I/O Ports am Chip defekt
- eine nicht originale Firmware
. natürlich darf man auch die Laufwerks-ID-Schalter hinten an der XF nicht mit denen der eingebauten Mechanik verwechseln (DS0-3)
Ein SDriveMax verbindet beim Einschalten per Standard ein auf der SD-Karte liegendes besonders ATR als D1.
Außerhalb des Kaltstarts ist dieses ATR als D0 über den TouchScreen verbindbar (wird dann als D1 behandelt).
Für die korrekte Funktion des SDriveMax ist eine korrekt eingerichtete (und eingelegte) SD-Karte erforderlich.
Ich hatte ja bereits geschrieben das es jetzt funktioniert. Das SDrive funktioniert auch. Mich interessiert nur (zum probieren bin ich nicht gekommen) was an Images eingehängt sein muß und was nicht eingehängt sein darf damit man 4 bekannte LW im System hat, die physikalischen und die emulierten sich jedoch nicht behindern...
Nicht das ich es unbedingt brauch, aber wissen möchte ich es schon. Ich hoffe ich komme die Tage mal zum experimentieren...
XF551 funktioniert nur als LW mit der ID-1
Verfasst: 10.03.2026 14:01
von Erhard
.
Ich_bins3 hat geschrieben: ↑09.03.2026 20:55
was nicht eingehängt sein darf damit man 4 bekannte LW im System hat, die physikalischen und die emulierten sich jedoch nicht behindern
Wenn ich die Frage nicht falsch verstanden habe: ist wie bei Highlander: es darf nur Einen geben.
Für alle angeschlossenen Laufwerke, egal ob echtes Floppylaufwerk oder Laufwerksemulator gilt: eine Laufwerks-ID darf nur auf einem Gerät gleichzeitig aktiv sein.
Hast Du beispielsweise auf dem SDriveMax D2: und D4: belegt, sind für z.B. eine 1050 noch D1: und D3: nutzbar.
Re: XF551 funktioniert nur als LW mit der ID-1
Verfasst: 10.03.2026 18:42
von Ich_bins3
Du hast die Fragestellung verstanden. Ich bin halt nicht sicher, weil...:
wenn man das SDrive und D1 am Bus hat und von der Floppy bootet (alle Slots am SDrive empty), kann man in D2 - D4 etwas einhängen und benutzen. Sie scheinen sich also zu melden...
Für mein Verständnis also: 2 reale Floppys (D1, D2) und in D3 und D4 auf dem SDrive ein Image sollte problemlos gehen...
Ich muß das unbedingt probieren...
Re: XF551 funktioniert nur als LW mit der ID-1
Verfasst: 10.03.2026 19:03
von FlorianD
dem ATARI mit seinem OS und dem DOS ist es egal, ob da eine echte Floppy dranhängt (1050 oder 551) oder ein SDrive oder SIO2USB oder ein Interfacekabel zu einem PC mit Floppysoftware.
Es darf von jedem Laufwerk nur eins geben: D1, D2, D3, D4, ... sonst gibt es Durcheinander.
Sagst Du z.B. im DOS: "gib mir das Directory von D1:*.*",
fragt der Computer am SIO Bus zuerst "Ist da jemand mit Namen D1?"
und wenn sich jemand meldet mit "ja", dann sagt der Computer "gib mir das Directory D1:*.*"
Nun dürfte klar sein, wenn da zwei Geräte mit ID=D1 sind, dass die beide melden und zurückgeben und dann wird turbulent.
Also immer schön aufpassen, dass es jedes Dx immer nur 1x gibt, oder die Geräte bei Nichtgebrauch abschalten (die echten) oder abmelden (virtuell abmelden)
Re: XF551 funktioniert nur als LW mit der ID-1
Verfasst: 11.03.2026 09:25
von Burkhard
Ich_bins3 hat geschrieben: ↑10.03.2026 18:42
Du hast die Fragestellung verstanden. Ich bin halt nicht sicher, weil...:
wenn man das SDrive und D1 am Bus hat und von der Floppy bootet (alle Slots am SDrive empty), kann man in D2 - D4 etwas einhängen und benutzen. Sie scheinen sich also zu melden...
Für mein Verständnis also: 2 reale Floppys (D1, D2) und in D3 und D4 auf dem SDrive ein Image sollte problemlos gehen...
Ich muß das unbedingt probieren...
Wenn ich das richtig sehe, beschreibst Du hier so, daß Du erst einmal von D1 bootest und sobald das System steht die anderen Floppys zuschalten. Nach meinem Verständnis kann das aber beim Atari nicht funktionieren, Du hättest weiterhin nur eine Floppy ...
Vor dem Computer müssen Alle Floppys eingeschaltet werden und Initialisiert sein ...
Re: XF551 funktioniert nur als LW mit der ID-1
Verfasst: 11.03.2026 21:00
von Ich_bins3
Burkhard hat geschrieben: ↑11.03.2026 09:25
Ich_bins3 hat geschrieben: ↑10.03.2026 18:42
Du hast die Fragestellung verstanden. Ich bin halt nicht sicher, weil...:
wenn man das SDrive und D1 am Bus hat und von der Floppy bootet (alle Slots am SDrive empty), kann man in D2 - D4 etwas einhängen und benutzen. Sie scheinen sich also zu melden...
Für mein Verständnis also: 2 reale Floppys (D1, D2) und in D3 und D4 auf dem SDrive ein Image sollte problemlos gehen...
Ich muß das unbedingt probieren...
Wenn ich das richtig sehe, beschreibst Du hier so, daß Du erst einmal von D1 bootest und sobald das System steht die anderen Floppys zuschalten. Nach meinem Verständnis kann das aber beim Atari nicht funktionieren, Du hättest weiterhin nur eine Floppy ...
Vor dem Computer müssen Alle Floppys eingeschaltet werden und Initialisiert sein ...
Genau DA ist die crux...was macht das SDriver, wenn keine Images drin sind? es gibt ja D1 bis D4 im SDrive UND mind. D1 physikalisch...
Da ich dasSDrive verwenden kann, hat das DOS kenntnis vom SDrive. Aber die physikalischen sind auch da. Stören die sich...? Nö, ich kann ja (hab ich unlängst ja gemacht) von D2 (SDrive) auf D1 (real) kopieren...da das SDrive immer 4 LW hat(allerdings beim booten "empty"), war da das D1 2 Mal am Bus, oder?
Aber warum stören die sich nicht...
Re: XF551 funktioniert nur als LW mit der ID-1
Verfasst: 12.03.2026 10:14
von Burkhard
Du hast meine angeschnittene Problematik scheinbar nicht richtig erfaßt - ich versuche mich zu erklären:
Mit 24 habe ich 1984 mit dem XL angefangen. Da ich schon 8 Jahre im Berufsleben war, konnte ich gleich eine Anlage mit Floppy ...
Schnell lernte ich in der Nachbarschaft einige Jungs - alle noch Schüler - kennen, Atari XL & 1010. Soweit kurz eine Einleitung.
Einer von den Jungs kam immer wieder mal mit seiner 1010 und wir haben Copy Session gemacht. Irgendwann kam er dann auch mit einer 1050 und während ich noch meine "Arbeit" am Computer fertigstellen, hat er seine Gerätschaften schon einmal nach Umstellung der betreffenden Schalter aufgebaut. Dann haben wir das Laufwerk angeschlossen, noch während der Atari im Betrieb war. Dann haben wir probiert das Gerät - mittlerweile an und initialisiert - anzusprechen: ERROR 170!
Was ich aus dieser Erfahrung weiß: Man kann kein Speicherlaufwerk ins laufende System einbinden, wenn es nicht von Anfang an mitgebootet wird (nach meinem Verständnis!)
Das wollte ich mit meinem letzten Pos Aussagen!
Re: XF551 funktioniert nur als LW mit der ID-1
Verfasst: 12.03.2026 19:07
von mega-hz
DOCH!
das kann man!
Nur gibt es DOSse die z.B. nur auf ein Laufwerk vorkonfiguriert wurden oder die die Laufwerke durchtesten wollen.
Beim BiboDos ist es z.B. so, hat man es mit nur einem LW konfiguriert, will es auch nur das eine sehen.
Anders bei MyDOS, da testet das DOS ob z.B. D2 da ist indem es einfach die entsprechende ID im Kommando sendet.
Ist D2 da, meldet es sich dann auch. Auch wenn es später eingeschaltet wurde.
Error 170 heisst nix weiter als File/Dir nicht gefunden.
Re: XF551 funktioniert nur als LW mit der ID-1
Verfasst: 12.03.2026 19:26
von Ich_bins3
Das ist mir schon alles klar. Ich glaube ich habe mein Verständnisproblem nicht deutlich genug gemacht...
Ich hole mal weiter aus:
Das SDriveMax emuliert ja bis zu 4 Laufwerke, in welche Images eingehängt werden können oder eben nicht. Habe ich das solo am A8 ist alles klar. Im D1 ein Dos der Rest ist leer. Nun kann ich, nach dem booten, Images einhängenund mit D1 bis D4 arbeiten. Also sind 4 Laufwerke dem System bekannt. Soweit, so gut...
Es funtioniert aber auch, ein Image in D2 zu hängen (oder alle 4 Slots leer lassen), eine reale 1050 als D1 an den Bus zu klemmen und von Diskette zu booten. D1 müsste doch jetzt 2 mal am Bus antworten, oder?? Es funktioniert auf jeden Fall, so habe ich einige Images auf Disketten kopiert (D2 nach D1)...
Erkennt das SDrive reale LW am Bus und blendet diese aus oder warum geht das?
Diese Fragestellung gibt es natürlich schon mit nur einer realen Floppy, ich bin aber jetzt mit zweien erst drüber gestolpert...
Edit: Das bezieht sich auf den Post von Burkhard...

Re: XF551 funktioniert nur als LW mit der ID-1
Verfasst: 12.03.2026 23:48
von mega-hz
Ich_bins3 hat geschrieben: ↑12.03.2026 19:26
Das ist mir schon alles klar. Ich glaube ich habe mein Verständnisproblem nicht deutlich genug gemacht...
Ich hole mal weiter aus:
Das SDriveMax emuliert ja bis zu 4 Laufwerke, in welche Images eingehängt werden können oder eben nicht. Habe ich das solo am A8 ist alles klar. Im D1 ein Dos der Rest ist leer. Nun kann ich, nach dem booten, Images einhängenund mit D1 bis D4 arbeiten. Also sind 4 Laufwerke dem System bekannt. Soweit, so gut...
Es funtioniert aber auch, ein Image in D2 zu hängen (oder alle 4 Slots leer lassen), eine reale 1050 als D1 an den Bus zu klemmen und von Diskette zu booten. D1 müsste doch jetzt 2 mal am Bus antworten, oder?? Es funktioniert auf jeden Fall, so habe ich einige Images auf Disketten kopiert (D2 nach D1)...
Erkennt das SDrive reale LW am Bus und blendet diese aus oder warum geht das?
Diese Fragestellung gibt es natürlich schon mit nur einer realen Floppy, ich bin aber jetzt mit zweien erst drüber gestolpert...
Edit: Das bezieht sich auf den Post von Burkhard...
Wieso sollte D1 dann 2x antorten?
Wenn es eindeutig so gejumpert bzw. am SDRIVE so eingestellt ist, gibt es eben nur die Geräte mit ID D1,D2 oder so.
Das SDRIVE erkennt keine angeschlossenen Geräte, sondern hört nur darauf, was eingestellt ist. ATR in D2: dann fühlt es sich eben bei D2 angesprochen.
Musst Du mit Briefkästen und der Post vergleichen!
Post hat nen Brief für D3, den gibts da aber nicht, also zurück bzw. weg damit/Error.
Post für D1 geht an Herrn Floppy. Angekommen, ACK.
Post für D2 geht an Frau SDRIVE, Angekommen, ACK.
Kopieren von Herrn D1 zu Frau D2 geht so: Herr D1 kommt zu Frau D2 und fragst sie, ob sie nicht gerne eine Kopie von Ihm haben möchte.
Wenn Frau D2 nicht schreibgeschützt ist, sagt sie ja
Oder so...
Re: XF551 funktioniert nur als LW mit der ID-1
Verfasst: 13.03.2026 22:44
von Burkhard
Wieso hat es damals - wenn ich es noch richtig in Erinnerung habe mit Ataris DOS 3 (Ich kannte damals nur DOS 2 &3) - nicht geklappt? Wir haben einen Error zurück erhalten, aus dem hervorging, daß angesprochenen Laufwerk nicht vorhanden sei ...
Re: XF551 funktioniert nur als LW mit der ID-1
Verfasst: 14.03.2026 02:03
von mega-hz
wahrscheinlich war das DOS auf ein LW konfiguriert...
Technisch gesehen geht es aber.
Re: XF551 funktioniert nur als LW mit der ID-1
Verfasst: 14.03.2026 10:20
von Ich_bins3
mega-hz hat geschrieben: ↑12.03.2026 23:48
Wieso sollte D1 dann 2x antorten?
Ich dachte immer das beim booten gecheckt wird welche Harware vorhanden ist. Meldet sich nur D1, wird D2 vom DOS
sofort als Fehler gemeldet.
Melden sich die LW des SDrive (D1 - D4), werden die vom DOS "gültig" registriert.
Deshalb kann ich ja, nach dem Boot, ins SDrive ATR hängen und sie ansprechen, wenn es beim booten dran ist. Ohne ATR gibt dann aber es ein Timeout...
Habe ich nun das SDrive
und eine 1050 dran (SDrive alle empty), wird die "echte" D1 und die Hardware SDrive erkannt und als gültige Laufwerk ID registriert. Hier ist aber eben ein zweites D1 bei...
Das es nicht funktioniert wenn ich nun noch ein ATR in D1 vom SDrive hänge ist völlig klar. Ich verstehe nur die mögliche Coexistenz nicht...
Ich komme wieder nicht zum testen, muss erstmal Kopfdichtung bei meinem TDI machen...
Re: XF551 funktioniert nur als LW mit der ID-1
Verfasst: 14.03.2026 13:36
von DjayBee
Wenn ich mich richtig erinnere, antwortet ein SDrive NICHT auf das Polling eines (virtuellen) Laufwerks, in das kein ATR eingelegt wurde.
Den DOSsen von Atari ist es wurstegal, ob ein Laufwerk beim Start an ist oder nicht. Keine Ahnung, wie es mit all den anderen DOSsen aussieht.
Aber, wie bereits von anderen Mitgliedern geschrieben, gibt es eine Speicherstelle, die die MAXIMAL nutzbaren Laufwerke definiert; und die steht als Standard auf 2. Nur für diese Laufwerke werden Puffer usw. initialisiert und somit Speicher verbraucht.
Re: XF551 funktioniert nur als LW mit der ID-1
Verfasst: 14.03.2026 14:03
von Mathy
.
Hallo Leute
MyDOS braucht nur drei Puffer um alle Laufwerke nutzen zu können.
Tschüß
Mathy
XF551 funktioniert nur als LW mit der ID-1
Verfasst: 15.03.2026 09:57
von Erhard
Ich verwende als virtuelle Laufwerke (oder habe verwendet) APE, SDrive, SDriveMax, SIO2PC, SIO2USB, AspeQt, RespeQt und das FujiNet.
All diese Geräte oder Emulatoren bedeutet ein nicht eingelegtes ATR auf einem Laufwerksschacht, daß sich das Laufwerk wie ein ausgeschaltetes echtes Laufwerk verhält.
(Beim FujiNet war dies bei älteren Firmwareversionen anders.
Seitens der Authoren wurde argumentiert, daß ein echtes Laufwerk ja auch nicht ausgeschaltet ist, wenn man die Disk herausnimmt.
Für mich erfreulicherweise konnte ich bewirken, daß das Verhalten geändert wurde.)
Bezüglich der Anpassung von DOS-Versionen zur Anzahl angeschlossener Laufwerke:
SpartaDOS 3.x arbeitet mit allen verfügbaren Laufwerken (1-9), egal ob beim Booten an oder nicht. Es gibt auch keine Konfigurationsmöglichkeit.
BW-DOS 1.3 und 1.5 arbeiteten mit den Laufwerken 1-4 und 8, egal ob beim Booten an oder nicht. Es gibt auch keine Konfigurationsmöglichkeit.
RealDOS arbeitet mit allen verfügbaren Laufwerken (1-9), egal ob beim Booten an oder nicht. Es gibt auch keine Konfigurationsmöglichkeit.
SpartaDOS-X -> arbeitet mit allen verfügbaren Laufwerken (1-15). Ob es da was zu konfigurieren gibt (Anzahl Puffer o.ä.) weiß ich nicht -> bitte Handbuch lesen
Atari DOS 2.0, 2.5 und BiboDOS: da war was zu konfigurieren. Weiß ich nicht auswendig. Benutze ich nicht. -> RTFM.
Atari DOS 3.0 benutzt keine S.., ähm, kein Mensch, meines Wissens. Inkompatibel bis zum Gehtnichtmehr.
MyDOS hat Mathy beantwortet.
OSA-DOS: ?
Es gibt noch ne ganze Ecke mehr DOS-Versionen oder -Varianten. Wer die Aufzählung korrigieren oder erweitern will ...
Re: XF551 funktioniert nur als LW mit der ID-1
Verfasst: 15.03.2026 15:56
von CharlieChaplin
Bei den allermeisten DOS 2.x muss man die Anzahl der LW manuell konfigurieren. Das geht u.a. mit POKE 1802,x oder einem Äquivalent in Assembler / ML, sonstwas oder auch mit der Datei Setup.COM/Config.COM oder ähnlichem. Wenn ich mich nicht irre, ist bei den DOS 2.x als Standard 2 LW eingetragen, man kann das aber je nach DOS auf bis zu 4 oder sogar bis zu 8 LW ändern. (Bei erfolgter Konfigurationsänderung muss sodann das DOS neu auf Diskette geschrieben werden.)
Jedes zusätzliche LW kostet unter DOS 2.x aber zusätzlichen Speicher (sog. Puffer/Buffer, diese erhöhen das memlo), wodurch manche Programme dann halt nicht mehr laufen (hallo TB XL). Auch haben manche DOS 2.x Versionen Bugs oder ggf. Ramprobleme (z.B. Start von DUP.SYS im RAM), wodurch es nicht möglich ist alle LW mitsamt einer Ramdisk zu betreiben (glaube da war was mit DOS 2.5 und 4 Laufwerken + Ramdisk, was nicht geht).
Stichwort Inkompatibilität, es gibt meines Erachtens eigentlich zwei DOS Standards auf dem A8:
1) DOS 2.x / DOS II FS: Atari DOS 2.0, Atari DOS 2.5, Smart DOS, MyDOS, Bibo-DOS, Turbo-DOS, Super-DOS, Top DOS, DOS XL, Happy DOS, X-DOS, OS A+ V2.x, etc. Hier muss man die Anzahl der LW konfigurieren!
2) SDFS: Sparta-DOS 1.x, Sparta-DOS 2.x, Sparta-DOS 3.x, Bewe-DOS, Real-DOS, SDX oder auch Sparta DOS 4.x; hier muss man die Anzahl der LW nicht konfigurieren.
Daneben gibt es noch viele inkompatible oder nur zu sich selber kompatible DOS Varianten, wie z.B. Atari DOS 3, DOS 4.0 (Antic, Atari, M.Barall), DOS XE (Are you sure? Press Start to continue or Select to abort.), OS A+ V4.x. (verwandt mit Apple-DOS), etc.
Unter den div. DOS 2.x bzw. DOS II FS Varianten gibt es dann leider auch noch einige kleine Inkompatibilitäten, was u.a.
a) die Verwaltung von Medium/Enhanced Density (130k Format; zweiter VTOC-Sektor ja/nein? Zweite VTOC in welchem Sektor? Werden sodann 1040 Sektoren, 1024 Sektoren, 960+ Sektoren, 932 / 933 Sektoren verwaltet?, etc.) und
b) die Verwaltung von DS/DD 40 Tracks (360k Format, mit oder ohne Sektor/Filelinks ? Mit 3 Bytes oder 4 Bytes für Filelinks ? Mit 64 oder 128 Directory Einträgen ?) betrifft.
Re: XF551 funktioniert nur als LW mit der ID-1
Verfasst: 15.03.2026 17:23
von CharlieChaplin
Erhard hat geschrieben: ↑15.03.2026 09:57
OSA-DOS: ?
https://en.wikipedia.org/wiki/Optimized ... s_Software
siehe "Disk Operating Systems" und dort "OS/A+"
sowie Atari Wiki:
https://atariwiki.org/wiki/Wiki.jsp?page=OSS%20A%2B%204
https://atariwiki.org/wiki/Wiki.jsp?page=OSS%20A%2B%202
Soweit ich weiß, sind OS/A+ V2.x und V4.x völlig inkompatibel zueinander. Die ältere V2.0 / 2.1 ist Atari DOS kompatibel, die neuere V4.1 ist Apple-DOS kompatibel...
Nun sehe ich, dass im Atari Wiki unter OS/A+ V4.1 eine Version namens DOS II+D V4.2M zum Download vorhanden ist. Das II+D sieht schon sehr nach Stefan Dorndorf aus (könnte aber Zufall sein). Also Image heruntergeladen und es ist ein DOS.SYS mit 38 Sektoren Länge vorhanden, dieses kann andere DOS II FS Disketten lesen...hmmm, seltsam. OS/A+ V4.1 soll ja DOS 2 inkompatibel sein. Wäre es möglich, dass es sich beim DOS II+D V4.2M im Atari Wiki lediglich um ein älteres DOS von Stefan Dorndorf handelt - und gar nicht um das OS/A+ V4.1 von OSS ? Oder liege ich da völlig falsch...?!?
@Dietrich: Schau dir das im Atari Wiki mal an. Ist das ATR Image (DOS II+D V4.2M) ein älteres DOS von dir -oder- ist es wirklich das OS/A+ V4.x von OSS ?!?
Re: XF551 funktioniert nur als LW mit der ID-1
Verfasst: 15.03.2026 21:23
von Ich_bins3
Wow, jetzt habe ich verstanden wie es läuft! Danke für die ausführlichen erläuterungen!
Irgendwann werde ich das noch mal ausprobieren...
Und DÖsse mus ich mal probieren...