Seite 1 von 1
Power Leitungen an der SIO
Verfasst: 06.01.2025 08:09
von Burkhard
Was ich mich schon länger frage: sind die Spannungsleitungen am SIO eigentlich ständig "aktiv"?
Hintergrund: Das SIO2SD wird idR. ohne Netzteil angeschlossen und bezieht auch den Strom. Wenn mit originaler Floppy gebootet wird, muß die erstmal Initialisieren, bevor man den Computer einschaltet. Das SIO2SD ist technisch wohl schneller aktiv, aber ...
Re: Power Leitungen an der SIO
Verfasst: 06.01.2025 09:31
von Kveldulfur
Hallo!
Ja, ich dachte auch immer, dass das READY-Signal (+5V) geschaltet ist. Aber nein, es liegt dauerhaft auf +5V.

- Ready.jpg (75.65 KiB) 2191 mal betrachtet
Grüße
Janko
Re: Power Leitungen an der SIO
Verfasst: 07.01.2025 08:47
von Sleeπ
Kveldulfur hat geschrieben: ↑06.01.2025 09:31
Ja, ich dachte auch immer, dass das READY-Signal (+5V) geschaltet ist. Aber nein, es liegt dauerhaft auf +5V.
Das wäre mir auch neu...
Hast Du das gemessen?
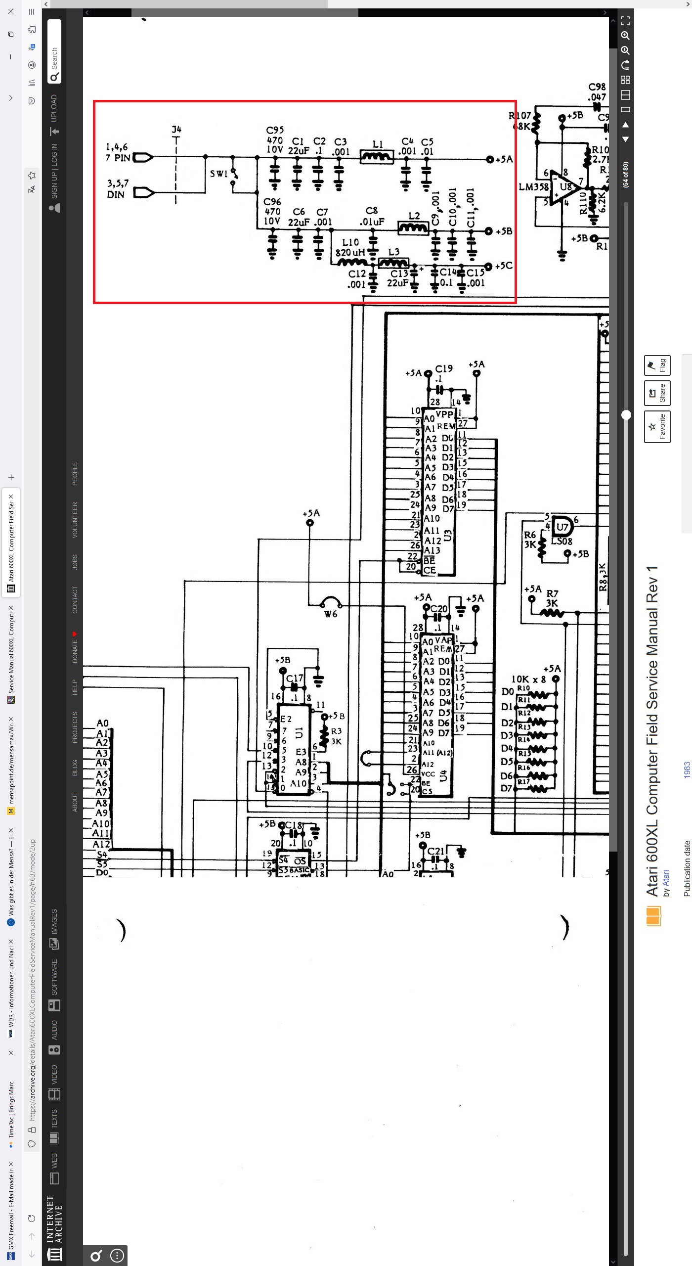
Hab´ gerade mal zwei Schaltpläne dazu gezogen.
Zum einen das Field Service Manual zum 600XL; daraus werde ich, ehrlich gesagt, garnicht schlau:

- 600XL Field Service Manual.jpg (576.7 KiB) 2158 mal betrachtet
Das ergibt für mich so garkeinen Sinn; Augenscheinlich werden die 5 V und Masse direkt hinter der Buchse kurzgeschlossen, der Schalter wird auch gebrückt?
Etwas besser nachvollziehbar der Plan eines 800XL:

- 800 XL tu-chemntitz.jpg (750.52 KiB) 2158 mal betrachtet
Was ich bei
beiden Plänen nicht sehe wäre dass die 5 V
vor dem Schalter abgezweigt werden und damit irgendwo ständig 5 V anliegen, egal ob der Rechner an- oder ausgeschaltet ist...
WENN da bei ausgeschaltetem Rechner tatsächlich 5 V anliegen, müssten die eigentlich irgendwoanders herkommen.
Oder habe ich da etwas missverstanden?
Re: Power Leitungen an der SIO
Verfasst: 07.01.2025 09:14
von Kveldulfur
Hallo!
Oh... ich habe wohl die Frage dann falsch verstanden.
Die Ready-Leitung (+5V) ist natürlich erst nach dem Einschalten des Computers aktiv.
Aber dann halt dauerhaft. Es hat mich nur immer schon gewundert, dass die Leitung "Ready" heisst und nicht einfach "+5V".
Ich dachte, darum ging es
Entschuldige das Missverständnis.
Grüße
Janko
Re: Power Leitungen an der SIO
Verfasst: 07.01.2025 09:40
von Sleeπ
So abwägig ist der Gedanke auch nicht; die Bezeichnung "READY" suggeriert mir das die Leitung erst auf "High" geht wenn der Rechner
fertig mit Booten ist.
Um auf Burkhard´s Frage zurückzukommen: Ja, die moderneren SIO-Geräte, die über den SIO-Bus mit Spannung verssorgt werden, sollten so schnell betriebsbereit sein daß sie vor dem ersten Zugriff des ATARIs bereit sind um vom ATARI gefunden werden zu können.
Das scheint aber recht zuverlässig zu klappen; ich hatte bisher weder mit sio2sd / sio2usb oder dem Fujinet dahingehend Probleme.
Re: Power Leitungen an der SIO
Verfasst: 07.01.2025 09:45
von 24sumo
Genau deshalb habe ich in meinem Sio2SD einen Ein/Aus-Schalter nachgerüstet, damit man das Gerät nicht andauernd umkonfigurieren oder abstöpseln muss. Sonst ist es bisschen nervig, wenn z.B. noch eine Floppy am Bus hängt und diese dann normalerweise auch als D1: konfiguriert ist.
Gruß
Bernhard
Re: Power Leitungen an der SIO
Verfasst: 07.01.2025 10:20
von Sleeπ
Ich nehme dann einfach die SD-Karte aus... Das hilft natürlich nur wenn man nicht beide Geräte gleichzeitig nutzen möchte.

Re: Power Leitungen an der SIO
Verfasst: 07.01.2025 16:44
von Burkhard
Der Hintergrund, warum mich diese Frage beschäftigt:
Bei Einbautipps eines SIO2SD stoße ich immer wieder auf Hinweise, daß der Strom mit an der SIO abgegriffen wird. Gesetzt der Fall, daß nach dem Einschalten des Computers immer das zuletzt verwendete Image zV. steht, man sich aber mit einer anderen "Disk" nach dem Aktivieren beschäftigen möchte, muß man zB. mit der Eingabe von "Bye" und einem <Reset> einen Neustart erzwingen. Besser wäre es also, wenn der Strom nicht dauerhaft an der SIO anliegt, diesen an der Power-Buchse abzugreifen und über einen Schalter an die SIO2SD zu legen (anderenfalls eben einen solchen in die Powerleitung ...), um erst SIO2SD zu aktivieren, dann das Image zu wählen und dann am Hauptschalter den Computer einschalten.