Mini-Mods von Bernhard Pahl
Moderatoren: Sleeπ, andymanone
-
Burkhard
- Beiträge: 507
- Registriert: 03.06.2021 21:29
- Has thanked: 10 times
- Been thanked: 41 times
- Kontaktdaten:
Mini-Mods von Bernhard Pahl
Erst einmal ein gesegnetes und gesundes neues Jahr 2025
Ich habe mal angefangen, die kleinen Erweiterungen von BP in einem Schaltplan zu vereinen. Bei der CPU-Bremse gibt es noch Kleinigkeiten zu hinterfragen:
Den Trimmer hat er wie einen normalen Widerstand beschaltet. Ich gehe aber davon aus, daß das dann nicht funktioniert. Nach den Angaben im Text gehe ich davon aus, daß der Mittenkontakt des Poti an CPU Pin 6 angeschlossen wird - ist das korrekt?
Für zwei Schaltungen wird je ein gleicher NAND IC verwendet, aber insgesamt nur 3 Gatter. Diese habe ich in einem vereinigt. Sollte man den unbenutzten Gate nicht auch mit einem definierten Pegel beslegen?
Ich habe mal angefangen, die kleinen Erweiterungen von BP in einem Schaltplan zu vereinen. Bei der CPU-Bremse gibt es noch Kleinigkeiten zu hinterfragen:
Den Trimmer hat er wie einen normalen Widerstand beschaltet. Ich gehe aber davon aus, daß das dann nicht funktioniert. Nach den Angaben im Text gehe ich davon aus, daß der Mittenkontakt des Poti an CPU Pin 6 angeschlossen wird - ist das korrekt?
Für zwei Schaltungen wird je ein gleicher NAND IC verwendet, aber insgesamt nur 3 Gatter. Diese habe ich in einem vereinigt. Sollte man den unbenutzten Gate nicht auch mit einem definierten Pegel beslegen?
Re: Mini-Mods von Bernhard Pahl
Also zu dem letzten Punkt:Burkhard hat geschrieben: ↑31.12.2024 20:18Erst einmal ein gesegnetes und gesundes neues Jahr 2025
Ich habe mal angefangen, die kleinen Erweiterungen von BP in einem Schaltplan zu vereinen. Bei der CPU-Bremse gibt es noch Kleinigkeiten zu hinterfragen:
Den Trimmer hat er wie einen normalen Widerstand beschaltet. Ich gehe aber davon aus, daß das dann nicht funktioniert. Nach den Angaben im Text gehe ich davon aus, daß der Mittenkontakt des Poti an CPU Pin 6 angeschlossen wird - ist das korrekt?
Für zwei Schaltungen wird je ein gleicher NAND IC verwendet, aber insgesamt nur 3 Gatter. Diese habe ich in einem vereinigt. Sollte man den unbenutzten Gate nicht auch mit einem definierten Pegel beslegen?
Ja, unbenutze Gatter sollte man immer an den Eingängen auf einen definierten Pegel legen, ob GND oder VCC ist dabei egal.
Die unbenutzen Ausgänge einfach offen lassen.
Zur CPU Bremse:
Ich weiss jetzt nicht, welche Schaltung Du meinst, aber ich habe was ähnliches früher gemacht:
Einen Taktgeber mittels NE555 den man in der Frequenz mit einem Poti einstellen konnte, den Ausgan des 555 dann an den IRQ Eingang der 6502.
So wurde die CPU zwar nicht angehalten, hat aber durch abarbeiten von Interrupts -die ja keine echten waren - aber gebremst.
Bis zum Stillstand war möglich, allerdings nur ca. 10sek. Stillstad, dann kackt die CPU ab.
Aber mit "ganz bisschen" Takt konnte man ein Spiel so verlangsamen, das man mal eben auf Pott gehen konnte
keine PN's mehr! Bitte per email kontaktieren! atari1450xld©mega-hz.de
Re: Mini-Mods von Bernhard Pahl
keine PN's mehr! Bitte per email kontaktieren! atari1450xld©mega-hz.de
Re: Mini-Mods von Bernhard Pahl
Ach ich sehe gerade auf der Seite von Pahl:
Die CPU Bremse funktioniert ja so wie meine damals, nur hat er anstatt nen NE555 einen 7400 als Taktgeber verwendet
Weiss jemand, warum Bernhard seinen ganzen Atari-Kram von seiner Webseite genommen hat?
Die CPU Bremse funktioniert ja so wie meine damals, nur hat er anstatt nen NE555 einen 7400 als Taktgeber verwendet
Weiss jemand, warum Bernhard seinen ganzen Atari-Kram von seiner Webseite genommen hat?
keine PN's mehr! Bitte per email kontaktieren! atari1450xld©mega-hz.de
-
Burkhard
- Beiträge: 507
- Registriert: 03.06.2021 21:29
- Has thanked: 10 times
- Been thanked: 41 times
- Kontaktdaten:
Re: Mini-Mods von Bernhard Pahl
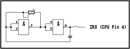
Ich weiß auch nicht, warum er seine Seite nicht weiter betreiben wollte. Ich habe mir aber jetzt mal die Zeit genommen (um meine obige Frage zu bebildern) meine mit EC-Creator erstellte Schaltung - die ich gerne als IC Belegungsplan darstelle - auf den PC übertragen und zu editieren (die zur obigen Frage bezüglich Leitung in rot): Hier noch mal die CPU Bremse:
Re: Mini-Mods von Bernhard Pahl
wie kommst Du darauf, das /NMI da mit verwendet wird?
Das macht doch keinen Sinn!
Deine rote Linie, also die Mittelanzapfung des Potis, muss am linken oder rechten Pin vom Poti verbunden werden!
Das macht doch keinen Sinn!
Deine rote Linie, also die Mittelanzapfung des Potis, muss am linken oder rechten Pin vom Poti verbunden werden!
- Dateianhänge
-
- XL_MODS.png (8.75 KiB) 3653 mal betrachtet
keine PN's mehr! Bitte per email kontaktieren! atari1450xld©mega-hz.de
-
Burkhard
- Beiträge: 507
- Registriert: 03.06.2021 21:29
- Has thanked: 10 times
- Been thanked: 41 times
- Kontaktdaten:
Re: Mini-Mods von Bernhard Pahl
Dann habe ich was in Elektronik mißverstanden. Und auch seine Beschreibung. Danke für die Richtigstellung! Ich habe den Text so verstanden, daß die einzustellende Frequenz am Pin 6 abgegriffen werden muß ...
Dann werde ich meine Schaltungen morgen entsprechend anpassen!
Dann werde ich meine Schaltungen morgen entsprechend anpassen!
Re: Mini-Mods von Bernhard Pahl
keine PN's mehr! Bitte per email kontaktieren! atari1450xld©mega-hz.de
-
Burkhard
- Beiträge: 507
- Registriert: 03.06.2021 21:29
- Has thanked: 10 times
- Been thanked: 41 times
- Kontaktdaten:
Re: Mini-Mods von Bernhard Pahl
Hier nun die korrigierten Schaltbilder:
Im Gesamtplan sieht das dann folgendermaßen aus:
Das, Ganze läßt sich jetzt auch leicht auf einer 3er Lötstreifenplatine realisieren ...
Re: Mini-Mods von Bernhard Pahl
Sieht gut aus!
Noch ein Tip: es gibt Potis mit Schalter, ähnlich wie früher bei den Autoradios...
Damit hatte ich damals die Bremse gemacht, vereint das Regeln sowie das komplette Abschalten der Bremse!
Noch ein Tip: es gibt Potis mit Schalter, ähnlich wie früher bei den Autoradios...
Damit hatte ich damals die Bremse gemacht, vereint das Regeln sowie das komplette Abschalten der Bremse!
keine PN's mehr! Bitte per email kontaktieren! atari1450xld©mega-hz.de
Re: Mini-Mods von Bernhard Pahl
zu dem ROM Simulator:
Ich hatte früher einen ROM Simulator gebaut um auch das OS "mal eben" patchen zu können. Aber auch Module.
Der bestand aus einem NVSRAM mit 128KB Speicher,
mehreren Schaltern.
Die Schalter waren für 40xx, 80xx,A0xx, C0,,E0xx. und Writeprotect sowie die Bank (da 128K)
Man konnte dann z.b. den C0xx Schalter aktivieren und das OS war gleichzeitig in 4000 zu finden.
Da konnte man dann Änderungen vornehmen oder auch das OS dahin mappen.
Änderungn fertig und Schalter 40xx akitvieren, dann den Inhalt von 40XX in den ROM Bereich C0xx mappen.
Das gleiche auch für Module...
Damit konnte man dann primal mal eben was ändern und gleich testen ohne ein neues OS oder Modul Eprom zu brennen.
Hatte dafür sogar nen Nullkraft-Sockel unter dem Cartdidge Port eingebaut.
War ne tolle Sache!
Ich hatte früher einen ROM Simulator gebaut um auch das OS "mal eben" patchen zu können. Aber auch Module.
Der bestand aus einem NVSRAM mit 128KB Speicher,
mehreren Schaltern.
Die Schalter waren für 40xx, 80xx,A0xx, C0,,E0xx. und Writeprotect sowie die Bank (da 128K)
Man konnte dann z.b. den C0xx Schalter aktivieren und das OS war gleichzeitig in 4000 zu finden.
Da konnte man dann Änderungen vornehmen oder auch das OS dahin mappen.
Änderungn fertig und Schalter 40xx akitvieren, dann den Inhalt von 40XX in den ROM Bereich C0xx mappen.
Das gleiche auch für Module...
Damit konnte man dann primal mal eben was ändern und gleich testen ohne ein neues OS oder Modul Eprom zu brennen.
Hatte dafür sogar nen Nullkraft-Sockel unter dem Cartdidge Port eingebaut.
War ne tolle Sache!
keine PN's mehr! Bitte per email kontaktieren! atari1450xld©mega-hz.de
-
Burkhard
- Beiträge: 507
- Registriert: 03.06.2021 21:29
- Has thanked: 10 times
- Been thanked: 41 times
- Kontaktdaten:
Re: Mini-Mods von Bernhard Pahl
Ich habe jetzt mal versucht, auf einer Lochraster (3er Lötpins) in der Theorie einen Aufbau und Bestückung in etwa vorstelle. In Dunkelblau sind die Stiftleisten und IC Fassungen ...
Re: Mini-Mods von Bernhard Pahl
wenn du da denn Durchblick nicht verlierst, bitte!
Aber sowas ist nix für mich.
Entweder ganz old-school: IC auf ne Platte aufkleben und alles per Drähte verbinden oder ne kleine JLC-PCB machen.
Aber sowas ist nix für mich.
Entweder ganz old-school: IC auf ne Platte aufkleben und alles per Drähte verbinden oder ne kleine JLC-PCB machen.
keine PN's mehr! Bitte per email kontaktieren! atari1450xld©mega-hz.de
-
Burkhard
- Beiträge: 507
- Registriert: 03.06.2021 21:29
- Has thanked: 10 times
- Been thanked: 41 times
- Kontaktdaten:
-
Burkhard
- Beiträge: 507
- Registriert: 03.06.2021 21:29
- Has thanked: 10 times
- Been thanked: 41 times
- Kontaktdaten:
Wer ist online?
Mitglieder in diesem Forum: 0 Mitglieder und 1 Gast