Seite 1 von 1
Atari Jaguar controller kabel
Verfasst: 06.09.2024 15:40
von yano
Hallo, die Pins an einem meiner Jaguar-Controller sind verbogen. Kann ich irgendwo ein Ersatzkabel oder einen Ersatzstecker finden?
MfG
Re: Atari Jaguar controller kabel
Verfasst: 06.09.2024 15:55
von andymanone
yano hat geschrieben: ↑06.09.2024 15:40
Hallo, die Pins an einem meiner Jaguar-Controller sind verbogen. Kann ich irgendwo ein Ersatzkabel oder einen Ersatzstecker finden?
MfG
Da das ein D-SUB15 Stecker ist, könntest du dir einen VGA-Stecker nehmen, den alten, defekten Stecker abschneiden und den VGA-Stecker dafür anlöten.
Gtx.,
andY
Re: Atari Jaguar controller kabel
Verfasst: 06.09.2024 18:28
von Burkhard
Bevor Du irgendwas abtrennen und dann am Ende nicht weißt, wie Du das Kabel an einem neuen Stecker anlöten mußt, würde ich erstmal probieren, mit äußerster Vorsicht die Pins mit einem kleinen Schraubenzieher die Stifte in Position zu biegen. Sollte Dir einer abbrechen, kannst Du immer noch einen neuen Stecker anlöten. Wenn erfolgreich, könnten die Pins trotzdem sehr labil sein. Ich empfehle darum den Einsatz eines Zwischenadapters (Stecker <-> Buchse) oder sogenannte "Gender-Changer" (Stecker <-> Stecker & Buchse <-> Buchse) zwischenzukoppeln und dauerhaft am Stecker zu belassen.
Sollte trotzdem gelötet werden müssen ...:
Ich bin auf folgende Grafik gestoßen:

- post-2769-1201478075.png (3 KiB) 3328 mal betrachtet
Wenn ich mich recht entsinne, liegen an den 9pol. Atari Joystickstecker
1=UP 2=DOWN 3=LEFT 4=RIGHT 6=FIRE 7=+5V 8=GND und das mußt Du jetzt auf die Grafik Umdenken ...
Re: Atari Jaguar controller kabel
Verfasst: 07.09.2024 20:35
von yano
Ich habe es mit einer Spitzzange und einem Schraubenzieher versucht und es hat mehr oder weniger funktioniert. Ich lasse es so . Danke für alle Tips . LG
Re: Atari Jaguar controller kabel
Verfasst: 07.09.2024 20:51
von andymanone
yano hat geschrieben: ↑07.09.2024 20:35
Ich habe es mit einer Spitzzange und einem Schraubenzieher versucht und es hat mehr oder weniger funktioniert. Ich lasse es so . Danke für alle Tips . LG
Ahh prima !
Eigentlich bin ich fest davon ausgegangen, dass du diese simple Option schon selbst vorher in Betracht gezogen und ausprobiert hast,
bevor du hier die Frage "nach Ersatz" im Forum postest, aber trotzdem schön, dass der Controller wieder funktioniert

!
Gtx.,
andY
Re: Atari Jaguar controller kabel
Verfasst: 08.09.2024 09:03
von Burkhard
Wie geschrieben: die Pins können jetzt sehr labil sein. Wenn Du den Jaguar öfters auf und abbaust, würde ich mir sowas ...:

- adapter-gehause-fur-d-sub-steckverbinder-9-polig.jpg (16.96 KiB) 3231 mal betrachtet
... besorgen - evtl Stecker und Buchse gleich mit - und mir einen "Zwischenstecker" basteln, den ich an dem Controller gesteckt lasse!
Re: Atari Jaguar controller kabel
Verfasst: 08.09.2024 12:39
von yano
andymanone hat geschrieben: ↑07.09.2024 20:51
yano hat geschrieben: ↑07.09.2024 20:35
Ich habe es mit einer Spitzzange und einem Schraubenzieher versucht und es hat mehr oder weniger funktioniert. Ich lasse es so . Danke für alle Tips . LG
Ahh prima !
Eigentlich bin ich fest davon ausgegangen, dass du diese simple Option schon selbst vorher in Betracht gezogen und ausprobiert hast,
bevor du hier die Frage "nach Ersatz" im Forum postest, aber trotzdem schön, dass der Controller wieder funktioniert

!
Gtx.,
andY
Ja, ich habe es versucht, aber ich wollte fragen, ob es irgendwo ein Ersatzkabel gibt.
Re: Atari Jaguar controller kabel
Verfasst: 08.09.2024 12:46
von Burkhard
Hast Du einen Ersatz-Kontroller? Wenn nicht, könntest Du Dir nach meinem Vorschlag einen Zwischenstecker löten (lassen). Ich kann es leider nicht mehr anbieten, da ich aus Alters- und Gesundheitsgründen meine Geduld beim Löten verlor ...
Re: Atari Jaguar controller kabel
Verfasst: 08.09.2024 14:59
von Sleeπ
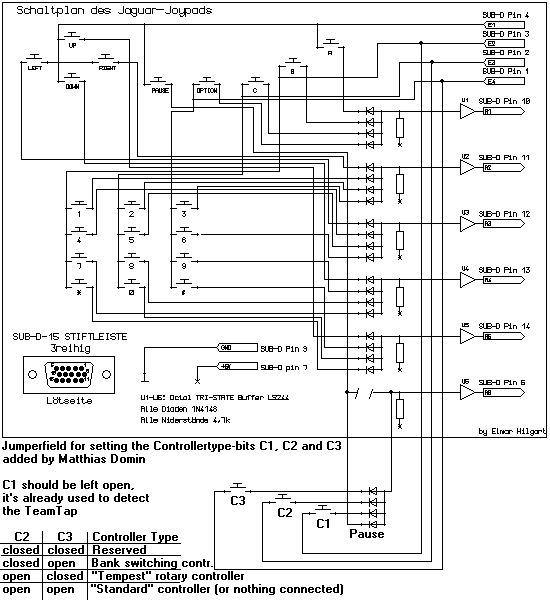
Für alle Fälle: Der Schaltplan

- jpschem1.gif (14.41 KiB) 3207 mal betrachtet
Ich hatte mir beim Bau meines Rotary-Controllers aus einem Deluxe-Joxstick anfangs mit einem Flachbandkabel und
VGA-Stecker (Sub D 15 HD) beholfen bis ich eine originale Strippe (2nd hand) gefunden habe.
Dazu gibt es bei Bedarf noch
Gehäuse. Bei der Wahl des Gehäuses wäre darauf zu achten daß man den Stecker weit genug eingesteckt bekommt damit er fest sitzt. Auf jeden Fall sind die Verrieglungsschrauben im Weg und sollten weggelassen werden. Ich hatte damals nur den Stecker angelötet und auf ein Gehäuse verzichtet.
Das ganze war allerdings optisch nicht besonders ansprechend:

- P1060582.JPG (124.6 KiB) 3207 mal betrachtet
Was auch als Ersatz herhalten kann ist (wie von andymanone beschrieben) ein zweckentfremdetes VGA-Kabel / VGA-Verlängerung. Diese sind aber oft recht dick und unhadlich. Ich würde auch erst testen ob alle benötigten Pins belegt sind.
Ich nutze aktuell eine
VGA-Verlängerung als Joystickverlängerung:

- CIMG7479.JPG (2.02 MiB) 3206 mal betrachtet
Mit den entfernten Verrieglungsschrauben sitzt sie sicher in der Buchse. Da der Stecker angegossen ist, fehlen die bei den Bausätzen üblichen "Haltenasen". Du kannst die Kupplung abtrennen und das Kabel an den Controller klemmen (Zugentlastung / Verdrehschutz nicht vergessen!).
Oder, in Deinem Fall vermutlich besser, den noch intakten ATARI-Stecker in die Kupplung stecken und dort stecken lassen, auch wenn Du den Controller wegräumst.
Dann kannst Du dich auch etwas weiter vom TV wegsetzen. Die TVs werden ja immer größer - da muß man sich eh weiter weg setzen; die Pixel werden ja ebenfalls immer größer..

Re: Atari Jaguar controller kabel
Verfasst: 09.09.2024 17:53
von yano
Burkhard hat geschrieben: ↑08.09.2024 12:46
Hast Du einen Ersatz-Kontroller? Wenn nicht, könntest Du Dir nach meinem Vorschlag einen Zwischenstecker löten (lassen). Ich kann es leider nicht mehr anbieten, da ich aus Alters- und Gesundheitsgründen meine Geduld beim Löten verlor ...
Das ist meine dritte Kontroller
Re: Atari Jaguar controller kabel
Verfasst: 09.09.2024 17:57
von yano
Sleeπ hat geschrieben: ↑08.09.2024 14:59
Für alle Fälle: Der Schaltplan
jpschem1.gif
Ich hatte mir beim Bau meines Rotary-Controllers aus einem Deluxe-Joxstick anfangs mit einem Flachbandkabel und
VGA-Stecker (Sub D 15 HD) beholfen bis ich eine originale Strippe (2nd hand) gefunden habe.
Dazu gibt es bei Bedarf noch
Gehäuse. Bei der Wahl des Gehäuses wäre darauf zu achten daß man den Stecker weit genug eingesteckt bekommt damit er fest sitzt. Auf jeden Fall sind die Verrieglungsschrauben im Weg und sollten weggelassen werden. Ich hatte damals nur den Stecker angelötet und auf ein Gehäuse verzichtet.
Das ganze war allerdings optisch nicht besonders ansprechend:
P1060582.JPG
Was auch als Ersatz herhalten kann ist (wie von andymanone beschrieben) ein zweckentfremdetes VGA-Kabel / VGA-Verlängerung. Diese sind aber oft recht dick und unhadlich. Ich würde auch erst testen ob alle benötigten Pins belegt sind.
Ich nutze aktuell eine
VGA-Verlängerung als Joystickverlängerung:
CIMG7479.JPG
Mit den entfernten Verrieglungsschrauben sitzt sie sicher in der Buchse. Da der Stecker angegossen ist, fehlen die bei den Bausätzen üblichen "Haltenasen". Du kannst die Kupplung abtrennen und das Kabel an den Controller klemmen (Zugentlastung / Verdrehschutz nicht vergessen!).
Oder, in Deinem Fall vermutlich besser, den noch intakten ATARI-Stecker in die Kupplung stecken und dort stecken lassen, auch wenn Du den Controller wegräumst.
Dann kannst Du dich auch etwas weiter vom TV wegsetzen. Die TVs werden ja immer größer - da muß man sich eh weiter weg setzen; die Pixel werden ja ebenfalls immer größer..
Danke für Schaltplan und Tip mit Verlängerung .