Seite 1 von 1
XL: Tastaturfolie reparieren
Verfasst: 04.09.2024 16:46
von Brechreiz
Ich habe hier einen XL, wo nur noch die BREAK Taste und die Funktionstasten (sowie die LED) funktionieren. Das Tastaturkabel ist geknickt und war mit dem Knick in die Buchsenleiste geklemmt. Die Kontaktstellen sehen ziemlich zerbröselt aus. Kann man das flicken? Das Kabel könnte man etwas kürzen, einen neuen Knick machen und vorsichtig abisolieren. Silberlack hätte ich noch hier, oder doch eine komplett neue Folie bestellen?
VG Jürgen

- Atari085.jpg (492.08 KiB) 11579 mal betrachtet

- Atari086.jpg (293.9 KiB) 11579 mal betrachtet
Re: XL: Tastaturfolie reparieren
Verfasst: 04.09.2024 16:57
von andymanone
Da der Bruch direkt an der Knickstelle ist, würde ich Silberleitlack hier nicht empfehlen
(der macht eher Sinn bei glatten Folienflächen die nicht flexibel sind bzw. keine Biegung aushalten müssen)
Vielleicht kannst du ja die Folie an der Knickstelle kürzen (abschneiden) und dann das "Stabilisierungsplättchen" für den Stecker
an der Stelle wieder ankleben.
Ich weiß aber nicht, ob das Ganze dann zu kurz wird.
Gtx.,
andY
Re: XL: Tastaturfolie reparieren
Verfasst: 04.09.2024 17:00
von Olix
... ich meine die komplette Folie (Mylar) gibt es als neu aufgelegtes Ersatzteil. Ich habe mit diesen schon zwei solcher Tastaturen wieder belebt. Mit etwas Soegfalt ist der Tausch der Folie gut machbar.
Re: XL: Tastaturfolie reparieren
Verfasst: 04.09.2024 17:02
von andymanone
Olix hat geschrieben: ↑04.09.2024 17:00
... ich meine die komplette Folie (Mylar) gibt es als neu aufgelegtes Ersatzteil. Ich habe mit diesen schon zwei solcher Tastaturen wieder belebt. Mit etwas Soegfalt ist der Tausch der Folie gut machbar.
Ja, gibt es

!
Ging ja auch um die Frage: Reparieren oder Austauschen.
Gtx.,
andY
Re: XL: Tastaturfolie reparieren
Verfasst: 04.09.2024 17:04
von Olix
... stimmt. Ich sollte den Text nicht nur überfliegen, sondern richtih lesen
Aber für alle Fälle, ich glaube das ist die Folie:
https://www.ebay.de/itm/326206724365?mk ... media=COPY
Re: XL: Tastaturfolie reparieren
Verfasst: 04.09.2024 17:49
von Brechreiz
Ich werde das vergammelte Ende abschneiden und das Ende auf ein Stück 0,5mm dickes Pertinax aufkleben. Dann noch vorsichtig den Kunststoff entfernen. Sollte ich zwischendurch einen Wutanfall bekommen, wird für teuer Geld die komplette Membran bestellt. Bin jetzt erstmal in den Keller ...
Re: XL: Tastaturfolie reparieren
Verfasst: 04.09.2024 19:24
von Brechreiz
Wutanfall ist knapp ausgeblieben.

Ich habe das kaputte Stückt rausgeschnitten und dann einfach in Buchse gesteckt. Fehler bleibt exakt gleich!
Also Led, Break und die Funktionstasten funktionieren, der Rest ist tot. Tastatur wird (voresrt) nicht repariert. Habe keine Lust auf 122 umherfliegende
Federn.
@andymanone : schreib mir mal bitte eine PM, falls du eine Tastatur über hast
VG Jürgen

- Atari087.jpg (422.02 KiB) 11539 mal betrachtet
Re: XL: Tastaturfolie reparieren
Verfasst: 04.09.2024 19:29
von andymanone
Brechreiz hat geschrieben: ↑04.09.2024 19:24
Wutanfall ist knapp ausgeblieben.

Ich habe das kaputte Stückt rausgeschnitten und dann einfach in Buchse gesteckt. Fehler bleibt exakt gleich!
Also Led, Break und die Funktionstasten funktionieren, der Rest ist tot. Tastatur wird (voresrt) nicht repariert. Habe keine Lust auf 122 umherfliegende
Federn.
@andymanone : schreib mir mal bitte eine PM, falls du eine Tastatur über hast
VG JürgenAtari087.jpg
Ja, kriegen wir hin

...
Aber checke vorher nochmal, ob nicht die beiden Multiplexer (und im schlimmsten Fall sogar der POKEY

) defekt / teildefekt sind....
Hatte schon mehrere Fälle, wo beim POKEY zwar der Soundpart funktioniert hatte, aber die "po"KEY(board)" Funktion defekt war.
Gtx.,
andY
Re: XL: Tastaturfolie reparieren
Verfasst: 04.09.2024 19:45
von Olix
Hast du denn noch einen zweiten Rechner oder eine Service Tastatur? LED und Funktionstasten gehen auch nicht über den Pokey bzw. die 4051.
... und ich glaube die Breaktaste auch nicht !!!
Also ich würde auch mal erst die 4051 tauschen und den POKEY wenn so gar nix geht.
Re: XL: Tastaturfolie reparieren
Verfasst: 04.09.2024 20:33
von tfhh
Brechreiz hat geschrieben: ↑04.09.2024 19:24
Wutanfall ist knapp ausgeblieben.

Ich habe das kaputte Stückt rausgeschnitten und dann einfach in Buchse gesteckt. Fehler bleibt exakt gleich!
Also Led, Break und die Funktionstasten funktionieren, der Rest ist tot. Tastatur wird (voresrt) nicht repariert. Habe keine Lust auf 122 umherfliegende
Federn.
Wenn diese Tastatur ausfällt, dann richtig. Es wird aller Wahrscheinlichkeit nach weder einer der 4051er noch der POKEY sein, sondern schlichtweg die Tastatur. Bei den Stackpole-Modellen besteht das Hauptproblem nicht im Anschluß von der eigentlichen Tastatur zum Mainboard (auch, aber nicht primär), sondern an den Knickstellen der unteren Seite der doppelseitigen Membranfolie. Das kann man mit viel Geduld mit Silberleitlack relativ gut fixen, hält aber meist nicht lange. Ich würde da lieber die 25-30 Euro investieren, neue Membran rein, Ruhe für die nächsten 20+ Jahre.
Bei dem Modell kann man die Tastatur gefahrlos auseinandernehmen, wichtig ist nur, daß sie mit den Tasten nach unten auf einer planen Fläche demontiert wird. Die Metallplatte abschrauben und dann die Folie langsam abziehen. Die Federn kommen alle 2-3 mm heraus, aber hüpfen nicht. In der Membranfolie befindet sich zwischen den beiden Teilen ein "Trenner". Diesen unbedingt aufbewahren, er muß wieder zwischen die beiden Teile der neuen Folie gepackt werden - ist NICHT im Lieferumfang (oder: es ist eine dabei, aber die taugt nichts - danach gibt es kaum Tasten, die drückbar sind, besser das Original wieder verwenden!).
Re: XL: Tastaturfolie reparieren
Verfasst: 04.09.2024 20:59
von andymanone
tfhh hat geschrieben: ↑04.09.2024 20:33
Wenn diese Tastatur ausfällt, dann richtig. Es wird aller Wahrscheinlichkeit nach weder einer der 4051er noch der POKEY sein, sondern schlichtweg die Tastatur. Bei den Stackpole-Modellen besteht das Hauptproblem nicht im Anschluß von der eigentlichen Tastatur zum Mainboard (auch, aber nicht primär), sondern an den Knickstellen der unteren Seite der doppelseitigen Membranfolie. Das kann man mit viel Geduld mit Silberleitlack relativ gut fixen, hält aber meist nicht lange. Ich würde da lieber die 25-30 Euro investieren, neue Membran rein, Ruhe für die nächsten 20+ Jahre.
Ja,
aber wie gesagt, 4051´er und POKEY hatte ich auch schon oft als Fehlerquelle, daher am Besten zuerst mal mit einer anderen, funktionierenden 800´er oder 600´er (oder auch alternativ der Service Tastatur) gegenprüfen!
Wenn diese funktionieren, liegts eindeutig an dem defekten Mylar der 800XL Tastatur, wenn nicht, dann definitiv Multiplexer und/oder POKEY prüfen!
Gtx.,
andY
Re: XL: Tastaturfolie reparieren
Verfasst: 04.09.2024 21:23
von Olix
... da Jürgen (tfhh) hier mit Sicherheit die meiste Erfahrung in der Reparatur der Ataris hat, wird er vermutlich auch Recht haben.
Aber falls du keine Ersatztastatur zur Hand hast um dies zu testen kannst Du auch einfach mit einem Draht mit dünnen Spitzen, z.B. von einem Steckbrett, mal selbst Tastatur spielen:

- 20240904_211346.jpg (183.4 KiB) 11501 mal betrachtet
Durch das Brücken von Pin 1 und Pin 10 sollte z.B. eine "7" gedrückt werden.
... oder Pin 3 und Pin 12 erzeugt ein "i"
Die Kombinationen siehst du hier:

- Screenshot 2024-09-04 212329.jpg (55.2 KiB) 11499 mal betrachtet
Wenn es mit der Drahtbrücke geht, dann ist es definitiv die Tastatur.
Tut sich auch mit dem Draht nix, dann doch eher 4051 oder Pokey.
Re: XL: Tastaturfolie reparieren
Verfasst: 04.09.2024 21:32
von Burkhard
Aber bitte nur Pins 1 bis 8 gegen Pins 10 bis 17! An Pins 1 bis 8 liegen je 1/2 Zeile und 10 bis 17 je 1 Spalte der Tastatur
Ich sollte Beiträge ...
Re: XL: Tastaturfolie reparieren
Verfasst: 04.09.2024 21:48
von Olix
Burkhard hat geschrieben: ↑04.09.2024 21:32
Aber bitte nur Pins 1 bis 8 gegen Pins 10 bis 17! An Pins 1 bis 8 liegen je 1/2 Zeile und 10 bis 17 je 1 Spalte der Tastatur
Das ist richtig und sollte eigentlich aus Grafik oben mit der Tastatur-Matrix ersichtlich sein.
UND GANZ WICHTIG: Finger Weg von Pin 18, 19 und 24 !!! Da liegen GND, 5V und die Spannung für die LED !!!
Re: XL: Tastaturfolie reparieren
Verfasst: 04.09.2024 22:18
von Olix
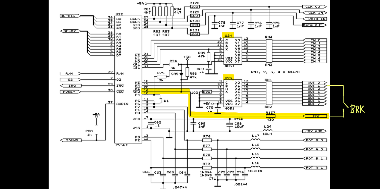
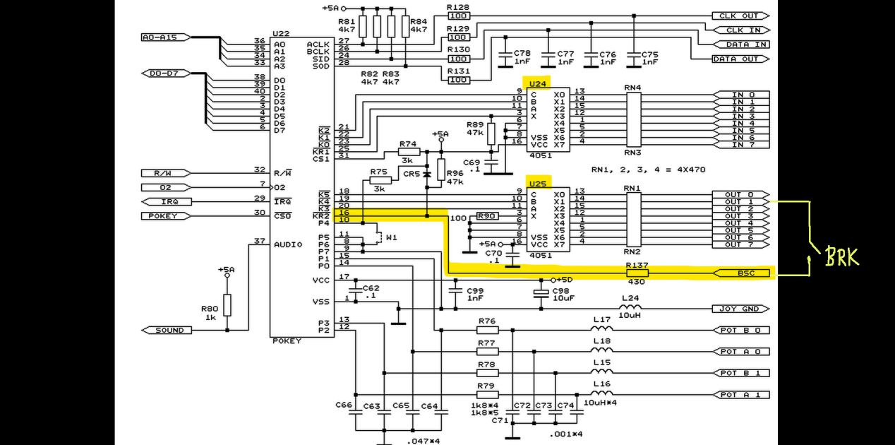
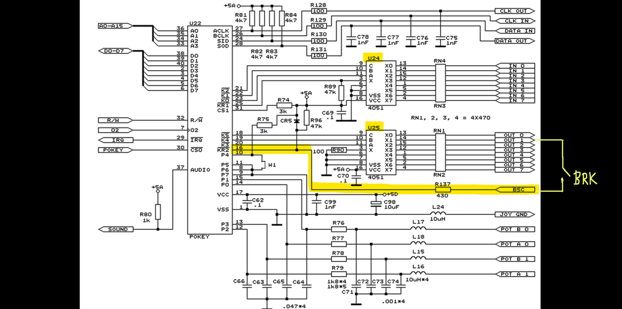
Ich wage mich jetzt mal ganz vor, und Jürgen darf mir gerne auf die Finger klopfen wenn ich falsch liege:
Start, Select und Option werden NICHT durch den POKEY (und die beiden 4051) abgefragt sondern durch den GTIA.
LED bekommt eh die 5V durch R95 direkt.
Die Break Taste geht über Pin9 direkt auf den POKEY und wird nicht über den U24 4051 ausgewertet.
Solange also der 4051 mit den Ausgängen U25 noch funktioniert, aber der U24 defekt wäre, dann hätte man exakt dieses Fehlerbild:
Funktionstaseten: OK
LED: OK
Break-Taste: OK
Alle anderen Tasten: NIX
Ich habe das zum Spaß mal ausprobiert und U24 rausgezogen und siehe da: Genau das oben beschriebene Fehlerbild.
Also bevor du jetzt beginnst mit teueren Keyboard-Reparaturen.
Tausche mal den 4051 gegen einen neuen.
Falls du gerade keinen 4051 zur Hand hast (gibt es übrigens für wenig Geld bei reichelt.de) dann tausche einfach die beiden 4051 mal gegeneinander aus.
Trifft meine Theorie zu und nur der U24 war defekt, dann sollte nach dem Tausch zwar noch die Funktionstasten gehen, aber die Breaktaste wäre dann so wie alle anderen tasten aus mucksmäuschen still.

- Break.png (2.29 MiB) 11477 mal betrachtet
Re: XL: Tastaturfolie reparieren
Verfasst: 05.09.2024 08:26
von Brechreiz
Danke erstmal für eure Antworten. Es ist definitiv die Tastatur. Ich habe eine zweite Tastatur quer getauscht und der Fehler wandert mit (der Tastatur). Ich werde mir die Membran bestellen und mich am Tausch wagen.
VG Jürgen
Re: XL: Tastaturfolie reparieren
Verfasst: 05.09.2024 10:06
von tfhh
Olix hat geschrieben: ↑04.09.2024 22:18
Ich wage mich jetzt mal ganz vor, und Jürgen darf mir gerne auf die Finger klopfen wenn ich falsch liege:
Start, Select und Option werden NICHT durch den POKEY (und die beiden 4051) abgefragt sondern durch den GTIA.
LED bekommt eh die 5V durch R95 direkt.
Die Break Taste geht über Pin9 direkt auf den POKEY und wird nicht über den U24 4051 ausgewertet.
Alles korrekt
Ergänzung: Nicht nur BREAK, sondern auch SHIFT und CONTROL laufen über die seperate Leitung an den 4051er vorbei. Deswegen ist das Signal auch in diversen Schaltplänen mit BSC bezeichnet.
Dies wurde so realisiert, damit eine Sonderbehandlung der drei Tasten möglich ist. Die BREAK Taste löst einen Interrupt via POKEY aus, das Verhalten dazu kann gesteuert werden. Die CONTROL und SHIFT Taste werden als Bit 7 und 6 im Register KBCODE des POKEY festgehalten. Nur so ist es mit der einfachen Matrix möglich, zu erkennen, daß SHIFT oder CONTROL zusammen mit einer der anderen Tasten gedrückt wurde, denn SHIFT als auch CONTROL werden eben nicht über die Matrix abgefragt. Technisch wäre es natürlich möglich (PC Tastaturen etc. machen es ja auch), aber vermutlich aufgrund knapper Ressourcen hat man auf die Möglichkeit verzichtet bzw. Ende der 70er hat es keiner für nötig gehalten

Re: XL: Tastaturfolie reparieren
Verfasst: 05.09.2024 10:17
von Olix
Brechreiz hat geschrieben: ↑05.09.2024 08:26
Danke erstmal für eure Antworten. Es ist definitiv die Tastatur. Ich habe eine zweite Tastatur quer getauscht und der Fehler wandert mit (der Tastatur). Ich werde mir die Membran bestellen und mich am Tausch wagen.
Hier gibt es ein (langes und langweiliges) Video, wie der Membrantausch abläuft:
https://www.youtube.com/watch?v=nj2if8TWr28
... und hier noch eines, nicht ganz so lang und nicht ganz so zum einschlafen:
https://youtu.be/iJHTJIx2Qgw
Wie gesagt, lang und langweilig, aber trotzdem gut wenn man den Vorgang mal gesehen hat.
Die Erfahrung mit der Zwischen(Trenn)-Folie habe ich auch gemacht und kann Jürgen (tfhh) nur beipflichten: Die mitgelieferte war zu dick, da gingen dann manche Tasten nicht oder nur schwer. Ich habe dann auch die alte Original Trenn-Folie verwendet. Beim Zusammenlegen der Folienteile hilft es mit etwas Tesafilm die einzelnen Lagen zu fixieren. Das Ganze ist ein wenig Gefummel, aber einfach ruhig bleiben und nicht die Geduld verlieren. Ich habe das bereits zwei mal erfolgreich hinbekommen.
Re: XL: Tastaturfolie reparieren
Verfasst: 05.09.2024 10:58
von tfhh
Olix hat geschrieben: ↑05.09.2024 10:17
Wie gesagt, lang und langweilig, aber trotzdem gut wenn man den Vorgang mal gesehen hat.
Die Erfahrung mit der Zwischen(Trenn)-Folie habe ich auch gemacht und kann Jürgen (tfhh) nur beipflichten: Die mitgelieferte war zu dick, da gingen dann manche Tasten nicht oder nur schwer. Ich habe dann auch die alte Original Trenn-Folie verwendet. Beim Zusammenlegen der Folienteile hilft es mit etwas Tesafilm die einzelnen Lagen zu fixieren. Das Ganze ist ein wenig Gefummel, aber einfach ruhig bleiben und nicht die Geduld verlieren. Ich habe das bereits zwei mal erfolgreich hinbekommen.
Da ich generell keine Videos schaue, weiß ich nicht, ob der elementare Tipp genannt wird, daher noch ergänzend: Zuerst wird der "Folienstapel" an dem seperaten Teil der Funktionstasten (RESET/OPTION/SELECT/START und HELP) übereinandergelegt und verschraubt (!). Erst dann den Rest mit dem ganzen Tastaturfeld.
Man *kann* es auch andersherum machen, aber ich garantiere dann einen Wutanfall erster Güte

Re: XL: Tastaturfolie reparieren
Verfasst: 05.09.2024 12:19
von Olix
... ja, beim zweiten Versuch habe ich damals dann auch mit den Funktionstasen angefangen
Nicht wundern: Zwischen den Funktionstasten und der Haupttastatur muss man mit der Folie ne kleine Welle formen, dass es passt. Das ist aber normal.
Re: XL: Tastaturfolie reparieren
Verfasst: 05.09.2024 15:49
von Brechreiz
Ich hatte schon mal die Funktionstasten abgeschraubt und da war mir das mit der Welle auch schon aufgefallen. Für die Montage wären > 3 Hände hilfreich. Der Händler der die Folien bei Ebay verkauft ist bis nächste Woche in Urlaub. Ich hab ich den Rechner erstmal zum Testen mit einer anderen baugleichen Tastatur versorgt. Die Reparatur eilt jetzt nicht.
VG Jürgen
Re: XL: Tastaturfolie reparieren
Verfasst: 14.09.2024 14:43
von Brechreiz
Heute Zeit und Lust gehabt, die neue Tastaturmatte einzubauen. Der eigentliche Einbau ging absolut problemlos in wenigen Minuten. Dann ausprobiert. Alle Tasten funktionieren bis auf die HELP Taste, die blieb hängen. Die HELP Taste zerlegt und mit Silikonspray gefügig gemacht, läuft wieder. Nächster Versuch. Die LED funktioniert nicht. Den Funktionstastenblock abgeschraubt und die LED justiert. LED leuchtet. Wieder alles zusammen gebaut und jetzt hängen alle Funktionstasten. Tasten wieder vom Oberteil abgeschraubt und ebenfalls justiert. Jetzt gehen die Funktionstasten aber die LED bleibt wieder aus.
Dann, ohne alles wieder abzuschrauben, die LED mit einem kleinen Schraubenzieher wieder zurecht gerückt, jetzt läuft alles. Im Prinzip also ganz einfach.
VG Jürgen

- Atari088.jpg (443.75 KiB) 10930 mal betrachtet

- Atari089.jpg (672.37 KiB) 10930 mal betrachtet
Re: XL: Tastaturfolie reparieren
Verfasst: 14.09.2024 14:51
von andymanone
Brechreiz hat geschrieben: ↑14.09.2024 14:43
Heute Zeit und Lust gehabt, die neue Tastaturmatte einzubauen. Der eigentliche Einbau ging absolut problemlos in wenigen Minuten. Dann ausprobiert. Alle Tasten funktionieren bis auf die HELP Taste, die blieb hängen. Die HELP Taste zerlegt und mit Silikonspray gefügig gemacht, läuft wieder. Nächster Versuch. Die LED funktioniert nicht. Den Funktionstastenblock abgeschraubt und die LED justiert. LED leuchtet. Wieder alles zusammen gebaut und jetzt hängen alle Funktionstasten. Tasten wieder vom Oberteil abgeschraubt und ebenfalls justiert. Jetzt gehen die Funktionstasten aber die LED bleibt wieder aus.
Dann, ohne alles wieder abzuschrauben, die LED mit einem kleinen Schraubenzieher wieder zurecht gerückt, jetzt läuft alles. Im Prinzip also ganz einfach.
VG Jürgen
Atari088.jpg
Atari089.jpg
Tja, wie heißt es so schön: "Ohne Leid, keine Freud´"
Gtx.,
andY
Re: XL: Tastaturfolie reparieren
Verfasst: 14.09.2024 15:29
von Olix
.
Gratulation!
Ich finde der Aufwand hat sich doch aber gelohnt. Wieder ein Stück Computergeschichte vor dem Ausschlachten oder gar dem Elektroschrott bewahrt.
Ist doch immer ein tolles Gefühl, wenn man etwas mit seinen eigenen Händen wieder repariert hat, was andere einfach wegschmeißen würden.
Und kleiner Trost: Auch ich habe bei meiner ersten Tastatur an der ich die Folie getauscht habe, mehrere Anläufe gebraucht, bis alles sauber funktioniert hat.