Seite 1 von 1
XC12 mit diversen Turbo-Umbauten
Verfasst: 28.09.2021 08:05
von fan2000
Hallo liebe Atarianer,
ich wollte den vorhandenen XC12 Turbo Thread nicht kapern, daher hier ein Neuer.
Ich habe seit Kurzem eine XC12 mit diversen Umbauten und auch ein paar Tapes dazu. In der XC12 sind 4 zusätzliche Leiterplatten und 3 Schalter verbaut. Außerdem gibt es noch ein
weiteres Kabel mit einem DIN-Stecker 3 polig, der dann in einen Joystick geht (dieser hat wiederum eine zusätzliche Leiterplatte implementiert) und von dort wahrscheinlich an Port2 geht ?
Ich habe ein wenig recherchiert und habe dabei eigentlich nur den KSO-Turbo gefunden, der über den Joystick-Port funktioniert.
Auf den Tapes sind mindestens 3 verschiedene Turboformate (beschriftet ist z.T. mit Turbo4000 und Turbo4800 Baud). Was mir bisher gelungen ist, ist Folgendes.
Ich habe mir erstmal div. Loader besorgt. Mit Chaos, Schleife 88, TurboStar und TurboStar+ ist es mir gelungen einige Programme von den Tapes 4000/4800 zu Laden. Daher gehe ich davon
aus, dass es sich eigentlich um den Turbo6000 handelt ?
Das 3. Format auf den Tapes klingt irgendwie anders, wird aber nicht vom KSO Lader erkannt (vielleicht bediene ich den ja auch falsch). Habe auch versucht mit Turgen-System Files zu kreieren, die genauso
klingen, aber nichts passendes gefunden. Hier mal ein paar Bilder :
[
Sorry, ich schaffe es nicht die Bilder richtigherum gedreht einzufügen.
Also nun meine Fragen:
Hat jemand so einen Umbau schon mal gesehen oder besitzt so einen ?
Was könnte das 3. Turboformat sein und wie komme ich da ran ?
Hat jemand zweckdienliche Hinweise ?
Vielen Dank
und LG
Falk
Re: XC12 mit diversen Turbo-Umbauten
Verfasst: 28.09.2021 15:49
von rvetter
Hallo,
hmm, mit den Tape-Speedern wollte ich mich auch mal wieder beschäftigen. Ich hatte damals (88..90) im Osten auch eine kleine Platine gebastelt und zusammen mit der SW für eine Packung Disketten abgegeben. Das lief auch über den Joystickport.
Das zuverlässigste war ein System mit 2400 Baud. Das war ein Lader, der dann per Kommando Programme im DOS-Format laden konnte und auch selbst einen Handler (T:?) installiert hat, so daß man auch Daten in Turbo laden/speichern konnte. Darüberhinaus hatte ich auch welche mit 3000 oder 4000 Baud, das waren aber reine Game-Lader.
Ich müßte mal meine Diskette rauskramen, wo die Turbos drauf sind. Aber ob da der passende dabei ist? Der 2400er hatte natürlich einen etwas tieferen Klang.
Gruß, Rene
Re: XC12 mit diversen Turbo-Umbauten
Verfasst: 28.09.2021 23:44
von dl7ukk
Hi,
Kassetten-Turbo ist ein interessantes aber leider auch recht umfangreich & verwirrendes Thema.
Das von ATARI verwendete Zweiton-Verfahren ist sehr wohl in der Lage mehr als 600Bd zu liefern.
Vorausgesetzt geeignete Tape-HW und/ oder eine effiziente Art der Umwandlung von Tönen in Low/ High. Evtl. müsste auch der Fehler den Erhard im OS gefunden hat/ vermutet, berichtigt werden.
Beim Turbo nach "Schleife-Art", also Schleife87/88/89, Chaos, Turbo-Speed, gibt es das Problem, dass sie untereinander nur teilweise kompatibel sind, bzw sich die Art der Quelle unterscheidet. Kassetten-File vs Com-File. Zudem sind von Schleife/ Chaos etliche Varianten, ob Fake oder Veränderungen, im Umlauf. Wobei nicht ohne Weiteres erkennbar ist, was das "Besondere" an der jeweiligen Version ist oder ob nur der Namen geändert wurde.
Ich habe schon erfolgreich einige Varianten der HW nachbaut bzw getestet.
Aktuell suche den Kopierer der aus einem Tape-File ein Schleife-File erzeugen kann.
Für Chaos haben wir Programme (--> sgl)
Code: Alles auswählen
00000000 00 09 80 05 EA 06 18 60 A2 80 8E 12 08 A0 00 A9 .......`........
00000010 40 99 80 08 8D BE 02 98 48 20 C0 09 30 F1 C9 20 @.......H ..0..
00000020 D0 04 A9 00 F0 03 18 69 20 AA 68 A8 E0 3B F0 DD .......i .h..;..
00000030 8A 99 80 08 C8 C0 14 D0 D6 4C 8F 07 20 7C 06 A2 .........L.. |..
00000040 80 86 36 A2 08 86 37 A2 14 86 38 A2 05 86 3E 20 ..6...7...8...>
00000050 92 06 A5 39 18 69 01 CA 20 B5 06 A2 12 B9 32 00 ...9.i.. .....2.
00000060 20 B5 06 A2 10 C8 C0 04 EA D0 F2 A0 00 A2 0E B1 ...............
00000070 36 C4 38 90 03 A9 20 CA 20 B5 06 A2 0F C8 C0 BB 6.8... . .......
Im Moment hatte ich noch andere Projekte am Start, nach der JHV geht es aber weiter mit Schleife & Co
Sehr gute Fotos von den Platinen in der XC12 wären gut, besser natürlich ein Schaltplan.
dl7ukk
Re: XC12 mit diversen Turbo-Umbauten
Verfasst: 29.09.2021 08:22
von fan2000
Hallo, erstmal vielen Dank für Eure Antworten.
Es scheint ja da sehr viele verschiedene Turboversionen mit x Unterversionen zu geben. Das macht das Ganze nicht einfacher, naja ist auch kein Beinbruch, aber technisch hätte es mich schon
interessiert, ob ich die Version über den Joystick zum laufen bringe.
Bilder sind so eine Sache, ich habe es mal mit der Schaltung im Joystick probiert. Ich glaube, da kann man nicht viel damit anfangen. Die anderen Platinen in der XC12 sind da so reingepresst und mit diversen Drähten verbunden, dass ich denke, das könnte eher kontraproduktiv werden und nach Rückbau geht das irgendwas nicht mehr. Habe schon mehrere Drähte nachlöten müssen, die hatten sich im Laufe der Zeit gelöst.
Also hier mal die Bilder vom Innenleben des Joysticks:
LG
Falk
Re: XC12 mit diversen Turbo-Umbauten
Verfasst: 29.09.2021 10:32
von dl7ukk
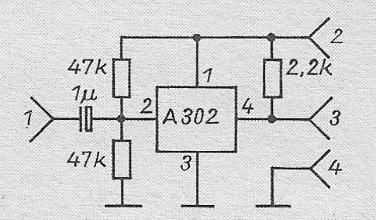
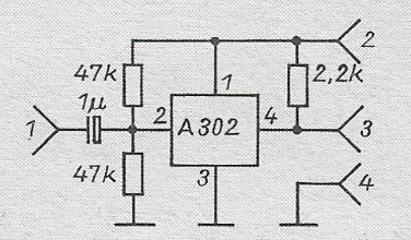
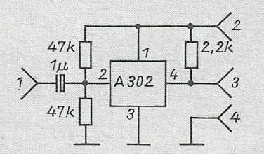
Hi Falk,
es sieht nach einem Ost-Umbau mit dem A302 aus. Interessant wäre natürlich die Software dazu. Möglich ist die Ein/ Ausgabe von Turbo über den PIA. Wobei ich denke, auch recht aufwendig. Aber dazu könnte Nortobor mehr sagen.
.

- 1.png (121.56 KiB) 19908 mal betrachtet
-
-
Gruß
dl7ukk
Re: XC12 mit diversen Turbo-Umbauten
Verfasst: 29.09.2021 12:05
von fan2000
Hallo dl7ukk,
Ich habe mal die Tapes näher inspiziert, da habe ich an einem Programm die Beschriftung PORT2 entdeckt (falls es nicht was anderes heißen soll).
Das Programm heißt T-Copy V1.51.
Nur wenn der Joystick angeschlossen ist, dann kann man im Hintergrund sehen, dass auf der Datasette etwas wiedergegeben wird ansonsten bleibt der Hintergrund dunkel.
Der Bildschirm scheint die Farbe zu wechseln, wenn das Programm etwas erkannt hat, aber gestartet ist noch nichts.

- Bild2.JPG (24.58 KiB) 19904 mal betrachtet
Ich glaube, wir sind auf dem richtigen Weg
LG
Falk
Re: XC12 mit diversen Turbo-Umbauten
Verfasst: 29.09.2021 12:29
von rvetter
Hallo Falk,
das T-Copy ist genau das, was ich meinte. Damit hatte ich meinen ersten Speeder damals benutzt. Leider ist meine "neueste" Version die 1.4. Die konnte (glaube ich) noch keine Boot-Programme. Könntest Du mir Deine Version irgendwie zukommen lassen? Ich hab gestern meine Software auch mal durchgesehen, hab ja alle Speeder auf einer Diskette. Zum Testen muß ich aber mein Interface erst wieder ausmotten und hoffen, daß es mit moderner Technik noch funktioniert.
Eine Anleitung zum T-Copy hatte ich wahrscheinlich nur auf Papier. Muß ich mal suchen.
Gruß, Rene
Re: XC12 mit diversen Turbo-Umbauten
Verfasst: 29.09.2021 13:46
von fan2000
Könntest Du mir Deine Version irgendwie zukommen lassen?
Hast PN.
Kannst Du bitte mal nach der Anleitung suchen.
LG
Falk
Re: XC12 mit diversen Turbo-Umbauten
Verfasst: 29.09.2021 13:55
von rvetter
Vielen Dank! Ich werde mal auf die Suche gehen. Oder es selbst nochmal testen und wieder eine schreiben.
Gruß, Rene
Re: XC12 mit diversen Turbo-Umbauten
Verfasst: 29.09.2021 14:52
von dl7ukk
Hi,
sehr schön
fan2000 hat geschrieben: ↑29.09.2021 12:05
Das Programm heißt T-Copy V1.51.
Ich habe hier die Version 1.3/e, konnte sie aber nicht testen. Jetzt weiß ich warum ...

- TCOPYXL1.png (1.43 KiB) 19886 mal betrachtet
Vielleicht könnt Ihr Eure Versionen auch hochladen ?!!
dl7ukk
Re: XC12 mit diversen Turbo-Umbauten
Verfasst: 29.09.2021 15:30
von fan2000
Hallo dl7ukk,
gern würde ich die Datei zur Verfügung stellen, aber wie ?
Bisher habe ich die nur auf Kassette, wenn ich die auf eine Disk kopiere, dann muss derjenige, der sie nutzen will, sie wieder zurück auf Tape kopieren damit es funktioniert.
Oder gibt es einen einfacheren Weg so eine *.cas zu erzeugen, die auch funktioniert ?
Die Datei *.KAS in deinem Paket kann auch nicht von Aspeqt geladen werden, also gehe ich davon aus, das das da genauso ist, auf Disk speichern nach C kopieren und dann gehts?
LG
Falk
So, habe nun Erfolg zu vermelden
Habe die ersten Programme zum Laufen bekommen.
Es handelt sich offenbar um EXE-Files, also B -Run.exe ausgewählt und Datasette gestartet (hier war der Trick ich muss unten rechts den Knopf drücken damit der Motor läuft)
Beim Start der Software ist der BS-Hintergrund blau, wenn das Programm etwas erkannt hat (aber keinen Anfang) dann färbt sich der Hintergrund golden und sobald der Anfang eines Programms
gefunden wurde dann schwarz. Jetzt nur noch mit Geduld warten und dann startet das Programm.
Re: XC12 mit diversen Turbo-Umbauten
Verfasst: 29.09.2021 20:20
von dl7ukk
Hi,
gern würde ich die Datei zur Verfügung stellen, aber wie ?
zB mit BiBoDos und
auf Disk kopieren. So habe ich damals meine Kassetten überspielt. Das ist natürlich nicht das Fuji-CAS Format und damit lassen sich dieses Files auch nicht mit den gängigen Emulatoren laden.
.
Oder gibt es einen einfacheren Weg so eine *.cas zu erzeugen, die auch funktioniert ?
Überfragt ...
.
Die Datei *.KAS in deinem Paket kann auch nicht von Aspeqt geladen werden, also gehe ich davon aus, das das da genauso ist, auf Disk speichern nach C kopieren und dann gehts?
Genauso geht es. Wobei ich heute zwei Rechner + Interface benutze und mir die Datasette erspare.
.
So, habe nun Erfolg zu vermelden
Glückwunsch!!
.
Wobei mir im Moment nicht ganz klar ist, was Du von wo überspielt/ geladen hast ??
Aber das können wir später noch genau besprechen.
dl7ukk
Re: XC12 mit diversen Turbo-Umbauten
Verfasst: 29.09.2021 20:47
von fan2000
Hallo dl7ukk,
die auf Disk kopierte Datei kannst Du haben, muss halt wieder auf Kassette überspielt werden.
[
dl7ukk hat geschrieben: ↑29.09.2021 20:20
Wobei mir im Moment nicht ganz klar ist, was Du von wo überspielt/ geladen hast ??
Ich habe ja Kassetten zu der Datasette dazu, konnte aber bisher nichts damit anfangen, weil halt unklar war,
was da genau für ein Format drauf ist. Und nun kann ich Dateien von dieser Kassette laden.
Wie machst Du das mit 2 Rechnern, wie oder was emuliert denn dann die Datasette, das interessiert mich sehr ??
LG
Falk
Re: XC12 mit diversen Turbo-Umbauten
Verfasst: 30.09.2021 00:23
von dl7ukk
Hi,
das ist rel. simpel. Auf den ersten XLE kommt die SW/ ein Kopierprogramm KAS to Turbo oder Turbo to Turbo oder XEX to Turbo.
Dann wird auf dem ersten XLE ein zb kurzes Spiel in den Kopierer geladen. Ich nehme da gern SUBMISSION.
An SIO Data OUT (1. XLE) kommt (je nach Inteface) ein Spannungsteiler ca 1/100 von 5V auf 50 mV .
Nun wird das Turbointerface angeschlossen
Auf dem 2.XLE wird der (passenden) Turbo-Loader geladen.
Der Ausgang vom Turbointerface kommt an SIO-Proceed 2.XLE
+5V erster XLE -> Interface
Masse 1.XLE -> Interface -> 2.XLE
Nun geht es los.
2.XLE Turbo-Loader starten
1.XLE Turbo-Kopierer (Ausgabe) starten
2.XLE es wird der Name vom Turbo-prog angezeigt.
<SPACE> ( oder entsprechende Taste für Bestätigung)
Hinweis: Beim Speichern eines Turbo-Progs wird erst ein/ der Name des Progs zum Tape gesendet, dann das Prog.
Beim Laden wird normal nach dem Namen das Tape gestoppt und erst nach Bestätigung weiter geladen.
Also zügig den Namen bestätigen, die Ausgabe nimmt keine Rücksicht auf langsame Bastler.
Ich brauchte ein paar Anläufe
Hinweis 2. Es kann sein, daß das Signal für Proceed invertiert werden muß
Hinweis 3 Es geht auch die direkte Verbindung der beider XLE. Ich musste dabei jedoch das Signal invertieren.
XLE-SIO-OUT -> D100 -> XLE-Proceed
Bitte nicht!!! die 5V beider XLE verbinden, Masse kommt überall zusammen.
dl7ukk
Achso, Jeder ist für sein Tun selbst verantwortlich und Berichtigungen werde prämiert

Re: XC12 mit diversen Turbo-Umbauten
Verfasst: 30.09.2021 08:27
von fan2000
Hallo,
vielen Dank für Deine ausführlichen Erläuterungen.
dl7ukk hat geschrieben: ↑30.09.2021 00:23
Hi,
das ist rel. simpel.
Ich glaube für das sporadische Umwandeln eines Programms auf die Kassette werde ich wohl doch wohl wieder den Datenrekorder bemühen.
dl7ukk hat geschrieben: ↑30.09.2021 00:23
Beim Laden wird normal nach dem Namen das Tape gestoppt und erst nach Bestätigung weiter geladen.
Ja, das gilt für Chaos, Schleife etc. Beim T-Copy ist kein Name hinterlegt und es wird geladen, was gerade kommt.
Werde jetzt mal sehen, ob ich etwas herausfinden kann, wie man normale Tapes ins T-Copy-Format oder in Schleife umwandeln kann, für CHAOS hast du ja schon etwas!
LG
Falk
Re: XC12 mit diversen Turbo-Umbauten
Verfasst: 30.09.2021 10:25
von dl7ukk
.
Vergessen oder nur die halbe Wahrheit ....
.
.....
Das ist natürlich nicht das Fuji-CAS Format und damit lassen sich dieses Files auch nicht mit den gängigen Emulatoren laden.
Damit dachte ich an die Emulatoren der A8 Hardware auf den PC's.
Natürlich lassen sich Kassetten Programme, die per C(opy) auf Disk auf dem XLE mit Kassetten-Emulatoren laden!
Oder man benutzt dazu ein OS, welches das Laden diesen überspielten Files unterstützt. ZB wäre da SPOS zu nennen. Von GBXL gibt es zu diesem OS in einem Magazin (No.??) eine Anleitung dazu.
dl7ukk
Re: XC12 mit diversen Turbo-Umbauten
Verfasst: 30.09.2021 14:30
von fan2000
Hallo ,
vielen Dank für den Tipp, habs mit QMEG probiert und das Programm startet, erspart den Umweg über die Kassette.
LG
Falk
Re: XC12 mit diversen Turbo-Umbauten
Verfasst: 01.10.2021 19:37
von dl7ukk
rvetter hat geschrieben: ↑29.09.2021 13:55
Vielen Dank! Ich werde mal auf die Suche gehen. Oder es selbst nochmal testen und wieder eine schreiben.
Gruß, Rene
Hi Rene,
Kannst Du bitte die Anleitung hochladen oder mir per PN senden. Ist sicher für Einige interessant.
Danke
dl7ukk
Re: XC12 mit diversen Turbo-Umbauten
Verfasst: 01.10.2021 22:28
von Alex
Hallo Andreas und Fan2000,
die Fotos der Erweiterung zeigen eindeutig einen russischen Transistor sowie einen Ringkerntrafo aus DDR Produktion.
Das Teil wurde scheinbar in der ehemaligen DDR geschöpft.
Grüße aus dem Harz.
Micha.
Re: XC12 mit diversen Turbo-Umbauten
Verfasst: 04.10.2021 19:49
von rvetter
dl7ukk hat geschrieben: ↑01.10.2021 19:37
Hi Rene,
Kannst Du bitte die Anleitung hochladen oder mir per PN senden. Ist sicher für Einige interessant.
Danke
dl7ukk
Ich habe heute im Papphefter in der Kunststoffkiste in der Garage verschiedene gedruckte oder handgeschriebene Anleitungen für T-Copy u.a. plus noch Schalt- und Layoutpläne gefunden. Werde ich bei Gelegenheit mal einscannen.
Gruß, Rene
Re: XC12 mit diversen Turbo-Umbauten
Verfasst: 05.10.2021 19:55
von Alex
Hallo, ich hab mir die von euch bereitgestellten Dateien heruntergeladen und wollte sie auf Disk bringen.
Ging leider nicht, da Aspeqt den Extender nicht akzeptierte.
Welche Möglichkeiten gibt es da noch?
Liebe Grüße aus dem Harz
Micha.
Re: XC12 mit diversen Turbo-Umbauten
Verfasst: 05.10.2021 20:04
von rvetter
Hallo,
ich habe heute mal meine Anleitungen zu T-Copy u.a. gescannt. Dazu noch verschiedene Interfaces. Vielleicht könnt ihr ja etwas damit anfangen.
Ich selbst habe für T-Copy, TC4000 usw. allerdings das Interface des LC80 nachgebaut. Das hat einwandfrei funktioniert.
Gruß, Rene
Re: XC12 mit diversen Turbo-Umbauten
Verfasst: 06.10.2021 09:34
von fan2000
rvetter hat geschrieben: ↑05.10.2021 20:04
ich habe heute mal meine Anleitungen zu T-Copy u.a. gescannt. Dazu noch verschiedene Interfaces. Vielleicht könnt ihr ja etwas damit anfangen.
Super, vielen Dank, ich werde mich mal damit beschäftigen.
Alex hat geschrieben: ↑05.10.2021 19:55
Hallo, ich hab mir die von euch bereitgestellten Dateien heruntergeladen und wollte sie auf Disk bringen.
Ging leider nicht, da Aspeqt den Extender nicht akzeptierte.
Welche Möglichkeiten gibt es da noch?
Hallo Alex, ich habe mal ein Image gebastelt. Bei mir funktioniert es so. Rechner mit BIBODOS 5.x gestartet. Das Image via aspeqt auf D2 gemountet.
Die COM Datei kannst Du dann direkt starten. Die CAS-Dateien musst Du dann erst wieder auf Kassette bringen und zwar so.
C für Kopieren
D2:TCOPY.CAS,C:
LG
Falk
Re: XC12 mit diversen Turbo-Umbauten
Verfasst: 06.10.2021 11:25
von dl7ukk
rvetter hat geschrieben: ↑05.10.2021 20:04
ich habe heute mal meine Anleitungen zu T-Copy u.a. gescannt. Dazu noch verschiedene Interfaces. Vielleicht könnt ihr ja etwas damit anfangen.
Hallo Renê
Prima, dass sind teilweise ganz neue Infos/ Schaltungen. Die Jungs waren damals echt kreativ.
Herzlichen Dank!!!
dl7ukk
Re: XC12 mit diversen Turbo-Umbauten
Verfasst: 06.10.2021 23:50
von Alex
fan2000 hat geschrieben: ↑06.10.2021 09:34
rvetter hat geschrieben: ↑05.10.2021 20:04
ich habe heute mal meine Anleitungen zu T-Copy u.a. gescannt. Dazu noch verschiedene Interfaces. Vielleicht könnt ihr ja etwas damit anfangen.
Super, vielen Dank, ich werde mich mal damit beschäftigen.
Alex hat geschrieben: ↑05.10.2021 19:55
Hallo, ich hab mir die von euch bereitgestellten Dateien heruntergeladen und wollte sie auf Disk bringen.
Ging leider nicht, da Aspeqt den Extender nicht akzeptierte.
Welche Möglichkeiten gibt es da noch?
Hallo Alex, ich habe mal ein Image gebastelt. Bei mir funktioniert es so. Rechner mit BIBODOS 5.x gestartet. Das Image via aspeqt auf D2 gemountet.
Die COM Datei kannst Du dann direkt starten. Die CAS-Dateien musst Du dann erst wieder auf Kassette bringen und zwar so.
C für Kopieren
D2:TCOPY.CAS,C:
LG
Falk
Ich hatte Aspeqt angegeben, aber Respeqt genutzt. Hier wurde das Programm nicht erkannt.
siehe Anhang.
Grüße aus dem Harz
Micha.
ScreenShot080.jpg