800XL an Commodore 1084

Moderatoren: Sleeπ, andymanone

Antworten
Benutzeravatar
imagodespira
Beiträge: 44
Registriert: 17.08.2021 08:43
Has thanked: 15 times
Been thanked: 7 times
Kontaktdaten:

800XL an Commodore 1084

Beitrag von imagodespira »

Ja, ich kann es doch nicht lassen. Der ein oder andere weiß, dass ich einen von zwei 130XE verkauft habe weil ich mir einen Kleingarten zugelegt habe und ein paar Anschaffungen benötigte (ich mach das schon immer so, wenn ich was neues kaufe, gebe ich im Gegenzug irgendwas weg :) ).

Jetzt ist mir aber im Amiga Forum für 40,- + Versand ein 800XL in die Hände gekommen. Den habe ich eben aufgebaut und möchte ihn etwas kennenlernen, wenn es die Zeit hergibt.

Zu meiner Frage:
Ich habe das Atari 130XE Kabel angeschlossen und bekomme nur schwarz/weiß Bild. Wie kann ich das farbig bekommen, was brauche ich für ein Kabel.
Dunkel habe ich in Erinnerung, dass der 130XE schon eine Verbesserung hatte und daher der 1084 mit dem Kabel geht. Ich weiß es aber echt nicht mehr ob das stimmte oder nicht (RGB ??).

Vielleicht hat jemand eine Idee oder auch ein 1084 wo es geht, oder auch nicht. Danke für eine Antwort. Da der 130XE "MEIN" Atari ist, ist es auch nicht so wichtig ob ich Farbe habe. Wäre nur gut zu wissen ob Kabel oder Defekt.

Benutzeravatar
Sleeπ
Beiträge: 2237
Registriert: 18.06.2021 20:58
Has thanked: 327 times
Been thanked: 597 times
Kontaktdaten:

Re: 800XL an Commodore 1084

Beitrag von Sleeπ »

Hi,

der ATARI hat (ab Werk) KEIN RGB. Er liefert auf jeden Fall F-Bas und evt. S-Video bzw. Y/C. Dein Monitor müßte ein paar Cinchbuchsen habe, wo Du das Bild als F-Bas einspeisen kannst. Dann sollte Farbe rauskommen.
Dazu brauchst Du ein Kabel 5-pol-DIN (ATARI) auf Cinch. Da tut es zur Not ein Kabel aus der Hifi-Grabbelkiste:
A31.jpg
Die Farzuordnung hängt vom Hersteller ab; auf einem Cinch-Stecker liegt auf jedenfall F-Bas, also Bild in Farbe, auf einem der Ton (Mono). Wenn Du solch ein Kabel hast, und das Bild ist s/w, kann Dein Rechner ggf. schon S-Video (Y/C) und Du hast das Helligkeitssignal erwischt.

Poste doch mal ein Bild vom Anschlußterminal des Monitors.

Wenn Du Löten kannst, ist es nicht schwierig ein passendes Kabel anzufertigen. Die Pinbelegung kann ich raussuchen.

Im ABBUC-Shop findest Du auch passende Kabel in verschiedenen Längen, auch für S-Video.
S-Video kann man, falls nötig, leicht nachrüsten.

Inzwischen gibt es auch Erweiterungen, die RGB oder/und DVI können. Diese müssen aber vermutlich erst nachgerüstet werden. ;-)
Sleeπ

Burkhard
Beiträge: 507
Registriert: 03.06.2021 21:29
Has thanked: 10 times
Been thanked: 41 times
Kontaktdaten:

Re: 800XL an Commodore 1084

Beitrag von Burkhard »

Hallo Sleeπ!
Ich denke, die Erwähnung & Darstellung des Chinchkabels war unnötig, da Kollege TS doch erwähnt, daß er ein entsprechendes Kabel hat.

@ imagodespira
Ich habe mal nach Commodore 1084 geGOOGLEt - entspricht das Bild der Rückwand:
Bild
Ich hatte mal einen kleinen Commodore Farbmonitor, der von vorne dem 1084 glich - Typenbezeichnung weiß ich nicht mehr. Hinten hatte er 3 Anschlüsse, wo man Chinch-Kabel anschließen konnte, ein Eingang mit einer Audio und einer Video Chincbuchse und ein Eingang mit einer Video und 2 Audio Buchsen. Ich meine, mich dunkel daran erinnern zu können, daß man bei Letzteren zwischen BAS (Schwarz/Weiß) und FBAS (Farbe) wählen konnte über einen Schalter hinter der frontseitigen Klappe! Hast Du schon alle dortigen Schalter gesichtet und getestet?

Burkhard
Beiträge: 507
Registriert: 03.06.2021 21:29
Has thanked: 10 times
Been thanked: 41 times
Kontaktdaten:

Re: 800XL an Commodore 1084

Beitrag von Burkhard »

Ich hoffe das verlinkte Bild läßt sich bei Euch korrekt Darstellen! Bei mir wird nur der Text "Bild" angegeben! Andernfalls hier der Bildlink:

https://www.c64-wiki.de/images/thumb/e/ ... hinten.jpg

Übrigens: Das FBAS Kabel vom C64 paßt auch, wenn es einen 5po0l. DIN hat! Die Pins für Composite (FBAS) und Ton liegen an gleicher Position!

Benutzeravatar
Yellow_Man
Beiträge: 394
Registriert: 07.06.2021 00:35
Wohnort: Alpha Centauri
Has thanked: 80 times
Been thanked: 249 times
Kontaktdaten:

Re: 800XL an Commodore 1084

Beitrag von Yellow_Man »

imagodespira hat geschrieben:
02.09.2021 17:02

Zu meiner Frage:
Ich habe das Atari 130XE Kabel angeschlossen und bekomme nur schwarz/weiß Bild. Wie kann ich das farbig bekommen, was brauche ich für ein Kabel.
Dunkel habe ich in Erinnerung, dass der 130XE schon eine Verbesserung hatte und daher der 1084 mit dem Kabel geht. Ich weiß es aber echt nicht mehr ob das stimmte oder nicht (RGB ??).

Vielleicht hat jemand eine Idee oder auch ein 1084 wo es geht, oder auch nicht. Danke für eine Antwort. Da der 130XE "MEIN" Atari ist, ist es auch nicht so wichtig ob ich Farbe habe. Wäre nur gut zu wissen ob Kabel oder Defekt.
Dein Kabel ist nicht defekt. Auch nicht der 800XL.
Folgendes: Der 130/800/65 XE hat folgende Belegung der Monitorbuchse:
Pin 4 - Composite Video (FBas), Pin 1 - Luminance und an Pin 5 - Chroma.
Der 600/800/1200 XL hat an Pin 5, tada, nichts.
Ausnahme ist die letzte 800 XL Revision, mit Freddy auf der Platine. Dieser ist in der Pin Belegung wie die XE Modelle

Dein XE ist bestimmt so an dem 1084 angeschlossen. An der roten Cinch Buchse, mit dem Croma Signal, und an der Gelben Cinch Buchse mit dem Luminace Signal. (Fügt man beide Signale an einen Mini-DIN Stecker, nennt sich das SVideo).
Der Schalter hinten am Monitor steht dann auf LCA.
Da am 800 XL, an Pin 5 kein Croma Signal anliegt, bekommt man nur ein "scharfes" s/w Bild.

Wie Sleepy geschrieben hat, bei einem HiFi Kabel, liegt an einem Cinch Stecker FBas an. Wenn du diesen Stecker in die gelbe Cinch Buchse des 1084 steckst und den Schalter am Monitor auf CVBAS stellst, dann hat der 800XL auch Farbe.
Geht auch am 130XE, allerdings ist das zusammengesetzte Signal etwas verschwommener als die getrennten Signale.

Burkhard
Beiträge: 507
Registriert: 03.06.2021 21:29
Has thanked: 10 times
Been thanked: 41 times
Kontaktdaten:

Re: 800XL an Commodore 1084

Beitrag von Burkhard »

Warum so umständlich?
Hast Du ein bißchen Löterfahrung (oder ein Bekannter/Freund von Dir) und und eine Bastelkiste, in der Du mindestens eine ausgediente Chinchleitung wie sie früher an HiFi Komponentenanlagen verwendet wurden und einen 5pol. Diodenstecker finden kannst? Einfach an einem Ende Chinch Stecker ab- und Diodenstecker anlöten:
Atari XL-XE Video.png
Atari XL-XE Video.png (4.32 KiB) 4915 mal betrachtet
Alternativenpfehlung: Sollte Dein Kabel tatsächlich auch Chinch Ausgänge für Luminanz und Chrominanz haben, darfst Du die natürlch nirgendwo am Monitor anschließen. Falls Monitor OK, hast Du in dem Falle vermutlich Lum. statt FBAS angeschlossen, die führt mW. das BAS Signal!

Benutzeravatar
imagodespira
Beiträge: 44
Registriert: 17.08.2021 08:43
Has thanked: 15 times
Been thanked: 7 times
Kontaktdaten:

Re: 800XL an Commodore 1084

Beitrag von imagodespira »

Vielen Dank für die Antworten und entschuldigt die späte Antwort meinerseits ;)
Bisher hatte ich noch keine Zeit weiter zu forschen. Ich werde mich in den nächsten Tagen mal damit beschäftigen.

Mit der Pin Belegung ist erst einmal eine wichtige Hilfe. Ich habe nämlich dunkel in Erinnerung, dass ich in meiner Kiste ein anderes Kabel herumliegen habe. Wenn ich das finde und aktivieren kann, bin ich vielleicht schon weiter. Löterfahrung habe ich kaum, aber einen Lötkolben ;) die Kleinigkeiten sollte ich noch hinbekommen, ansonsten ist mein Geschäftspartner und Programmierer ein gelernter Rundfunk und Fernseher Techniker. Er hat auch meinen 1084 wieder hinbekommen (Zeilentrafo getauscht)

Ich melde mich, wenn ich weiter bin. Danke nochmals.

Benutzeravatar
imagodespira
Beiträge: 44
Registriert: 17.08.2021 08:43
Has thanked: 15 times
Been thanked: 7 times
Kontaktdaten:

Re: 800XL an Commodore 1084

Beitrag von imagodespira »

Sooo. Ich habe tatsächlich noch ein Kabel in der Kiste gefunden, was für den 800XL gemacht wurde. Dunkel erinnere ich mich, dass ich vor 2 Jahren für den XE das falsche Kabel bestellt hatte. Glück gehabt, wer hätte gedacht, dass ich mir nochmal einen 800XL zulege. Aber bei 40,- + Versand konnte ich nicht ablehnen ;)
800XL.jpg
800XL.jpg (450.51 KiB) 4610 mal betrachtet
(Foto ist nicht sehr schön, aber auf den ersten Blick sind alle Farben da. Der 130 hat besseres Bild, wurde mir ja auch in euren Beiträgen erklärt )

Danke für die Tipps nochmal, ich bin glücklich dass der Atari keinen Defekt hat. Nutzen werde ich wohl doch eher den 130XE, das war halt mein erster Computer..

So, muss den 800er noch etwas fordern :lol:

Burkhard
Beiträge: 507
Registriert: 03.06.2021 21:29
Has thanked: 10 times
Been thanked: 41 times
Kontaktdaten:

Re: 800XL an Commodore 1084

Beitrag von Burkhard »

Toll, daß es funzt, aber ...
Warum sollte das Kabel, das Du für den 130 XE gekauft hast, falsch sein? mAn. sollte es auch funktionieren. Wenn es ein Kabel ist wie das von Slee{PI} dargestellte (4x Chinch) glaube ich immer noch, daß Du irgend etwas falsch gemacht hat ...!

Benutzeravatar
Olix
Beiträge: 2415
Registriert: 17.08.2021 07:06
Has thanked: 365 times
Been thanked: 1743 times
Kontaktdaten:

Re: 800XL an Commodore 1084

Beitrag von Olix »

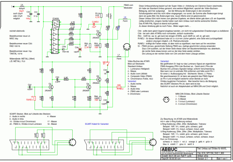
Wie hier bereits erwähnt wurde, hat ja die XL-Reihe (abgesehen vom XLF) kein Chromasignal am Stecker anliegen. Allerdings ist es kein großer Aufwand sich dieses nachträglich zu beschaffen. Dazu gibt es eine Vielzahl von Anleitungen unter anderem die hier vom ABBBUC:
SVIDEO_XL_ABBUC.gif
Habe ich schon mehrfach umgesetzt und funktioniert prima.

Antworten

Wer ist online?

Mitglieder in diesem Forum: 0 Mitglieder und 1 Gast