Atari XE pcb remake - Erfahrungsaustauch

Moderatoren: Sleeπ, andymanone

Benutzeravatar
LarryL
Beiträge: 132
Registriert: 17.08.2021 06:53
Wohnort: Bad Eilsen, Germany
Has thanked: 35 times
Been thanked: 17 times
Kontaktdaten:

Re: Atari XE pcb remake - Erfahrungsaustauch

Beitrag von LarryL »

Moin,

So, aus dem Urlaub zurück und schnell mal das Board komplettiert (fehlte noch ein kleines Teil) und erste Tests gemacht
Das Positive: es lebt! :D
4875D02C-470A-4ED2-8F1A-F0A5A7F16218.jpeg
Aber: im Video Bereich scheint es noch Probleme zu geben. Die Bildschirmausgabe ist nicht so, wie sie sein sollte…

Problem 1: Die Farben.
Poti auf Links: sattes Grün und leicht streifiges Bild - aber, muss das nicht blau sein? ;)
Außerdem gibt es dicke, helle Linien am linken und auch etwas blasser am rechten Bildschirmrand - kommt mir auch komisch vor
Wenn ich am Poti drehe (rechts, im Uhrzeiger) wird das Bild schwarz/weiß - zwischendurch gibt es immer ein ganz kurzes Zucken und ein schöner blauer Bildschirm erscheint, es gelingt mir aber nicht, diesen stabil zu bekommen. So fein kann ich das Poti kaum einstellen. Einmal hat es geklappt, da hat aber dann der ganze Bildschirm geguckt und geflackert.

Problem 2: Stock S-Video sieht grausig aus, unscharf mit nach rechts herauslaufenden Buchstaben
Stock FBAS ist OK, mit UAV sind beide Modi gut
Abgesehen vom Farbproblem natürlich.
Ich hänge mal Bilder an

Stock FBAS:
7F24F43A-AF56-4A89-B4F4-8D268A68AF74.jpeg

UAV FBAS:
3DC79918-1F16-4AF2-9E54-998C724B821C.jpeg

Stock S-Video:
9799E1A6-3BF5-410B-9F65-6FA5663A7991.jpeg

UAV S-Video:
47CC9D41-8100-4EAC-A04E-7F35980D8F48.jpeg

SysCheck (testet RAM und OS als OK, aber die Farben sind auch nicht wie in der Anleitung)
FA9A404E-E3A7-4F7B-8F17-B7F63F7FF41C.jpeg
1A3E2124-6FF6-4F96-9876-0D63E96D8201.jpeg

Hat einer eine Idee, wo ich schauen muss?
Nach welchem Schaltplan muss ich mich richten, um z.B. die Bauteile im Video-Bereich zu checken (kann mich da beim Bestücken durchaus vertan haben)

Die Chips müssten eigentlich alle OK sein, konnte alle mit bekannt guten Chips quertauschen - bis auf Freddie, den habe ich nur ein Mal, aber hat der was mit Videoausgabe zu tun?

VG
Michael
„Wir sind im Auftrag des Herrn unterwegs!“ („Joliet“ Jake & Elwood Blues)

Benutzeravatar
Olix
Beiträge: 2421
Registriert: 17.08.2021 07:06
Has thanked: 366 times
Been thanked: 1743 times
Kontaktdaten:

Re: Atari XE pcb remake - Erfahrungsaustauch

Beitrag von Olix »

Erst mal Gratulation. Kleiner Trost: Bei mir ging am Anfang noch weniger.

Leider gibt es für das Board keinen Schaltplan und auch keine Bezeichnung der Bauteile um sie dem Original XE Schaltplan zuzuordnen. Viele der Bauteile finden sich aber in etwa an der selben Stelle wie beim Original. Da hilft dann leider nur mühsames Nachverfolgen der Leiterbahnen.

Also die Bildqualität ohne UAV ist bei mir auch nicht so toll. UAV schon ganz brauchbar, aber das Bild mit einer Sophia2 über den DVI Ausgang ist der absolute Wahnsinn.

Ich schiebe heute Abend hier mal Vergleichsfotos hoch.

Benutzeravatar
LarryL
Beiträge: 132
Registriert: 17.08.2021 06:53
Wohnort: Bad Eilsen, Germany
Has thanked: 35 times
Been thanked: 17 times
Kontaktdaten:

Re: Atari XE pcb remake - Erfahrungsaustauch

Beitrag von LarryL »

Interessant…
Mit Sophia2 ist das Bild (erwartungsgemäß) total Klasse! :D
DD0599EA-C77C-4E9B-8E9F-7FCFDC9FDD6E.jpeg
Aber auch über S-Video (UAV) und FBAS (Stock und UAV) ist es nun richtig (und auch recht gut)
573B9634-358B-4B95-8C62-3182D7C37416.jpeg
Nur stock S-Video ist weiterhin so schlecht (total unscharf) wie vorher

Sind meine anderen GTIAs „schlecht“ oder ersetzt Sophia2 noch etwas anderes?

Habe festgestellt, dass das Poti für die Farbe nun auch gar keine Änderungen mehr bewirkt…
„Wir sind im Auftrag des Herrn unterwegs!“ („Joliet“ Jake & Elwood Blues)

Online
Benutzeravatar
Sleeπ
Beiträge: 2250
Registriert: 18.06.2021 20:58
Has thanked: 328 times
Been thanked: 603 times
Kontaktdaten:

Re: Atari XE pcb remake - Erfahrungsaustauch

Beitrag von Sleeπ »

Läuft der GTIA denn auf einer echten ATARI-Platine korrekt?

Die 128er Eproms sind heute gekommen (und schon programmiert).

Jetzt stehen noch die GALs für die MMU aus und die Power-Buchsen aus.
Sleeπ

Benutzeravatar
LarryL
Beiträge: 132
Registriert: 17.08.2021 06:53
Wohnort: Bad Eilsen, Germany
Has thanked: 35 times
Been thanked: 17 times
Kontaktdaten:

Re: Atari XE pcb remake - Erfahrungsaustauch

Beitrag von LarryL »

Sleeπ hat geschrieben:
13.10.2021 18:50
Läuft der GTIA denn auf einer echten ATARI-Platine korrekt?

Die 128er Eproms sind heute gekommen (und schon programmiert).

Jetzt stehen noch die GALs für die MMU aus und die Power-Buchsen aus.
Muss ich am WE mal in meinem 1088XEL probieren. Ich meine, die hätte ich vorher getestet - aber in meinem Alter… :roll:

Drücke die Daumen, dass bei Dir dann alles klappt!
„Wir sind im Auftrag des Herrn unterwegs!“ („Joliet“ Jake & Elwood Blues)

FlorianD
Beiträge: 447
Registriert: 19.08.2021 00:18
Has thanked: 89 times
Been thanked: 189 times
Kontaktdaten:

Re: Atari XE pcb remake - Erfahrungsaustauch

Beitrag von FlorianD »

LarryL hat geschrieben:
13.10.2021 18:34
Interessant…
Mit Sophia2 ist das Bild (erwartungsgemäß) total Klasse! :D
Bild

Aber auch über S-Video (UAV) und FBAS (Stock und UAV) ist es nun richtig (und auch recht gut)
Bild

Nur stock S-Video ist weiterhin so schlecht (total unscharf) wie vorher

Sind meine anderen GTIAs „schlecht“ oder ersetzt Sophia2 noch etwas anderes?

Habe festgestellt, dass das Poti für die Farbe nun auch gar keine Änderungen mehr bewirkt…
ich nehme mal an, das große Poti ist nur für die Einstellung des Stock-Videos und das kleine Poti tut das gleiche bei UAV-Video. Wenn Du also UAV mit den Jumpern anschließt, dann verändert das große Poti nichts, wenn Du dran drehst.

Benutzeravatar
Olix
Beiträge: 2421
Registriert: 17.08.2021 07:06
Has thanked: 366 times
Been thanked: 1743 times
Kontaktdaten:

Re: Atari XE pcb remake - Erfahrungsaustauch

Beitrag von Olix »

Ich kann bestätigen, dass der normale Poti mit Sophia2 keine Funktion hat. Weder für Comp noch SVideo und erst recht nicht bei DVI. Mit meinem original GTIA konnte ich aber wie üblich den Hintergrund von grün zum normalen blau einstellen.

Der Poti auf dem UAV Teil hat unter PAL wenig Eunfluss Ich meine mich zu erinnern dass damit unter NTSC das Artifacting beeinflusst werden kann.

Hier meine Bildqualität:
SVideo UAV 1.jpg
SVideo UAV
SVideo Stock 1.jpg
SVideo Stock
Comp Stock 1.jpg
Composite Stock
Comp UAV 1.jpg
Composite UAV

Das SVideo Bild mit UAV ist recht gut, hat aber leider leichte vertikale Streifen. Das Stock SVideo Bild dafür so ein Zickzackmuster.

Composite Stock ist wie zu erwarten sehr bescheiden

Unnötig zu erwähnen, dass das DVI Bild von der Sophia2 perfekt ist

Benutzeravatar
LarryL
Beiträge: 132
Registriert: 17.08.2021 06:53
Wohnort: Bad Eilsen, Germany
Has thanked: 35 times
Been thanked: 17 times
Kontaktdaten:

Re: Atari XE pcb remake - Erfahrungsaustauch

Beitrag von LarryL »

Olix hat geschrieben:
13.10.2021 19:53
Ich kann bestätigen, dass der normale Poti mit Sophia2 keine Funktion hat. Weder für Comp noch SVideo und erst recht nicht bei DVI. Mit meinem original GTIA konnte ich aber wie üblich den Hintergrund von grün zum normalen blau einstellen.

Der Poti auf dem UAV Teil hat unter PAL wenig Eunfluss Ich meine mich zu erinnern dass damit unter NTSC das Artifacting beeinflusst werden kann.

Das SVideo Bild mit UAV ist recht gut, hat aber leider leichte vertikale Streifen. Das Stock SVideo Bild dafür so ein Zickzackmuster.

Composite Stock ist wie zu erwarten sehr bescheiden

Unnötig zu erwähnen, dass das DVI Bild von der Sophia2 perfekt ist
Danke für das Feedback und die Bilder - so hatte ich die Qualität auch erwartet
UAV müsste eigentlich besser sein - kann aber auch am Kabel liegen
Sind Chroma und Luma bei dir getrennt abgeschirmt?

Ich habe jetzt erstmal meine fünf GTIAs aus dem Fundus durchprobiert - alle machen ein unterschiedliches Bild - aber alle schlecht
Bei zweien bekomme ich zumindest ein blaues Bild, aber immer mit schlechter Qualität und sehr unruhig (Flackern, Pumpen)

Was mich wundert ist, dass ich mit Sophia2 über FBAS und S-Video immer ein gutes Bild habe. Heißt doch, dass die Video Ausgangsstufe OK ist. Muss dann also woanders dran liegen.
Kämpfe mich mal durch die Schaltpläne

Weiß einer was die Grundlage der Platine von Panos ist? 130XE oder XEGS?
„Wir sind im Auftrag des Herrn unterwegs!“ („Joliet“ Jake & Elwood Blues)

Benutzeravatar
Olix
Beiträge: 2421
Registriert: 17.08.2021 07:06
Has thanked: 366 times
Been thanked: 1743 times
Kontaktdaten:

Re: Atari XE pcb remake - Erfahrungsaustauch

Beitrag von Olix »

Stimmt, mein SVideo/Composite Kabel ist nicht sehr hochwertig. Vom daher die Qualität nicht Optimal.

Santos schreibt im Forumbeitrag auf Atariage, dasa er sich bei seiner Platine möglichst nahe an der 130 XE Vorgabe orientiert hat. Da er ja nur 64 MB mit 2 Rambausteinen ohne die MMMU des 130er nutzt, also Quasi ein 65 XE.

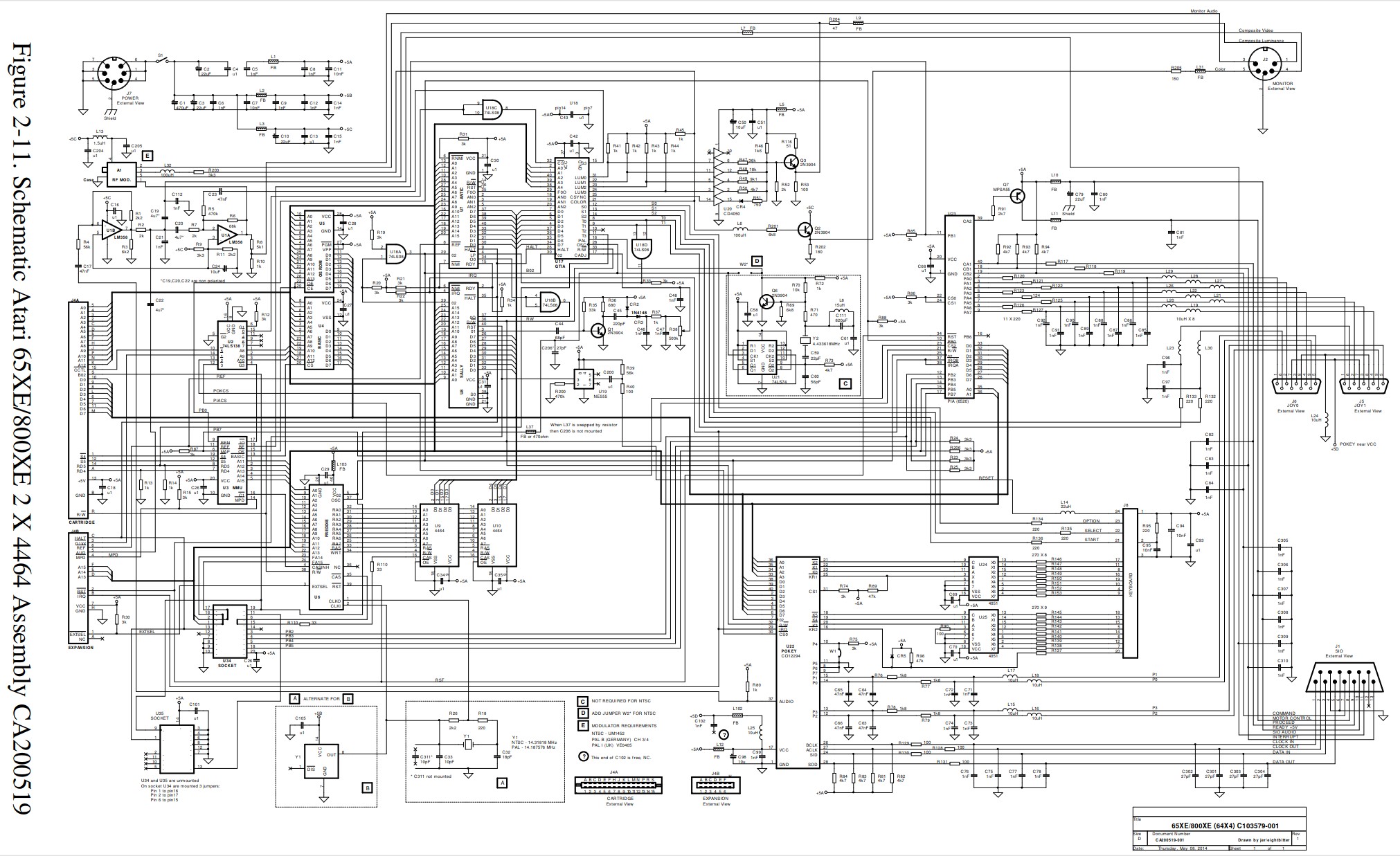
Ich denke am nähsten kommt dieses Schaltbild:
65XE.jpg
Im Anhang noch als pdf (7zip)
Dateianhänge
65XE.7z
(1.87 MiB) 371-mal heruntergeladen

Benutzeravatar
Olix
Beiträge: 2421
Registriert: 17.08.2021 07:06
Has thanked: 366 times
Been thanked: 1743 times
Kontaktdaten:

Re: Atari XE pcb remake - Erfahrungsaustauch

Beitrag von Olix »

Ich habe mal noch etwas nachgelesen, in Sophia Forenbeiträgen auf Atariage. Dort schreibt Simius über die Sophia 2: "An additional advantage is a simplicity of the color system change (NTSC to PAL or vice versa). All you need is to change ANTIC and the main crystal/oscillator. A 4.433MHz crystal and 74LS74 IC are not needed."

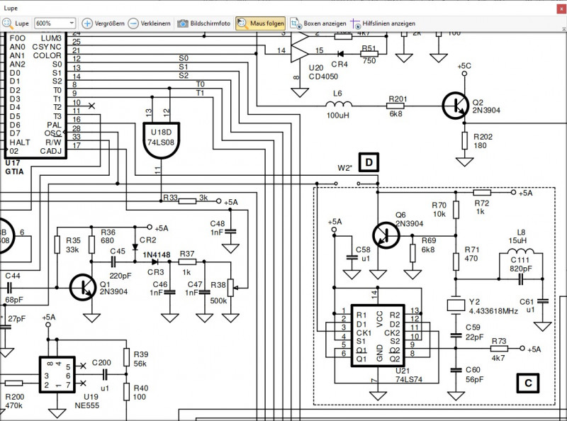
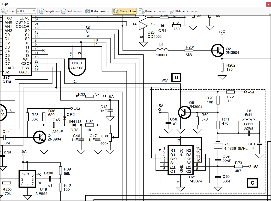
Anscheinend benötigt die Sophia dann gar nicht den Schaltungsteil für die PAL Farbträgerfrequenz. Dies könnte dann natürlich der Ort sein wo man mal nach Fehlern suchen könnte, wenn die Sophia ein gutes Bild erzeugt, aber es Probleme mit dem original GTIA gibt. Das wäre dann hier im gestrichelten Bereich unten rechts:
Pla_Ausschnitt.jpg
Hier findet sich auch der im Zitat erwähnte 7474 IC und das Kristall. Falls ein Oszilloskop vorhanden ist vielleicht mal das Signal "PAL" am GTIA Pin 16 anschauen.
Wichtig noch, dass die Brücke W2 offen ist (wird nur bei NTSC Systemen benötigt) . Auf dem neuen Board findet sich die (hoffentlich offene) Brücke hier:
BrueckeW2.jpg
BrueckeW2.jpg (55.53 KiB) 32547 mal betrachtet

Benutzeravatar
LarryL
Beiträge: 132
Registriert: 17.08.2021 06:53
Wohnort: Bad Eilsen, Germany
Has thanked: 35 times
Been thanked: 17 times
Kontaktdaten:

Re: Atari XE pcb remake - Erfahrungsaustauch

Beitrag von LarryL »

Danke @Olix - das werde ich mal tun
Oszi ist vorhanden
Habe außerdem noch herausgefunden, dass sie Generierung des Composite Signals mit der Schaltung vom XEGS gemacht wird
Beim 130XE kommt das ja aus dem HF-Modulator
Der Schaltplan ist also quasi ne Mischung aus 130XE, XEGS und Erweiterungen
„Wir sind im Auftrag des Herrn unterwegs!“ („Joliet“ Jake & Elwood Blues)

Benutzeravatar
Olix
Beiträge: 2421
Registriert: 17.08.2021 07:06
Has thanked: 366 times
Been thanked: 1743 times
Kontaktdaten:

Re: Atari XE pcb remake - Erfahrungsaustauch

Beitrag von Olix »

Im SAMS Servicemanual zum 130XE gibt es auch einige Messpunkte im Bereich des 500K Widerstandes der die Farbe regelt und auch einige konkrete Prüfschritte (s.u.). Der Schaltungsteil ist in meinem Schaltungsauschnitt meines vorherigen Beitrags im linken Teil zu sehen. vom Poti aus geht es auf den GTIA Pin 17 (CADJ) Hier liegen je nach Potistellung bis zu 8,5 V.
Color.jpg
Color.jpg (64.6 KiB) 32540 mal betrachtet
--
Color2.jpg
Color2.jpg (64.03 KiB) 32540 mal betrachtet

Online
Benutzeravatar
Sleeπ
Beiträge: 2250
Registriert: 18.06.2021 20:58
Has thanked: 328 times
Been thanked: 603 times
Kontaktdaten:

Re: Atari XE pcb remake - Erfahrungsaustauch

Beitrag von Sleeπ »

Ich habe die 7-poligen DIN-Power-Buchsen eben bei dhl abgeholt - sie passen. :-)

@Mathy/FlorianD: Ich packe sie noch zum Material dazu.

Ich habe sie bei den Kollegen aus der Cevi-Ecke gefunden: Power-Buchse

Die Power-Buchse des C64 - Plus/4 - VIC20 sind also nicht nur vom Stecker her identisch, sondern auch vom Layout. :mrgreen:
Sleeπ

Benutzeravatar
Mathy
Beiträge: 2011
Registriert: 18.06.2021 11:13
Wohnort: Heerlen, NL
Has thanked: 1003 times
Been thanked: 616 times
Kontaktdaten:

Re: Atari XE pcb remake - Erfahrungsaustauch

Beitrag von Mathy »

Hallo Leute

Aber aufpassen! Wenn Ich mich nicht irre benutzt der Lionel Richie Computer Wechselspannung statt Gleichspannung.

Tschüß

Mathy
Schreibe nicht der Absicht zu, was man mit Dummheit oder Ignoranz erklären kann.

Online
Benutzeravatar
Sleeπ
Beiträge: 2250
Registriert: 18.06.2021 20:58
Has thanked: 328 times
Been thanked: 603 times
Kontaktdaten:

Re: Atari XE pcb remake - Erfahrungsaustauch

Beitrag von Sleeπ »

Das ist natürlich richtig. Ich habe ja auch nicht geschrieben dass man das C64-Netzteil benutzen kann, sondern daß Commodore und ATARI identische Buchsen benutzt haben.
Ein C64-Netzteil am ATARI dürfte natürlich tödlich für den XL sein...!!! :shock:
Sleeπ

Benutzeravatar
Mathy
Beiträge: 2011
Registriert: 18.06.2021 11:13
Wohnort: Heerlen, NL
Has thanked: 1003 times
Been thanked: 616 times
Kontaktdaten:

Re: Atari XE pcb remake - Erfahrungsaustauch

Beitrag von Mathy »

.
Hallo Marc

Stimmt. Aber besser Ich warne mal umsonst als dass jemand sowas aus Erfahrung lernt.

Tschüß

Mathy
Schreibe nicht der Absicht zu, was man mit Dummheit oder Ignoranz erklären kann.

Benutzeravatar
LarryL
Beiträge: 132
Registriert: 17.08.2021 06:53
Wohnort: Bad Eilsen, Germany
Has thanked: 35 times
Been thanked: 17 times
Kontaktdaten:

Re: Atari XE pcb remake - Erfahrungsaustauch

Beitrag von LarryL »

Olix hat geschrieben:
14.10.2021 16:28
Im SAMS Servicemanual zum 130XE gibt es auch einige Messpunkte im Bereich des 500K Widerstandes der die Farbe regelt und auch einige konkrete Prüfschritte (s.u.). Der Schaltungsteil ist in meinem Schaltungsauschnitt meines vorherigen Beitrags im linken Teil zu sehen. vom Poti aus geht es auf den GTIA Pin 17 (CADJ) Hier liegen je nach Potistellung bis zu 8,5 V.

Color.jpg

--

Color2.jpg
Bin einen Schritt weiter: es lag an dem NPN Q1
Entweder war der defekt, oder der Ersatztyp 2N5551 taugt nicht...
Vorher konnte ich über R38 nur von 0V bis ca 4.4V regeln
Habe dann einen original 2N3904 aus dem Spenderboard genommen - und nun geht es. Regelt bis 8.5V und ich bekomme dann auch die Farbe richtig geregelt.
Nun ist lediglich noch Stock S-Video grottig.
Da im PAL-Zweig ja auch die 2N5551 drin sind, muss ich es evtl da auch nochmal mit den 2N3904 probieren

Was habt ihr denn für Transistoren verwendet?
In der originalen BOM von Santosp steht 2N4401 drin, aber im Mouser Warenkorb 2N5551 - in allen Schaltplänen von 130XE, 65XE und XEGS sind immer die 2N3904 drin
„Wir sind im Auftrag des Herrn unterwegs!“ („Joliet“ Jake & Elwood Blues)

Online
Benutzeravatar
Sleeπ
Beiträge: 2250
Registriert: 18.06.2021 20:58
Has thanked: 328 times
Been thanked: 603 times
Kontaktdaten:

Re: Atari XE pcb remake - Erfahrungsaustauch

Beitrag von Sleeπ »

Soweit das Board in Betrieb zu nehmen bin ich noch nicht. Aber ich kann heute Nachmittag nachsehen was für Transistoren eingesetzt sind. Aus dem Kopf würde ich sagen die angegebenen 2N4401.

Noch eine Frage zu "SJ1" (+5V - VBXE) auf der " auf der Lötseite: Wozu soll der gut sein? Soweit ich die Leiterbahn nachverfolgt habe, geht die Leitung von der Brücke direkt auf das Jumperfeld "Video Setup" für die Konfiguration der Monitorbuchse. Von dort aus soll man die 5V bei Verwendung eines VBXE per Jumper von Pin 4 auf Pin 5 weiterleiten. Wenn die 5V `eh von der Bestückungsseite per Jumper "geschaltet" werden, wozu dann die Lötbrücke auf der Lötseite?

Edit: Ich wir (FlorianD, Mathy & ich) haben 2N4401:
S20211018_0002.jpg
S20211018_0002.jpg (101 KiB) 32424 mal betrachtet
Sleeπ

Benutzeravatar
Olix
Beiträge: 2421
Registriert: 17.08.2021 07:06
Has thanked: 366 times
Been thanked: 1743 times
Kontaktdaten:

Re: Atari XE pcb remake - Erfahrungsaustauch

Beitrag von Olix »

Ich habe auch die 4401 verbaut.
IMG_20211019_065749.jpg

Benutzeravatar
Olix
Beiträge: 2421
Registriert: 17.08.2021 07:06
Has thanked: 366 times
Been thanked: 1743 times
Kontaktdaten:

Re: Atari XE pcb remake - Erfahrungsaustauch

Beitrag von Olix »

... außer natürlich bei Q7, das ist ja der PNP Transistor.

Benutzeravatar
LarryL
Beiträge: 132
Registriert: 17.08.2021 06:53
Wohnort: Bad Eilsen, Germany
Has thanked: 35 times
Been thanked: 17 times
Kontaktdaten:

Re: Atari XE pcb remake - Erfahrungsaustauch

Beitrag von LarryL »

Olix hat geschrieben:
19.10.2021 06:59
Ich habe auch die 4401 verbaut.
Danke Euch.
Dann ist entweder der im Mouser-Warenkorb enthaltene 2N5551 unpassend, oder meiner war defekt.
Schlechte Lötstelle wäre prinzipiell auch möglich gewesen, die hatte ich aber vorher schon nachgelötet
Egal, ColorPot Thema ist jetzt erledigt
Die schlechte Stock S-Video Qualität muss ich nochmal checken, da ist noch was nicht wie es sein sollte…
Am Ende wird zwar Sophia2 genutzt, aber der Rest sollte ja schon Ok sein - kann man ja nicht so lassen :D
„Wir sind im Auftrag des Herrn unterwegs!“ („Joliet“ Jake & Elwood Blues)

Benutzeravatar
LarryL
Beiträge: 132
Registriert: 17.08.2021 06:53
Wohnort: Bad Eilsen, Germany
Has thanked: 35 times
Been thanked: 17 times
Kontaktdaten:

Re: Atari XE pcb remake - Erfahrungsaustauch

Beitrag von LarryL »

Sleeπ hat geschrieben:
18.10.2021 12:56

Noch eine Frage zu "SJ1" (+5V - VBXE) auf der " auf der Lötseite: Wozu soll der gut sein? Soweit ich die Leiterbahn nachverfolgt habe, geht die Leitung von der Brücke direkt auf das Jumperfeld "Video Setup" für die Konfiguration der Monitorbuchse. Von dort aus soll man die 5V bei Verwendung eines VBXE per Jumper von Pin 4 auf Pin 5 weiterleiten. Wenn die 5V `eh von der Bestückungsseite per Jumper "geschaltet" werden, wozu dann die Lötbrücke auf der Lötseite?
Die Lötbrücke auf der Rückseite legt die 5V erst an PIN 4 des Jumper-Feldes. Ohne ist da nix
„Wir sind im Auftrag des Herrn unterwegs!“ („Joliet“ Jake & Elwood Blues)

FlorianD
Beiträge: 447
Registriert: 19.08.2021 00:18
Has thanked: 89 times
Been thanked: 189 times
Kontaktdaten:

Re: Atari XE pcb remake - Erfahrungsaustauch

Beitrag von FlorianD »

geht es nur mir so? Ich finde, dass sich insbesondere die Masse-Anschlüsse der Widerstände und Kondensatoren sehr schlecht löten lassen.
Woran kann das liegen?
Ist da noch ein Schutzlack drauf, den ich erst entfernen muss?
Ich habe einen 25W ERSA Lötstation, die bislang alles gut löten konnte. Spitze ist neu. Lötzinn ist Oldschool mit Blei.

Die SMD Bauteile gingen hingegen sehr gut.

Benutzeravatar
Olix
Beiträge: 2421
Registriert: 17.08.2021 07:06
Has thanked: 366 times
Been thanked: 1743 times
Kontaktdaten:

Re: Atari XE pcb remake - Erfahrungsaustauch

Beitrag von Olix »

Ich habe das Board mit meiner fast 40 Jahre alten Weller WECP-20 gelötet (350 Grad) , mit meinem guten alten verbleiten Lötzinn. Konnte aber keine Probleme beim Verlöten der Bauteile feststellen. Allerdings habe ich auch noch zusätzlich die Lötstellen mit Flussmittel (Flussmittelstift) benetzt. Wie man in einem Beitrag weiter oben von mir sehen kann (Makro Aufnahme der beiden Transistoren) ist das Zinn auch schön durch den Kontakt durchgeflossen.

Online
Benutzeravatar
Sleeπ
Beiträge: 2250
Registriert: 18.06.2021 20:58
Has thanked: 328 times
Been thanked: 603 times
Kontaktdaten:

Re: Atari XE pcb remake - Erfahrungsaustauch

Beitrag von Sleeπ »

Ich habe mit einer (auch nicht mehr ganz taufrischen) Weller Lötstation EC2002 bzw. eine noch ältere ohne Digitalanzeige (80 Watt) bei ~380°C gelötet, verbleites Lözinn, und hatte bei den Massen auch keine Problem. Auch die Stabilisierungen der DVI-Buchse gingen problemlos.

Ich würde mal tippen dass die 25W etwas knapp sind; an den Massen hängen i.d.R. größere Kupferflächen die die Wärme "absaugen". Wenn der Lötkolben nicht genug Reserve hat, kann es da zu Problemen kommen bzw. länger dauer bis die Lötstelle die erforderliche Temperatur hat.

Wenn dann der Lötkolben bzw. die Spitze dazu noch recht filigran ist, wird es unter Umständen noch schwieriger.

Auf der Arbeit sind unsere Weller-Lötstationen im Rahmen der Bleifrei-Umstellung auf neuere Nachfolgemodelle (WSD81, mit gleicher Leistung) umgestellt worden. Die neuen Lötkolben sind deutlich filigraner und die Lötspitzen deutlich kleiner (von der Masse her gesehen). Das hat den Vorteil, daß sie sehr viel schneller aufheizen. Will man aber mal an einer (größeren) Massefläche löten, muß man immer die "normale" Spitze gegen eine "dickere" tauschen und die Temperatur voll aufdrehen um sauber löten zu können. Bei der alten Lötstation war weder der Wechsel auf eine andere Spitze noch eine Erhöhung der Temperatur nötig. :-(
Sleeπ

Online
Benutzeravatar
Sleeπ
Beiträge: 2250
Registriert: 18.06.2021 20:58
Has thanked: 328 times
Been thanked: 603 times
Kontaktdaten:

Re: Atari XE pcb remake - Erfahrungsaustauch

Beitrag von Sleeπ »

Der Video-Verstärker auf dem UAV-Bereich ist abgekündigt / hat den Status "End of life" bekommen...: klick
Sleeπ

FlorianD
Beiträge: 447
Registriert: 19.08.2021 00:18
Has thanked: 89 times
Been thanked: 189 times
Kontaktdaten:

Re: Atari XE pcb remake - Erfahrungsaustauch

Beitrag von FlorianD »

Olix hat geschrieben:
28.09.2021 21:10
FlorianD hat geschrieben:
28.09.2021 20:50
.... Was ein Suchspiel...
... absolut, wie gesagt über 350 Bauteile und zum Teil muss man echt aufpassen. Ich hätte fast bei den 47k Widerständen die 4,7k eingelötet. Aber zum Glück hab ich ne Strichliste geführt und es ist noch aufgefallen.

Kann es kaum erwarten bis ich am Sonntag aus dem Urlaub zurück bin und Weiterlöten darf. :mrgreen:

da bin ich auf eine seltsame Sache gestossen:
In der BOM gibt es keine 47K Widerstände.
Auf dem Board unter dem POKEY und rechts unterhalb sind 2 Widerstände mit 47K
In der BOM sind 17 4K7 Widerstände drin ich habe aber nur 15 verbaut.

Was muss da nun rein? 47K oder 4K7?

Benutzeravatar
LarryL
Beiträge: 132
Registriert: 17.08.2021 06:53
Wohnort: Bad Eilsen, Germany
Has thanked: 35 times
Been thanked: 17 times
Kontaktdaten:

Re: Atari XE pcb remake - Erfahrungsaustauch

Beitrag von LarryL »

FlorianD hat geschrieben:
21.10.2021 23:50
Olix hat geschrieben:
28.09.2021 21:10
FlorianD hat geschrieben:
28.09.2021 20:50
.... Was ein Suchspiel...
... absolut, wie gesagt über 350 Bauteile und zum Teil muss man echt aufpassen. Ich hätte fast bei den 47k Widerständen die 4,7k eingelötet. Aber zum Glück hab ich ne Strichliste geführt und es ist noch aufgefallen.

Kann es kaum erwarten bis ich am Sonntag aus dem Urlaub zurück bin und Weiterlöten darf. :mrgreen:

da bin ich auf eine seltsame Sache gestossen:
In der BOM gibt es keine 47K Widerstände.
Auf dem Board unter dem POKEY und rechts unterhalb sind 2 Widerstände mit 47K
In der BOM sind 17 4K7 Widerstände drin ich habe aber nur 15 verbaut.

Was muss da nun rein? 47K oder 4K7?
47K
In der BOM die ich und Olix erstellt haben, sind 2x47K drin - genau die zwei unter dem Pokey und schräg rechts daneben
Ich jabe auch alle 17 Stk 4k7 verbaut, zwei sind z.B. unten bei der SRAM Erweiterung
„Wir sind im Auftrag des Herrn unterwegs!“ („Joliet“ Jake & Elwood Blues)

Online
Benutzeravatar
Sleeπ
Beiträge: 2250
Registriert: 18.06.2021 20:58
Has thanked: 328 times
Been thanked: 603 times
Kontaktdaten:

Re: Atari XE pcb remake - Erfahrungsaustauch

Beitrag von Sleeπ »

Ich habe das Material nach der überarbeiteten Liste bestellt. :-)

Was Du über haben solltest, ist die runde NV-Buchse (für den alternativen Spannungsanschluß).

Was mir beim Bestücken gefehlt hat, sind Stiftleisten 2x15 und 2x6 (oder 7) für die (optionale) Anschlußleiste hinter dem ECI/Modulport. Die sind aber nur nötig, wenn man dort etwas anschließen möchte - also erst mal verzichtbar. ;-)

Eine Steckerwanne für den Anschluß eines VBXE ist auch nicht dabei (unter der Monitorbuchse). Diese wird aber auch nicht unbedingt benötigt und kann ggf. auch mit den beiliegenden Stiftleisten bestückt werden. Dann hat die "Buchse" aber keinen Verpolungsschutz. ;-)
Sleeπ

Benutzeravatar
Olix
Beiträge: 2421
Registriert: 17.08.2021 07:06
Has thanked: 366 times
Been thanked: 1743 times
Kontaktdaten:

Re: Atari XE pcb remake - Erfahrungsaustauch

Beitrag von Olix »

Halte dich an den Bestückungsplan, bzw. die Aufdrucke auf der Platine. Die sind richtig. Also die beiden Widerstände beim Pokey sind wie bereits bestätigt definitiv 47K.

FlorianD
Beiträge: 447
Registriert: 19.08.2021 00:18
Has thanked: 89 times
Been thanked: 189 times
Kontaktdaten:

Re: Atari XE pcb remake - Erfahrungsaustauch

Beitrag von FlorianD »

ich komme nur auf 16 Stück 4k7 Widerstände

1 oberhalb von U20
1 unterhalb von U21
3 oberhalb von U23
9 rechts neben U23/U22
2 rechts neben U34

wo übersehe ich einen?

Benutzeravatar
Olix
Beiträge: 2421
Registriert: 17.08.2021 07:06
Has thanked: 366 times
Been thanked: 1743 times
Kontaktdaten:

Re: Atari XE pcb remake - Erfahrungsaustauch

Beitrag von Olix »

Du hast keinen übersehen. Ich erinnere mich jetzt wieder, dass ich vor dem selben Problem stand und habe gerade nochmals meine Strichlisten rausgesucht. Ich hatte die 4k7 dann auch mehrfach kontrolliert. Es sind tatsächlich nur die von Dir aufgezählten 16 Stück und dann eben noch die beiden 47K. Also alles in Ordnung.

(Und um die Verwirrung komplett zu machen, nicht zu vergessen noch die 2 Stück 470K - links neben U24 und rechts neben dem Poti)

Online
Benutzeravatar
Sleeπ
Beiträge: 2250
Registriert: 18.06.2021 20:58
Has thanked: 328 times
Been thanked: 603 times
Kontaktdaten:

Re: Atari XE pcb remake - Erfahrungsaustauch

Beitrag von Sleeπ »

LarryL hat geschrieben:
22.10.2021 06:33
Ich jabe auch alle 17 Stk 4k7 verbaut, zwei sind z.B. unten bei der SRAM Erweiterung
Ich hab´ mal den Bestückungsplan genommen und (damit´s übersichtlicher wird) alle anderen Spulen / Rs / Cs gelöscht, bis auf die mit "4" und "7" im Wert.
Die rot umrandeten sind die von FlorianD aufgelisteten:

4k7.jpg

Ich komme auch auf 16 Stück 4k7.

Bestückt habe ich aber nach dem Siebdruck auf der Platine!
Sleeπ

Benutzeravatar
LarryL
Beiträge: 132
Registriert: 17.08.2021 06:53
Wohnort: Bad Eilsen, Germany
Has thanked: 35 times
Been thanked: 17 times
Kontaktdaten:

Re: Atari XE pcb remake - Erfahrungsaustauch

Beitrag von LarryL »

Ja, wirklich zusammenpassen tun Bestückungsplan und Platine nicht
Habe aber leider beim Bestücken auch nicht mitgezählt sonder die Bauteile einfach aus meinen Kisten genommen
Habe mich beim Bestücken allerdings auch an den Silkscreen gehalten…
„Wir sind im Auftrag des Herrn unterwegs!“ („Joliet“ Jake & Elwood Blues)

Online
Benutzeravatar
Sleeπ
Beiträge: 2250
Registriert: 18.06.2021 20:58
Has thanked: 328 times
Been thanked: 603 times
Kontaktdaten:

Re: Atari XE pcb remake - Erfahrungsaustauch

Beitrag von Sleeπ »

Ich hätte da noch einen Scan der unbestückten Platine im Angebot; da kann man den Siebdruck noch lesen... :mrgreen:

130X remake PCB.jpg
Und bereinigt:

130X remake PCB clean.jpg

Also scheinen 16 x 4,7k richtig zu sein.
Sleeπ

Benutzeravatar
Olix
Beiträge: 2421
Registriert: 17.08.2021 07:06
Has thanked: 366 times
Been thanked: 1743 times
Kontaktdaten:

Re: Atari XE pcb remake - Erfahrungsaustauch

Beitrag von Olix »

Hast Du die Rückseite zufällig auch noch in dieser guten Qualität?

Online
Benutzeravatar
Sleeπ
Beiträge: 2250
Registriert: 18.06.2021 20:58
Has thanked: 328 times
Been thanked: 603 times
Kontaktdaten:

Re: Atari XE pcb remake - Erfahrungsaustauch

Beitrag von Sleeπ »

Nein; leider nicht. Ich habe nur, wegen der Bestückung, die Vorderseite gescannt.

Aber Yellowman hat noch jungfrauliche Platinen. Ich schreibe ihn mal an ob er auch einen A3-Scanner hat...
Sleeπ

FlorianD
Beiträge: 447
Registriert: 19.08.2021 00:18
Has thanked: 89 times
Been thanked: 189 times
Kontaktdaten:

Re: Atari XE pcb remake - Erfahrungsaustauch

Beitrag von FlorianD »

der kleine Drehschalter bei S1 kann auch UNTER die Platine, richtig? Und dann ein kleines Loch ins Gehäuse bohren, damit man ihn mit einem Schraubendreher betätigen kann zum Umschalten.

Benutzeravatar
LarryL
Beiträge: 132
Registriert: 17.08.2021 06:53
Wohnort: Bad Eilsen, Germany
Has thanked: 35 times
Been thanked: 17 times
Kontaktdaten:

Re: Atari XE pcb remake - Erfahrungsaustauch

Beitrag von LarryL »

FlorianD hat geschrieben:
22.10.2021 19:05
der kleine Drehschalter bei S1 kann auch UNTER die Platine, richtig? Und dann ein kleines Loch ins Gehäuse bohren, damit man ihn mit einem Schraubendreher betätigen kann zum Umschalten.
Der gehört unter die Platine!
Alternativ von oben der 2p DIP Switch
„Wir sind im Auftrag des Herrn unterwegs!“ („Joliet“ Jake & Elwood Blues)

Online
Benutzeravatar
Sleeπ
Beiträge: 2250
Registriert: 18.06.2021 20:58
Has thanked: 328 times
Been thanked: 603 times
Kontaktdaten:

Re: Atari XE pcb remake - Erfahrungsaustauch

Beitrag von Sleeπ »

FlorianD hat geschrieben:
22.10.2021 19:05
Und dann ein kleines Loch ins Gehäuse bohren, damit man ihn mit einem Schraubendreher betätigen kann zum Umschalten.
Darauf bin ich noch garnicht gekommen... cool.

Ich nehme mal an dass das Loch in der Platine dann die Stelle ist, wo die Achse des Drehschalters liegt. Dann würde ich, bevor ich den Schalter einlöte, die Platine in das Gehäuse legen und durch das Loch die Stelle für die Bohrung markieren oder durch das Loch bohren.
Sleeπ

Antworten

Wer ist online?

Mitglieder in diesem Forum: 0 Mitglieder und 1 Gast