Hallo!
Ich habe schon seit längerem einen ATARI 600XL. Bis jetzt ist es mir gar nicht aufgefallen, aber der Feuerknopf auf Port 1 geht plötzlich nicht mehr. Ob Port 2 geht weiß ich nicht.
Am Wochenende werde ich den Rechner wohl öffnen, aber was sollte ich wohl als erstes prüfen?
Gibt es da ggf. einen typischen Defekt? Chip, Widerstand etc.?
Grüße
Janko
ATARI 600XL -> Feuerknopf geht nicht
Moderatoren: Sleeπ, andymanone
- Kveldulfur
- Beiträge: 1104
- Registriert: 17.08.2021 02:32
- Has thanked: 573 times
- Been thanked: 511 times
- Kontaktdaten:
Online
- andymanone
- Beiträge: 4587
- Registriert: 17.08.2021 12:34
- Wohnort: Berlin - Suburban
- Has thanked: 1192 times
- Been thanked: 1980 times
- Kontaktdaten:
Re: ATARI 600XL -> Feuerknopf geht nicht
Hi Janko,
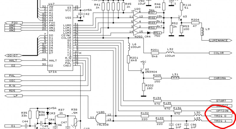
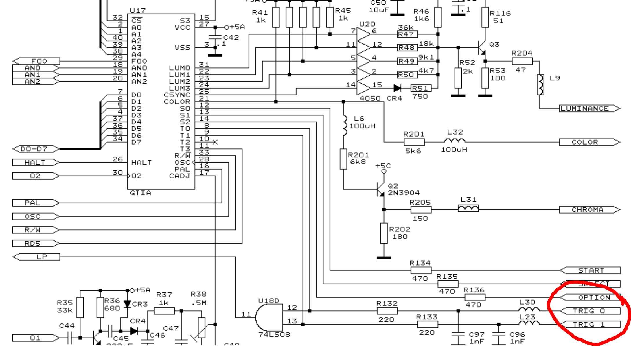
musst Du mal gucken, die Trigger (TRIG0 und TRIG1) werden vom GTIA verwaltet.
Hier sieht Du das in den Schematics:
Am besten einfach mal intern an Pin 8 (altern. Pin 9) des GTIA messen, ob der Trigger-Impuls dort überhaupt
ankommt.
Gtx.,
andY
musst Du mal gucken, die Trigger (TRIG0 und TRIG1) werden vom GTIA verwaltet.
Hier sieht Du das in den Schematics:
Am besten einfach mal intern an Pin 8 (altern. Pin 9) des GTIA messen, ob der Trigger-Impuls dort überhaupt
ankommt.
Gtx.,
andY
Ressortleiter Hardware - Save the past and use the future!© andYManOne / Demozoo / Brandnew: Live 24/7 Stream - Industrial - Chiptune/Covers - Vocal Dream - EDM - Indie - own tracks
- atarixle
- Beiträge: 437
- Registriert: 18.06.2021 21:19
- Has thanked: 47 times
- Been thanked: 89 times
- Kontaktdaten:
Re: ATARI 600XL -> Feuerknopf geht nicht
Könnte ein Post von mir sein, mein 600XL spinnt auch so rum.
- Kveldulfur
- Beiträge: 1104
- Registriert: 17.08.2021 02:32
- Has thanked: 573 times
- Been thanked: 511 times
- Kontaktdaten:
Re: ATARI 600XL -> Feuerknopf geht nicht
Oh, der GTIA... ich habe ihn für eine Erweiterung rausgenommen, die dann nicht ging.
Evtl. habe ich ihn nicht richtig eingesetzt (hoff).
Danke
Janko
Evtl. habe ich ihn nicht richtig eingesetzt (hoff).
Danke
Janko
Meine Projekte findest Du hier...
- Mathy
- Beiträge: 1976
- Registriert: 18.06.2021 11:13
- Wohnort: Heerlen, NL
- Has thanked: 980 times
- Been thanked: 601 times
- Kontaktdaten:
Re: ATARI 600XL -> Feuerknopf geht nicht
.
Hallo Leute
Das erinnert mich daran dass meine XEGS mit 1MB auch so eine Macke hat. Die muss erst warm werden bis die auf 'nen Joystick reagiert wie sie soll.
Tschüß
Mathy
PS Mental note to self: Mitbringen zur Fujiama.
Hallo Leute
Das erinnert mich daran dass meine XEGS mit 1MB auch so eine Macke hat. Die muss erst warm werden bis die auf 'nen Joystick reagiert wie sie soll.
Tschüß
Mathy
PS Mental note to self: Mitbringen zur Fujiama.
Schreibe nicht der Absicht zu, was man mit Dummheit oder Ignoranz erklären kann.
Wer ist online?
Mitglieder in diesem Forum: 0 Mitglieder und 1 Gast