Hallo, die Pins an einem meiner Jaguar-Controller sind verbogen. Kann ich irgendwo ein Ersatzkabel oder einen Ersatzstecker finden?
MfG
Atari Jaguar controller kabel
Moderatoren: Sleeπ, andymanone
Online
Gtx.,
andY
- andymanone
- Beiträge: 4587
- Registriert: 17.08.2021 12:34
- Wohnort: Berlin - Suburban
- Has thanked: 1192 times
- Been thanked: 1980 times
- Kontaktdaten:
Re: Atari Jaguar controller kabel
Da das ein D-SUB15 Stecker ist, könntest du dir einen VGA-Stecker nehmen, den alten, defekten Stecker abschneiden und den VGA-Stecker dafür anlöten.
Gtx.,
andY
Ressortleiter Hardware - Save the past and use the future!© andYManOne / Demozoo / Brandnew: Live 24/7 Stream - Industrial - Chiptune/Covers - Vocal Dream - EDM - Indie - own tracks
-
Burkhard
- Beiträge: 507
- Registriert: 03.06.2021 21:29
- Has thanked: 10 times
- Been thanked: 41 times
- Kontaktdaten:
Re: Atari Jaguar controller kabel
Bevor Du irgendwas abtrennen und dann am Ende nicht weißt, wie Du das Kabel an einem neuen Stecker anlöten mußt, würde ich erstmal probieren, mit äußerster Vorsicht die Pins mit einem kleinen Schraubenzieher die Stifte in Position zu biegen. Sollte Dir einer abbrechen, kannst Du immer noch einen neuen Stecker anlöten. Wenn erfolgreich, könnten die Pins trotzdem sehr labil sein. Ich empfehle darum den Einsatz eines Zwischenadapters (Stecker <-> Buchse) oder sogenannte "Gender-Changer" (Stecker <-> Stecker & Buchse <-> Buchse) zwischenzukoppeln und dauerhaft am Stecker zu belassen.
Sollte trotzdem gelötet werden müssen ...:
Ich bin auf folgende Grafik gestoßen: Wenn ich mich recht entsinne, liegen an den 9pol. Atari Joystickstecker 1=UP 2=DOWN 3=LEFT 4=RIGHT 6=FIRE 7=+5V 8=GND und das mußt Du jetzt auf die Grafik Umdenken ...
Sollte trotzdem gelötet werden müssen ...:
Ich bin auf folgende Grafik gestoßen: Wenn ich mich recht entsinne, liegen an den 9pol. Atari Joystickstecker 1=UP 2=DOWN 3=LEFT 4=RIGHT 6=FIRE 7=+5V 8=GND und das mußt Du jetzt auf die Grafik Umdenken ...
- yano
- Beiträge: 75
- Registriert: 10.03.2024 22:36
- Has thanked: 26 times
- Been thanked: 27 times
- Kontaktdaten:
Re: Atari Jaguar controller kabel
Ich habe es mit einer Spitzzange und einem Schraubenzieher versucht und es hat mehr oder weniger funktioniert. Ich lasse es so . Danke für alle Tips . LG
Online
Eigentlich bin ich fest davon ausgegangen, dass du diese simple Option schon selbst vorher in Betracht gezogen und ausprobiert hast,
bevor du hier die Frage "nach Ersatz" im Forum postest, aber trotzdem schön, dass der Controller wieder funktioniert
!
Gtx.,
andY
- andymanone
- Beiträge: 4587
- Registriert: 17.08.2021 12:34
- Wohnort: Berlin - Suburban
- Has thanked: 1192 times
- Been thanked: 1980 times
- Kontaktdaten:
Re: Atari Jaguar controller kabel
Ahh prima !
Eigentlich bin ich fest davon ausgegangen, dass du diese simple Option schon selbst vorher in Betracht gezogen und ausprobiert hast,
bevor du hier die Frage "nach Ersatz" im Forum postest, aber trotzdem schön, dass der Controller wieder funktioniert
Gtx.,
andY
Ressortleiter Hardware - Save the past and use the future!© andYManOne / Demozoo / Brandnew: Live 24/7 Stream - Industrial - Chiptune/Covers - Vocal Dream - EDM - Indie - own tracks
-
Burkhard
- Beiträge: 507
- Registriert: 03.06.2021 21:29
- Has thanked: 10 times
- Been thanked: 41 times
- Kontaktdaten:
Re: Atari Jaguar controller kabel
Wie geschrieben: die Pins können jetzt sehr labil sein. Wenn Du den Jaguar öfters auf und abbaust, würde ich mir sowas ...:
... besorgen - evtl Stecker und Buchse gleich mit - und mir einen "Zwischenstecker" basteln, den ich an dem Controller gesteckt lasse!
- yano
- Beiträge: 75
- Registriert: 10.03.2024 22:36
- Has thanked: 26 times
- Been thanked: 27 times
- Kontaktdaten:
Re: Atari Jaguar controller kabel
Ja, ich habe es versucht, aber ich wollte fragen, ob es irgendwo ein Ersatzkabel gibt.andymanone hat geschrieben: ↑07.09.2024 20:51Ahh prima !
Eigentlich bin ich fest davon ausgegangen, dass du diese simple Option schon selbst vorher in Betracht gezogen und ausprobiert hast,
bevor du hier die Frage "nach Ersatz" im Forum postest, aber trotzdem schön, dass der Controller wieder funktioniert!
Gtx.,
andY
-
Burkhard
- Beiträge: 507
- Registriert: 03.06.2021 21:29
- Has thanked: 10 times
- Been thanked: 41 times
- Kontaktdaten:
Re: Atari Jaguar controller kabel
Hast Du einen Ersatz-Kontroller? Wenn nicht, könntest Du Dir nach meinem Vorschlag einen Zwischenstecker löten (lassen). Ich kann es leider nicht mehr anbieten, da ich aus Alters- und Gesundheitsgründen meine Geduld beim Löten verlor ...
- Sleeπ
- Beiträge: 2237
- Registriert: 18.06.2021 20:58
- Has thanked: 327 times
- Been thanked: 597 times
- Kontaktdaten:
Re: Atari Jaguar controller kabel
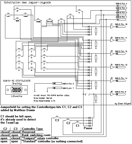
Für alle Fälle: Der Schaltplan
Ich hatte mir beim Bau meines Rotary-Controllers aus einem Deluxe-Joxstick anfangs mit einem Flachbandkabel und VGA-Stecker (Sub D 15 HD) beholfen bis ich eine originale Strippe (2nd hand) gefunden habe.
Dazu gibt es bei Bedarf noch Gehäuse. Bei der Wahl des Gehäuses wäre darauf zu achten daß man den Stecker weit genug eingesteckt bekommt damit er fest sitzt. Auf jeden Fall sind die Verrieglungsschrauben im Weg und sollten weggelassen werden. Ich hatte damals nur den Stecker angelötet und auf ein Gehäuse verzichtet.
Das ganze war allerdings optisch nicht besonders ansprechend:
Was auch als Ersatz herhalten kann ist (wie von andymanone beschrieben) ein zweckentfremdetes VGA-Kabel / VGA-Verlängerung. Diese sind aber oft recht dick und unhadlich. Ich würde auch erst testen ob alle benötigten Pins belegt sind.
Ich nutze aktuell eine VGA-Verlängerung als Joystickverlängerung:
Mit den entfernten Verrieglungsschrauben sitzt sie sicher in der Buchse. Da der Stecker angegossen ist, fehlen die bei den Bausätzen üblichen "Haltenasen". Du kannst die Kupplung abtrennen und das Kabel an den Controller klemmen (Zugentlastung / Verdrehschutz nicht vergessen!).
Oder, in Deinem Fall vermutlich besser, den noch intakten ATARI-Stecker in die Kupplung stecken und dort stecken lassen, auch wenn Du den Controller wegräumst.
Dann kannst Du dich auch etwas weiter vom TV wegsetzen. Die TVs werden ja immer größer - da muß man sich eh weiter weg setzen; die Pixel werden ja ebenfalls immer größer..
Ich hatte mir beim Bau meines Rotary-Controllers aus einem Deluxe-Joxstick anfangs mit einem Flachbandkabel und VGA-Stecker (Sub D 15 HD) beholfen bis ich eine originale Strippe (2nd hand) gefunden habe.
Dazu gibt es bei Bedarf noch Gehäuse. Bei der Wahl des Gehäuses wäre darauf zu achten daß man den Stecker weit genug eingesteckt bekommt damit er fest sitzt. Auf jeden Fall sind die Verrieglungsschrauben im Weg und sollten weggelassen werden. Ich hatte damals nur den Stecker angelötet und auf ein Gehäuse verzichtet.
Das ganze war allerdings optisch nicht besonders ansprechend:
Was auch als Ersatz herhalten kann ist (wie von andymanone beschrieben) ein zweckentfremdetes VGA-Kabel / VGA-Verlängerung. Diese sind aber oft recht dick und unhadlich. Ich würde auch erst testen ob alle benötigten Pins belegt sind.
Ich nutze aktuell eine VGA-Verlängerung als Joystickverlängerung:
Mit den entfernten Verrieglungsschrauben sitzt sie sicher in der Buchse. Da der Stecker angegossen ist, fehlen die bei den Bausätzen üblichen "Haltenasen". Du kannst die Kupplung abtrennen und das Kabel an den Controller klemmen (Zugentlastung / Verdrehschutz nicht vergessen!).
Oder, in Deinem Fall vermutlich besser, den noch intakten ATARI-Stecker in die Kupplung stecken und dort stecken lassen, auch wenn Du den Controller wegräumst.
Dann kannst Du dich auch etwas weiter vom TV wegsetzen. Die TVs werden ja immer größer - da muß man sich eh weiter weg setzen; die Pixel werden ja ebenfalls immer größer..
Sleeπ
- yano
- Beiträge: 75
- Registriert: 10.03.2024 22:36
- Has thanked: 26 times
- Been thanked: 27 times
- Kontaktdaten:
- yano
- Beiträge: 75
- Registriert: 10.03.2024 22:36
- Has thanked: 26 times
- Been thanked: 27 times
- Kontaktdaten:
Re: Atari Jaguar controller kabel
Danke für Schaltplan und Tip mit Verlängerung .Sleeπ hat geschrieben: ↑08.09.2024 14:59Für alle Fälle: Der Schaltplan
jpschem1.gif
Ich hatte mir beim Bau meines Rotary-Controllers aus einem Deluxe-Joxstick anfangs mit einem Flachbandkabel und VGA-Stecker (Sub D 15 HD) beholfen bis ich eine originale Strippe (2nd hand) gefunden habe.
Dazu gibt es bei Bedarf noch Gehäuse. Bei der Wahl des Gehäuses wäre darauf zu achten daß man den Stecker weit genug eingesteckt bekommt damit er fest sitzt. Auf jeden Fall sind die Verrieglungsschrauben im Weg und sollten weggelassen werden. Ich hatte damals nur den Stecker angelötet und auf ein Gehäuse verzichtet.
Das ganze war allerdings optisch nicht besonders ansprechend:
P1060582.JPG
Was auch als Ersatz herhalten kann ist (wie von andymanone beschrieben) ein zweckentfremdetes VGA-Kabel / VGA-Verlängerung. Diese sind aber oft recht dick und unhadlich. Ich würde auch erst testen ob alle benötigten Pins belegt sind.
Ich nutze aktuell eine VGA-Verlängerung als Joystickverlängerung:
CIMG7479.JPG
Mit den entfernten Verrieglungsschrauben sitzt sie sicher in der Buchse. Da der Stecker angegossen ist, fehlen die bei den Bausätzen üblichen "Haltenasen". Du kannst die Kupplung abtrennen und das Kabel an den Controller klemmen (Zugentlastung / Verdrehschutz nicht vergessen!).
Oder, in Deinem Fall vermutlich besser, den noch intakten ATARI-Stecker in die Kupplung stecken und dort stecken lassen, auch wenn Du den Controller wegräumst.
Dann kannst Du dich auch etwas weiter vom TV wegsetzen. Die TVs werden ja immer größer - da muß man sich eh weiter weg setzen; die Pixel werden ja ebenfalls immer größer..![]()
Wer ist online?
Mitglieder in diesem Forum: 0 Mitglieder und 1 Gast