Boris hat geschrieben: ↑20.11.2021 23:02
Das ist ein sehr feiner Zug von dir, danke! Würde aber gerne zuerst selbst der Sache ein wenig nachspüren. Was zum Knobeln für die kalten Tage quasi

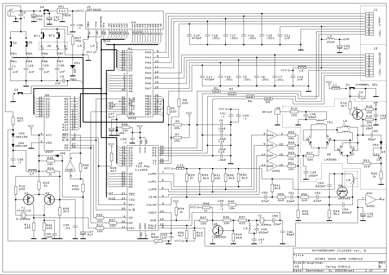
Da das Bild ja kurz erscheint, würde ich mal meinen, dass der Grafikchip in Ordnung ist ...
Immer gerne

, alles klar!
Also zuallererst würde ich mal mit ´nem Multimeter die Versorgungsspannung (9V DC) direkt am Netzteil / bzw. dann an der Buchse messen:
1. (maximale Spannung) im Leerlauf
2. Spannung beim Einschalten
3. Spannung "im Betrieb"
Hierbei kannst Du dann schon mal ausschliessen, dass das Problem evtl. am Netzteil liegt...
Viel Erfolg schon mal und bei Fragen melde Dich einfach....
Gtx.,
andY