Seite 1 von 1
Erledigt: Fertig aufgebaute Service Tastatur
Verfasst: 26.02.2025 19:31
von Olix
.
Ich habe noch wenige Service Tastaturen aus der "ABBUC Members Edition" abzugeben.
Ich habe bei einer Sammelbestellung immer eine kleine Reserve, falls mal etwas verloren geht.
Da nun alle Tastaturen verteilt sind und es keine Ausfälle gab, habe ich noch zwei übrig.
Allerdings nicht als Bausatz, sondern als fertig aufgebaute Geräte. Es muss also nichts mehr gelötet werden.
Ein Set besteht also aus:
- Fertig aufgebauter und betriebsbereiter Tastatur
- Adapterplatine für XL-Modelle
- Adapterplatine für XE-Modelle
- 30cm Flachband-Anschlußkabel
.
Preis pro Set: 30 Euro
Porto und Verpackung: 7 Euro (Versand als versichertes DHL Paket) oder 3,50 Euro als unversicherte Briefsendung.

- 20250225_210651.jpg (365.88 KiB) 9690 mal betrachtet
Da es immer wieder zu Überraschungen kommt, wie klein die Tastatur ist, hier die Maße: 142 mm x 49 mm x 10 mm
Re: Fertig aufgebaute Service Tastatur
Verfasst: 27.02.2025 10:17
von slx
Hallo,
ich würde gerne eine kaufen.
PN kommt.
Re: Fertig aufgebaute Service Tastatur
Verfasst: 27.02.2025 10:29
von BöserWatz
Gibt es auch einen Adapter für den 800er und den 400er?
Grüße, Ingo
Re: Fertig aufgebaute Service Tastatur
Verfasst: 27.02.2025 10:43
von Olix
slx hat geschrieben: ↑27.02.2025 10:17
Hallo,
ich würde gerne eine kaufen.
PN kommt.
OK. Bekommst eine Mail ...
Re: Fertig aufgebaute Service Tastatur
Verfasst: 27.02.2025 10:44
von Olix
BöserWatz hat geschrieben: ↑27.02.2025 10:29
Gibt es auch einen Adapter für den 800er und den 400er?
Grüße, Ingo
... nein leider nicht.
Re: Fertig aufgebaute Service Tastatur
Verfasst: 27.02.2025 10:48
von slx
Sollte sich aber designen lassen, da die Tastaturen ja nicht grundlegend anders funktionieren sondern nur andere Stecker haben. Hatte ich mir vor der Bestellung auch schon gedacht.
Re: Fertig aufgebaute Service Tastatur
Verfasst: 27.02.2025 10:58
von Olix
slx hat geschrieben: ↑27.02.2025 10:48
Sollte sich aber designen lassen, da die Tastaturen ja nicht grundlegend anders funktionieren sondern nur andere Stecker haben. Hatte ich mir vor der Bestellung auch schon gedacht.
Aber nur, falls die Tastaturmatrix gleich ist. Habe die jetzt auf die schnelle aber nicht gefunden.
Re: Fertig aufgebaute Service Tastatur
Verfasst: 27.02.2025 11:01
von JoSch
Olix hat geschrieben: ↑27.02.2025 10:58
slx hat geschrieben: ↑27.02.2025 10:48
Sollte sich aber designen lassen, da die Tastaturen ja nicht grundlegend anders funktionieren sondern nur andere Stecker haben. Hatte ich mir vor der Bestellung auch schon gedacht.
Aber nur, falls die Tastaturmatrix gleich ist. Habe die jetzt auf die schnelle aber nicht gefunden.
Die ist gleich. Ich hatte mal eine XL-Tastatur an einen 400 als Test adaptiert. Kein Problem.
Re: Fertig aufgebaute Service Tastatur
Verfasst: 27.02.2025 11:08
von Olix
Hat der 800er nicht sogar eine einfache Stiftleiste für den Tastaturanschluss?
Dann müsste man einfach nur das Flachbandkabel der Servicetastatur auftrennen und auf einen entsprechenden Stecker (oder besser gesagt Buchse) aufkrimpen, also in etwa wie auf diesem Bild:

- Screenshot 2025-02-27 110722.png (903.01 KiB) 9607 mal betrachtet
Re: Fertig aufgebaute Service Tastatur
Verfasst: 27.02.2025 11:46
von JoSch
Olix hat geschrieben: ↑27.02.2025 11:08
Hat der 800er nicht sogar eine einfache Stiftleiste für den Tastaturanschluss?
Dann müsste man einfach nur das Flachbandkabel der Servicetastatur auftrennen und auf einen entsprechenden Stecker (oder besser gesagt Buchse) aufkrimpen, also in etwa wie auf diesem Bild:
Screenshot 2025-02-27 110722.png
Wenn man nur mit 800er arbeitet, sicher, aber eine Platine, die man nach Bedarf aufsteckt, ist für den Anwendungszweck besser

Re: Fertig aufgebaute Service Tastatur
Verfasst: 27.02.2025 12:06
von Olix
Wenn man ein zweites Flachbandkabel verwendet ist man doch weiterhin flexibel. Dann kann man die Original Adapterplatinen mit dem Original Flachbandkabel verwenden und das andere Flachbandkabel ist dann eben das Adapterkabel für den 800er.
Re: Fertig aufgebaute Service Tastatur
Verfasst: 28.02.2025 09:15
von JoSch
Olix hat geschrieben: ↑27.02.2025 12:06
Wenn man ein zweites Flachbandkabel verwendet ist man doch weiterhin flexibel. Dann kann man die Original Adapterplatinen mit dem Original Flachbandkabel verwenden und das andere Flachbandkabel ist dann eben das Adapterkabel für den 800er.
Klar, auch das kann man machen, aber der 400 bräcuhte auch einen Adapter, und noch ein drittes Kabel aufzuschneiden, ... naja.

Re: Fertig aufgebaute Service Tastatur
Verfasst: 01.03.2025 16:54
von Pmetzen
Olix hast eine PM
Re: Fertig aufgebaute Service Tastatur
Verfasst: 02.03.2025 16:41
von Pmetzen
Ich frage jetzt noch einmal. ich hätte gerne noch eine Tatstaur fertig aufgebaut.
Re: Fertig aufgebaute Service Tastatur
Verfasst: 03.03.2025 09:42
von Burkhard
Olix hat geschrieben: ↑27.02.2025 10:58
slx hat geschrieben: ↑27.02.2025 10:48
Sollte sich aber designen lassen, da die Tastaturen ja nicht grundlegend anders funktionieren sondern nur andere Stecker haben. Hatte ich mir vor der Bestellung auch schon gedacht.
Aber nur, falls die Tastaturmatrix gleich ist. Habe die jetzt auf die schnelle aber nicht gefunden.
Eben! IdR. ist die Matrix zwar gleich, aber die Ansteuerung über die zwei
405x ist beim XL/XE auf dem MoBo, während bei den älteren Geräten - wenn ich mich recht entsinne - auf der Tastatur Platine ...
Re: Fertig aufgebaute Service Tastatur
Verfasst: 03.03.2025 09:48
von Olix
... ich glaube nur bei der Tastatur des 1200XL und des XEGS sind die 4051 auf der Tastatur selbst verbaut.
Re: Fertig aufgebaute Service Tastatur
Verfasst: 03.03.2025 10:09
von Burkhard
Olix hat geschrieben: ↑03.03.2025 09:48
... ich glaube nur bei der Tastatur des 1200XL und des XEGS sind die 4051 auf der Tastatur selbst verbaut.
Du hast wo. ein Foto des Anschluß gepostet. Wenn ich richtig gezählt habe, sind da 18 Leitungen. Alleine die Matrix der Haupttastatur benötigt 17 Leitungen, dazu kommen Leutungen für für die Sondertasten, LED etc.
Wenn die zwei Steuer-IC auf der Tastatur Platine sind, reichen 8 Leitungen zum POKEY neben denen für Sondertasten ...
Re: Fertig aufgebaute Service Tastatur
Verfasst: 03.03.2025 10:55
von Olix
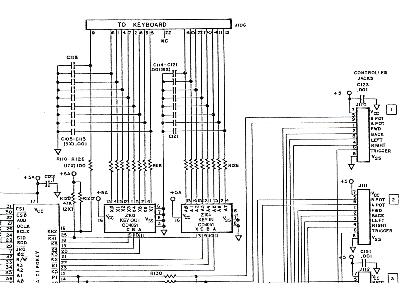
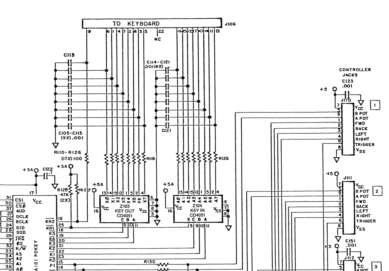
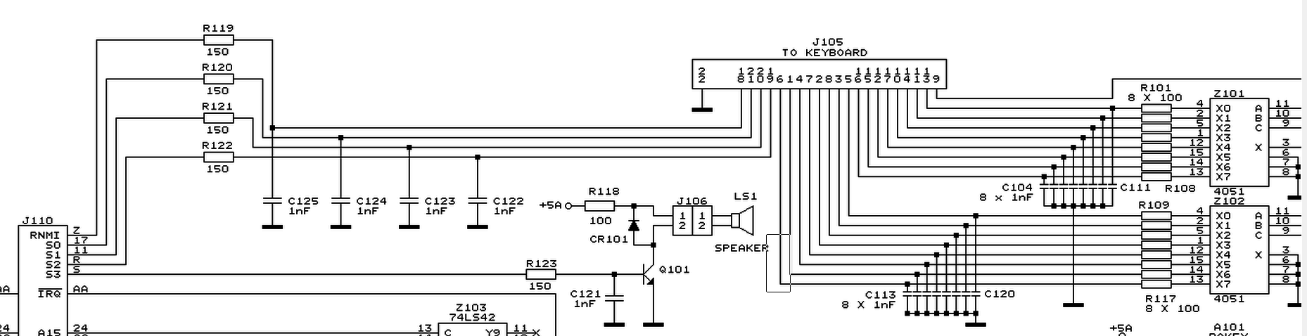
Ja 18 Leitungen. Aber die Consolentasten, Reset und LED gehen über einen extra Anschluss.
Hier der Auszug aus dem Schaltplan, wie du sehen kannst sind die 4051 Onboard:

- Screenshot 2025-03-03 105439.png (766.47 KiB) 9254 mal betrachtet
Re: Fertig aufgebaute Service Tastatur
Verfasst: 03.03.2025 10:57
von Olix
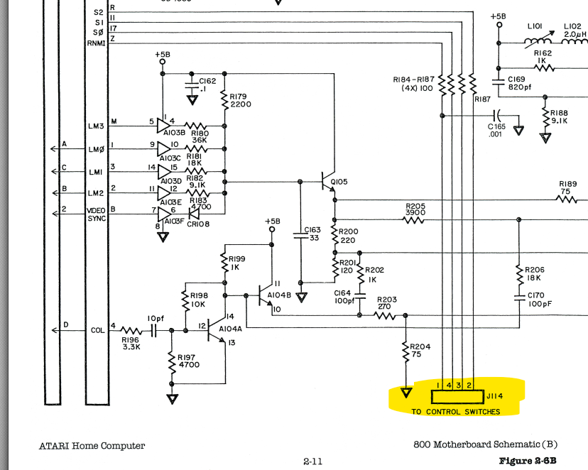
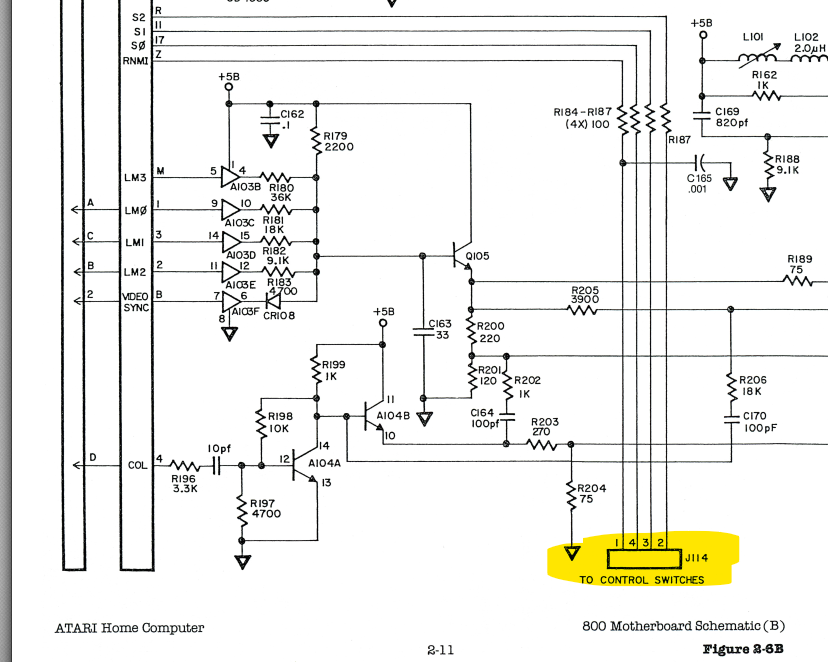
.... und hier der Anschluss für die Cosolen-Tasten:

- Screenshot 2025-03-03 105621.png (300.7 KiB) 9253 mal betrachtet
Re: Fertig aufgebaute Service Tastatur
Verfasst: 03.03.2025 11:14
von Dr. Irata
... so eine Tastatur könnte ich auch noch gut gebrauchen... also falls du noch eine übrig hast

Re: Fertig aufgebaute Service Tastatur
Verfasst: 03.03.2025 11:15
von Olix
.
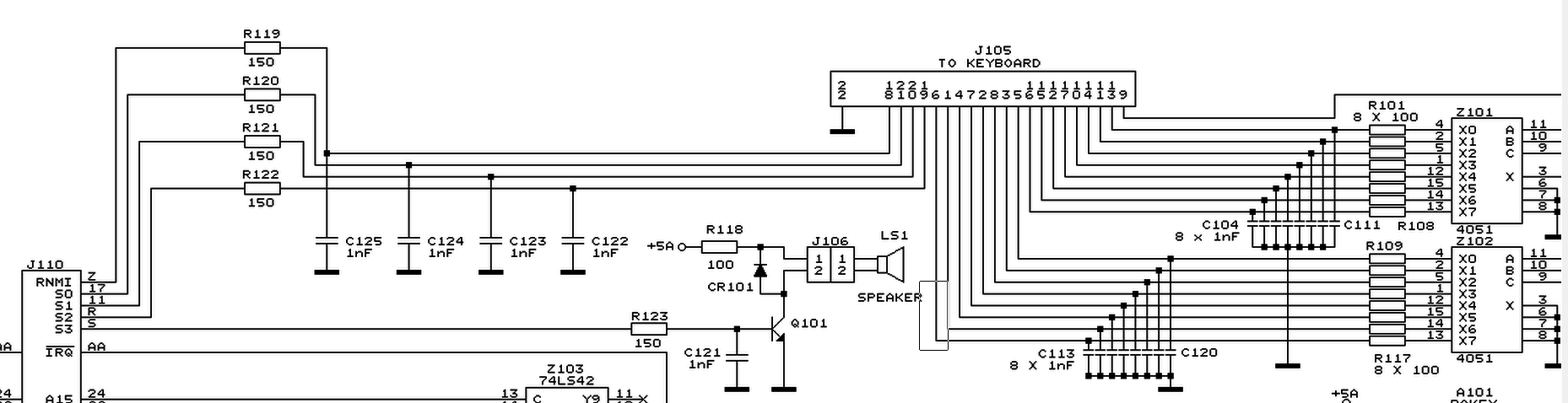
... und beim 400er gehen dann übrigens alle Leitungen über eine Stiftleiste (22 polig):

- Screenshot 2025-03-03 111300.png (201.64 KiB) 9249 mal betrachtet
Re: Fertig aufgebaute Service Tastatur
Verfasst: 03.03.2025 11:18
von Olix
Dr. Irata hat geschrieben: ↑03.03.2025 11:14
... so eine Tastatur könnte ich auch noch gut gebrauchen... also falls du noch eine übrig hast
Eine aller letzte habe ich noch. Das ist meine Reserve der Reserve. Aber dann ist wirklich Schluss ...
Bekommst eine Mail.
Re: Fertig aufgebaute Service Tastatur
Verfasst: 04.03.2025 12:20
von Burkhard
Olix hat geschrieben: ↑03.03.2025 10:55
Ja 18 Leitungen. Aber die Consolentasten, Reset und LED gehen über einen extra Anschluss.
Hier der Auszug aus dem Schaltplan, wie du sehen kannst sind die 4051 Onboard:
Screenshot 2025-03-03 105439.png
Das wußte ich leider bis eben nicht, aber Du hast scheinbar recht, denn ich habe einen alten Beitrag von mir im Archiv des alten Forum und in dem Thread
diese Grafik entdeckt ...
Re: Fertig aufgebaute Service Tastatur
Verfasst: 04.03.2025 14:26
von Olix
... dafür hatte ich diese Grafik noch nicht. Ist jetzt bei mir im Archiv
